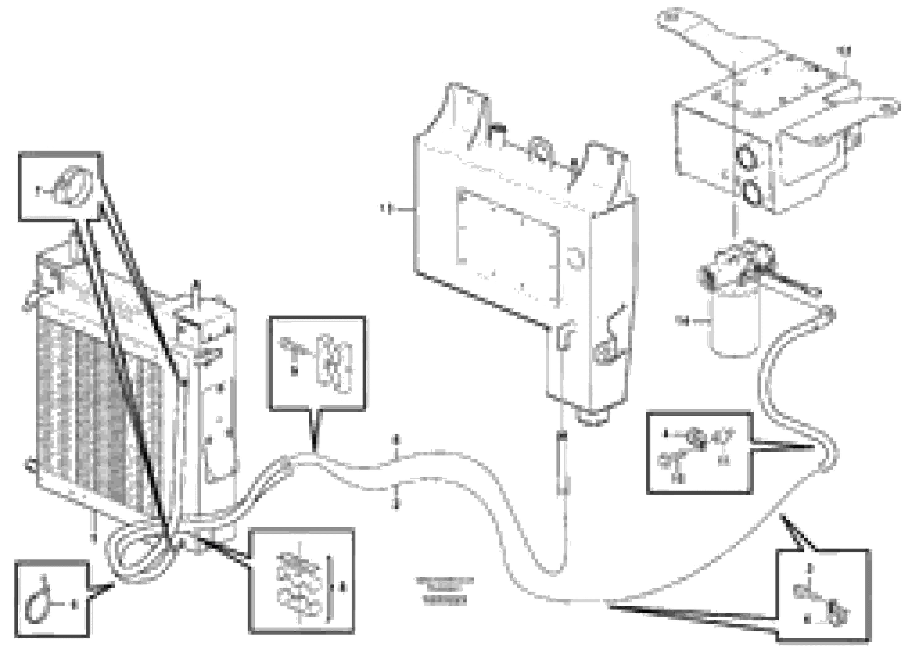
Запчасти Volvo BL61 77655 Радиатор масляной для гидравлики BL61 S/N 11459 -

Схема запчастей Volvo BL61 - 77655 Радиатор масляной для гидравлики BL61 S/N 11459 -
FIT
1:1
100%

Артикул

Название

Примечание

Количество

10

VOE 13945444

Болт

1шт.

10

VOE 13945444

Screw

1шт.

11

VOE 11888967

Mount

1шт.

2

VOE 15612540

Hose assembly

1шт.

3

VOE 13945444

Болт

1шт.

3

VOE 13945444

Screw

1шт.

4

VOE 13977600

Зажим

1шт.

4

VOE 13977600

Зажим

1шт.

5

VOE 15057650

Шланг

1шт.

6

VOE 4881440

Cable tie

1шт.

6

VOE 4881440

Cable tie

1шт.

7

VOE 13943472

Hose clamp

1шт.

8

VOE 11888715

Зажим

1шт.

8

VOE 11888715

Зажим

1шт.

9

VOE 967632

Hex. socket screw

1шт.

9

VOE 967632

Винт шестигранник (торцевой ключ)

1шт.

Выбрано товаров: 16