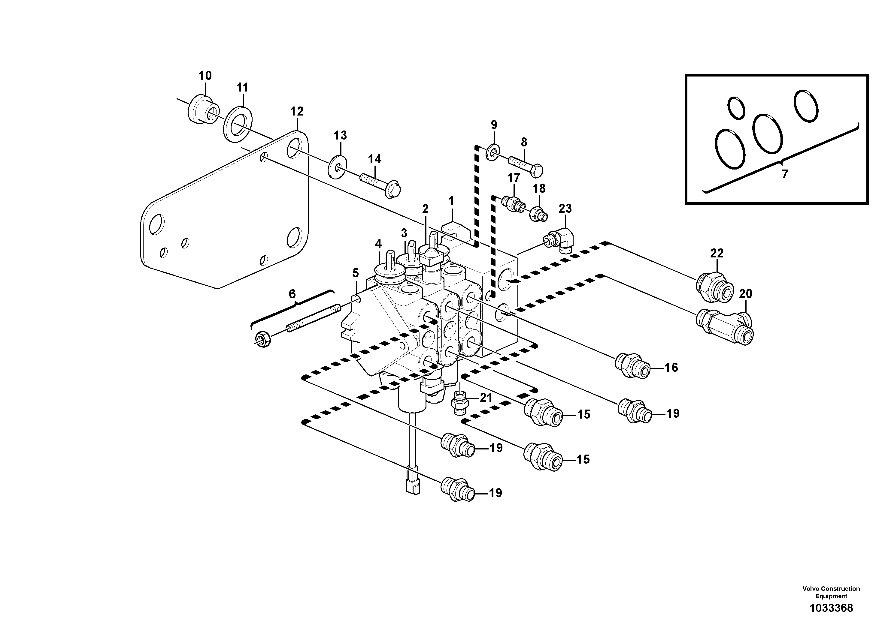
Запчасти Volvo BL61 105616 Valve body with fitting parts BL61 S/N 11459 -

Схема запчастей Volvo BL61 - 105616 Valve body with fitting parts BL61 S/N 11459 -
FIT
1:1
100%

Артикул

Название

Примечание

Количество

VOE 932042

Кольцо уплотнительное (О-кольцо)

1шт.

VOE 932042

Кольцо уплотнительное (О-кольцо)

1шт.

VOE 990740

Кольцо уплотнительное (О-кольцо)

1шт.

VOE 990740

Кольцо уплотнительное (О-кольцо)

1шт.

VOE 981290

Кольцо уплотнительное (О-кольцо)

1шт.

VOE 981290

Кольцо уплотнительное (О-кольцо)

1шт.

VOE 15184862

Direction valve

1шт.

VOE 932043

Кольцо уплотнительное (О-кольцо)

1шт.

VOE 932043

Кольцо уплотнительное (О-кольцо)

1шт.

VOE 16205135

Hydraulic valve

1шт.

VOE 990739

Кольцо уплотнительное (О-кольцо)

1шт.

VOE 990739

Кольцо уплотнительное (О-кольцо)

1шт.

VOE 11712898

Комплект винтов

1шт.

VOE 11712898

Комплект винтов

1шт.

VOE 932042

Кольцо уплотнительное (О-кольцо)

1шт.

VOE 932042

Кольцо уплотнительное (О-кольцо)

1шт.

VOE 932039

Кольцо уплотнительное (О-кольцо)

1шт.

VOE 932039

Кольцо уплотнительное (О-кольцо)

1шт.

VOE 990738

Кольцо уплотнительное (О-кольцо)

1шт.

VOE 990738

Кольцо уплотнительное (О-кольцо)

1шт.

VOE 11886542

Клапан регулирующий (распределительный)

1шт.

VOE 15184817

Direction valve

1шт.

VOE 990736

Кольцо уплотнительное (О-кольцо)

1шт.

VOE 990736

Кольцо уплотнительное (О-кольцо)

1шт.

VOE 15184766

Direction valve

1шт.

VOE 16205133

Hydraulic valve

1шт.

VOE 11886541

Клапан

1шт.

VOE 932042

Кольцо уплотнительное (О-кольцо)

1шт.

VOE 932042

Кольцо уплотнительное (О-кольцо)

1шт.

1

VOE 11712893

Клапан впускной

1шт.

10

VOE 11881720

Rubber element

1шт.

11

VOE 955908

Шайба

1шт.

11

VOE 955908

Шайба

1шт.

13

VOE 13947355

Шайба

1шт.

13

VOE 13947355

Шайба

1шт.

14

VOE 13965194

Screw

1шт.

14

VOE 13965194

Болт

1шт.

15

VOE 13933862

Nipple

1шт.

15

VOE 13933862

Nipple

1шт.

16

VOE 935032

Nipple

1шт.

16

VOE 935032

Nipple

1шт.

17

VOE 11885699

Фиттинг

1шт.

18

VOE 11885733

Фиттинг

1шт.

19

VOE 935093

Nipple

1шт.

19

VOE 935093

Nipple

1шт.

2

VOE 11712894

Direction valve

1шт.

20

VOE 936612

T-nipple

1шт.

21

VOE 13933858

Nipple

1шт.

21

VOE 13933858

Nipple

1шт.

22

VOE 935229

Nipple

1шт.

22

VOE 935229

Nipple

1шт.

23

VOE 935070

Elbow nipple

1шт.

23

VOE 935070

Elbow nipple

1шт.

23

VOE 935070

Elbow nipple

1шт.

23

VOE 935070

Elbow nipple

1шт.

3

VOE 11712895

Direction valve

1шт.

4

VOE 11712896

Direction valve

1шт.

4

VOE 11712896

Direction valve

1шт.

5

VOE 11712897

Direction valve

1шт.

5

VOE 11712897

Direction valve

1шт.

6

VOE 11712622

Комплект винтов

1шт.

6

VOE 11712622

Комплект винтов

1шт.

7

VOE 11712623

Sealing kit

1шт.

7

VOE 11712623

Sealing kit

1шт.

8

VOE 983253

Винт шестигранник

1шт.

8

VOE 983253

Винт шестигранник

1шт.

9

VOE 930842

Шайба

1шт.

9

VOE 930842

Шайба

1шт.

Выбрано товаров: 68