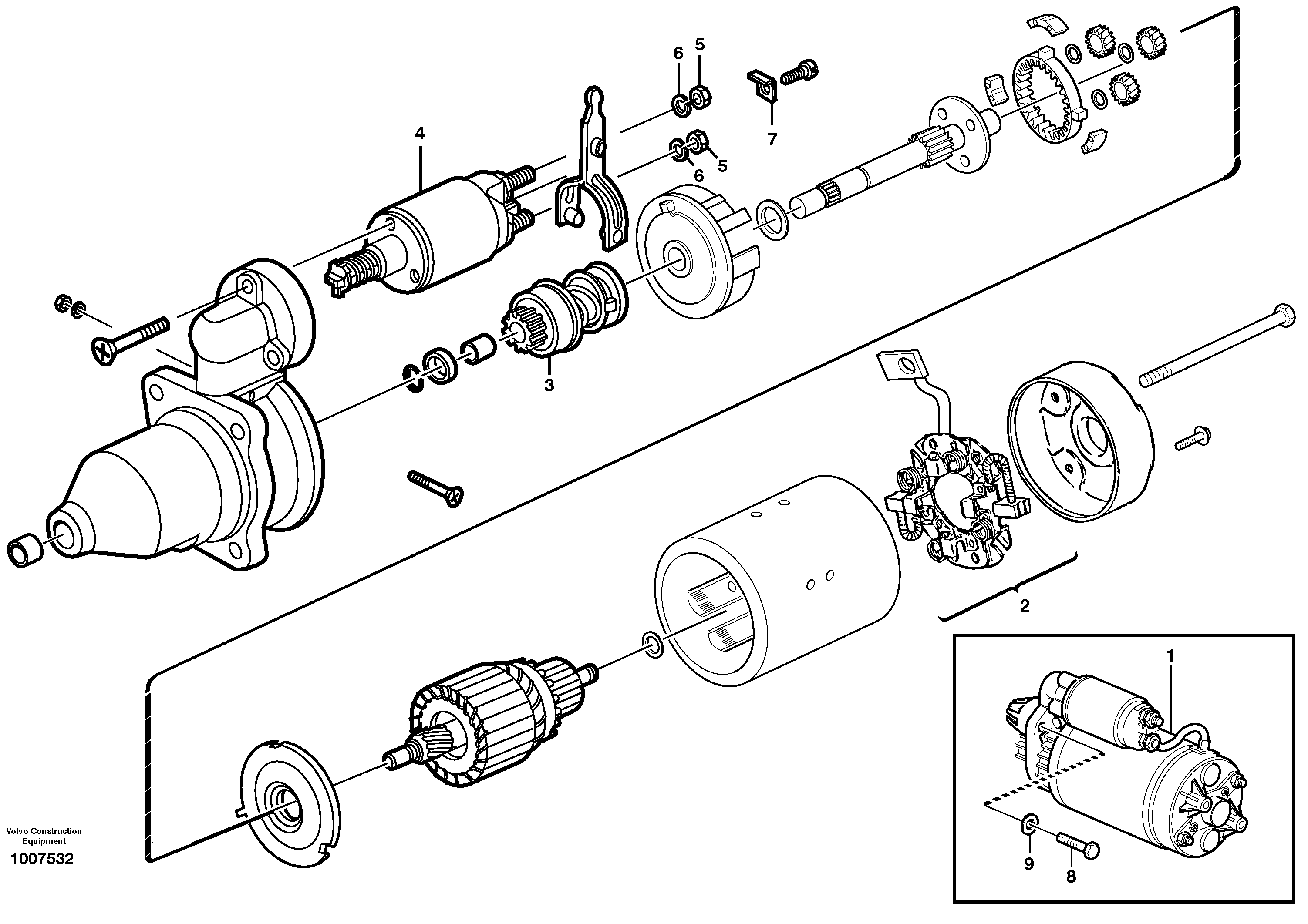
Запчасти Volvo BL70 40279 Starter motor with assembling details BL70

Схема запчастей Volvo BL70 - 40279 Starter motor with assembling details BL70
FIT
1:1
100%

Артикул

Название

Примечание

Количество

VOE 20593357

Винт шестигранник

ENG 01099468 -

1шт.

1

VOE 20405828

Starter motor

1шт.

1

VOE 20405828

Starter motor

1шт.

2

VOE 20460117

Brush retainer

1шт.

2

VOE 20460117

Brush retainer

1шт.

3

VOE 20460116

Starter pinion

1шт.

3

VOE 20460116

Starter pinion

1шт.

4

VOE 20460115

Реле

1шт.

4

VOE 20460115

Реле

1шт.

5

VOE 20460118

Hexagon nut

1шт.

5

VOE 20460118

Hexagon nut

1шт.

6

VOE 20460119

Стопорная шайба (кольцо)

1шт.

6

VOE 20460119

Стопорная шайба (кольцо)

1шт.

7

VOE 20460120

Зажим

1шт.

7

VOE 20460120

Зажим

1шт.

8

VOE 20412751

Болт

ENG - 01099467

1шт.

8

VOE 20412751

Болт

ENG - 01099467

1шт.

9

VOE 20459061

Шайба

1шт.

9

VOE 20459061

Шайба

1шт.

Выбрано товаров: 19