Запчасти Volvo EC130C 1989 Control block for end position damp EC130C ?KERMAN ?KERMAN EC130C SER NO - 220

Схема запчастей Volvo EC130C - 1989 Control block for end position damp EC130C ?KERMAN ?KERMAN EC130C SER NO - 220
FIT
1:1
100%

Артикул

Название

Примечание

Количество

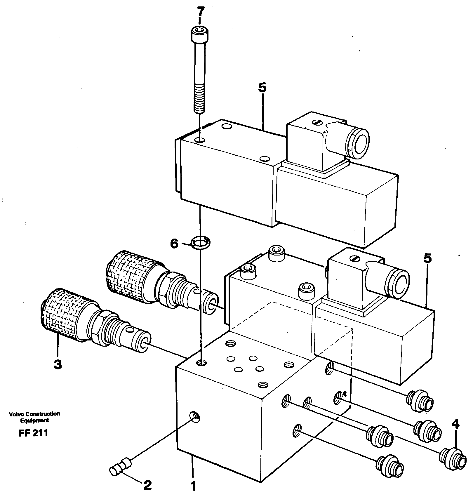
VOE 14243113

Valve body

1шт.

1

VOE 14243114

Mounting plate

1шт.

1

VOE 14243114

Mounting plate

1шт.

2

VOE 14212578

Sealing plug

1шт.

2

VOE 14212578

Sealing plug

1шт.

3

VOE 14212794

Restricting valve

1шт.

3

VOE 14212794

Restricting valve

1шт.

4

VOE 14012413

14012413

1шт.

5

VOE 11716048

Встроенный клапан в сборе

1шт.

5

VOE 11716048

Встроенный клапан в сборе

1шт.

6

VOE 14016347

Кольцо уплотнительное (О-кольцо)

1шт.

6

VOE 14016347

Кольцо уплотнительное (О-кольцо)

1шт.

7

VOE 959197

Allen Hd Screw

1шт.

Выбрано товаров: 13