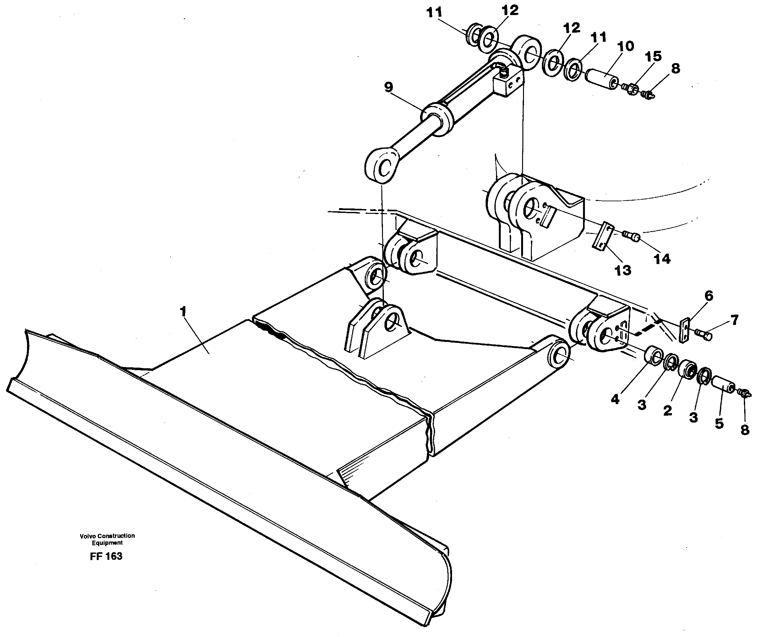
Запчасти Volvo EC130C 1664 Dozer blade 2,7m EC130C ?KERMAN ?KERMAN EC130C SER NO - 220

Схема запчастей Volvo EC130C - 1664 Dozer blade 2,7m EC130C ?KERMAN ?KERMAN EC130C SER NO - 220
FIT
1:1
100%

Артикул

Название

Примечание

Количество

1

VOE 14252769

Лезвие отвала (аутригера)

1шт.

10

VOE 14042911

14042911

1шт.

11

VOE 14040806

Кольцо уплотнительное

1шт.

12

VOE 14041574

Вставка

1шт.

13

VOE 14040175

Striker plate

1шт.

14

VOE 13970969

Винт шестигранник

1шт.

15

VOE 14041545

14041545

1шт.

2

VOE 4780963

Link bearing

1шт.

2

VOE 4780963

Link bearing

1шт.

3

VOE 914538

Retaining ring

1шт.

3

VOE 914538

Кольцо стопорное

1шт.

4

VOE 14054117

Втулка

1шт.

5

VOE 14047268

14047268

1шт.

6

VOE 14040175

Striker plate

1шт.

7

VOE 13970969

Винт шестигранник

1шт.

8

VOE 14014069

Lubricating nipple

1шт.

8

VOE 14014069

Lubricating nipple

1шт.

9

VOE 14253800

Гидроцилиндр

1шт.

Выбрано товаров: 18