Запчасти Volvo EC130C 13594 Pressure limiting valve for slew motor EC130C SER NO 221-

Схема запчастей Volvo EC130C - 13594 Pressure limiting valve for slew motor EC130C SER NO 221-
FIT
1:1
100%

Артикул

Название

Примечание

Количество

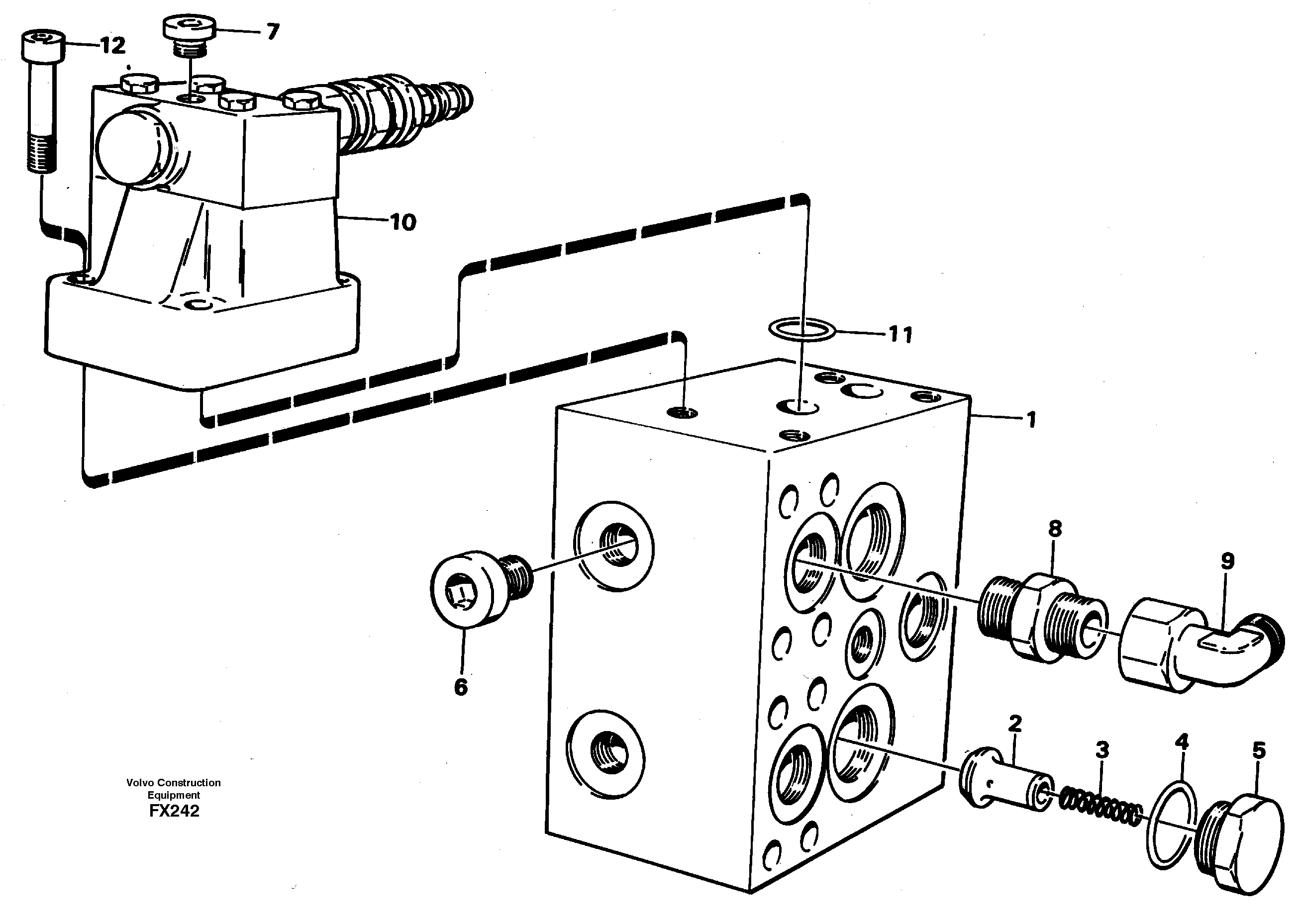
VOE 14245245

Pressure limiting valve

1шт.

1

VOE 14245241

Картер (корпус)

1шт.

11

VOE 13949721

Кольцо уплотнительное (О-кольцо)

1шт.

11

VOE 13949721

Кольцо уплотнительное (О-кольцо)

1шт.

12

VOE 959241

Винт шестигранник (торцевой ключ)

1шт.

2

VOE 14233687

Peg

1шт.

3

VOE 14233686

Compression spring

1шт.

3

VOE 14233686

Compression spring

1шт.

4

VOE 949658

Кольцо уплотнительное (О-кольцо)

1шт.

4

VOE 949658

Кольцо уплотнительное (О-кольцо)

1шт.

5

VOE 14341283

14341283

1шт.

6

VOE 14023408

Пробка (заглушка)

1шт.

7

VOE 14023407

Пробка (заглушка)

1шт.

7

VOE 14023407

Пробка (заглушка)

1шт.

8

VOE 14012423

14012423

1шт.

9

VOE 14012395

14012395

1шт.

Выбрано товаров: 16