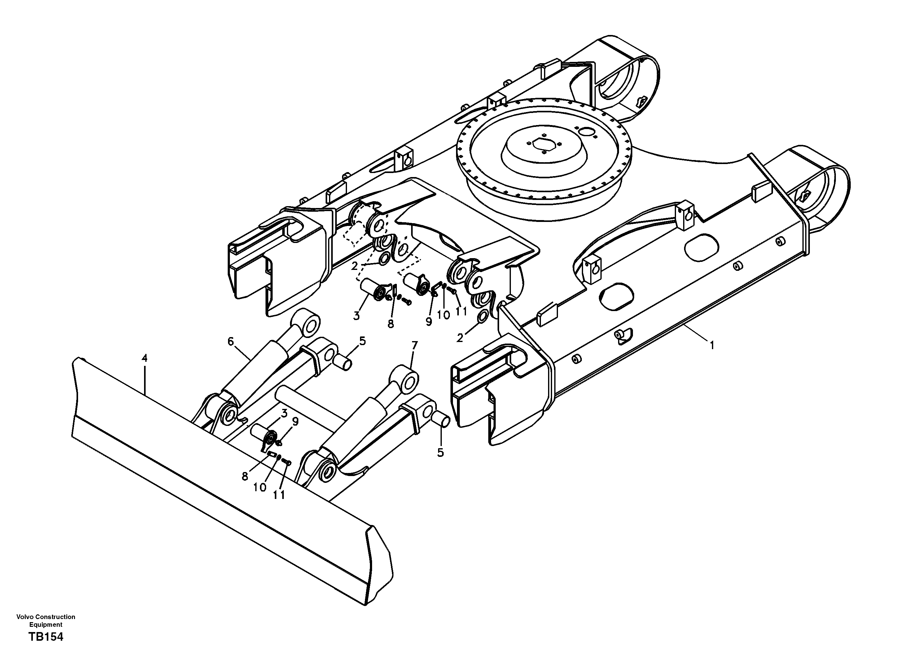
Запчасти Volvo EC140B 88257 Рама экскаватора (ходовой части, шасси) EC140B

Схема запчастей Volvo EC140B - 88257 Рама экскаватора (ходовой части, шасси) EC140B
FIT
1:1
100%

Артикул

Название

Примечание

Количество

VOE 14514363

Und Crg Frame

1шт.

1

VOE 14507853

Und Crg Frame

1шт.

10

VOE 955922

Шайба пружинная

1шт.

10

VOE 955922

Шайба пружинная

1шт.

11

VOE 983251

Винт шестигранник

1шт.

11

VOE 983251

Винт шестигранник

1шт.

2

SA 1173-03460

Прокладка

1шт.

2

SA 1173-03460

Прокладка

1шт.

3

VOE 14562530

Палец

1шт.

4

VOE 14507849

Blade

1шт.

5

VOE 14505275

Втулка

1шт.

6

VOE 14563806

цилиндр

1шт.

7

VOE 14563807

цилиндр

1шт.

8

VOE 14514388

Seat

1шт.

9

VOE 914167

Lubricating nipple

1шт.

9

VOE 914167

Lubricating nipple

1шт.

Выбрано товаров: 0