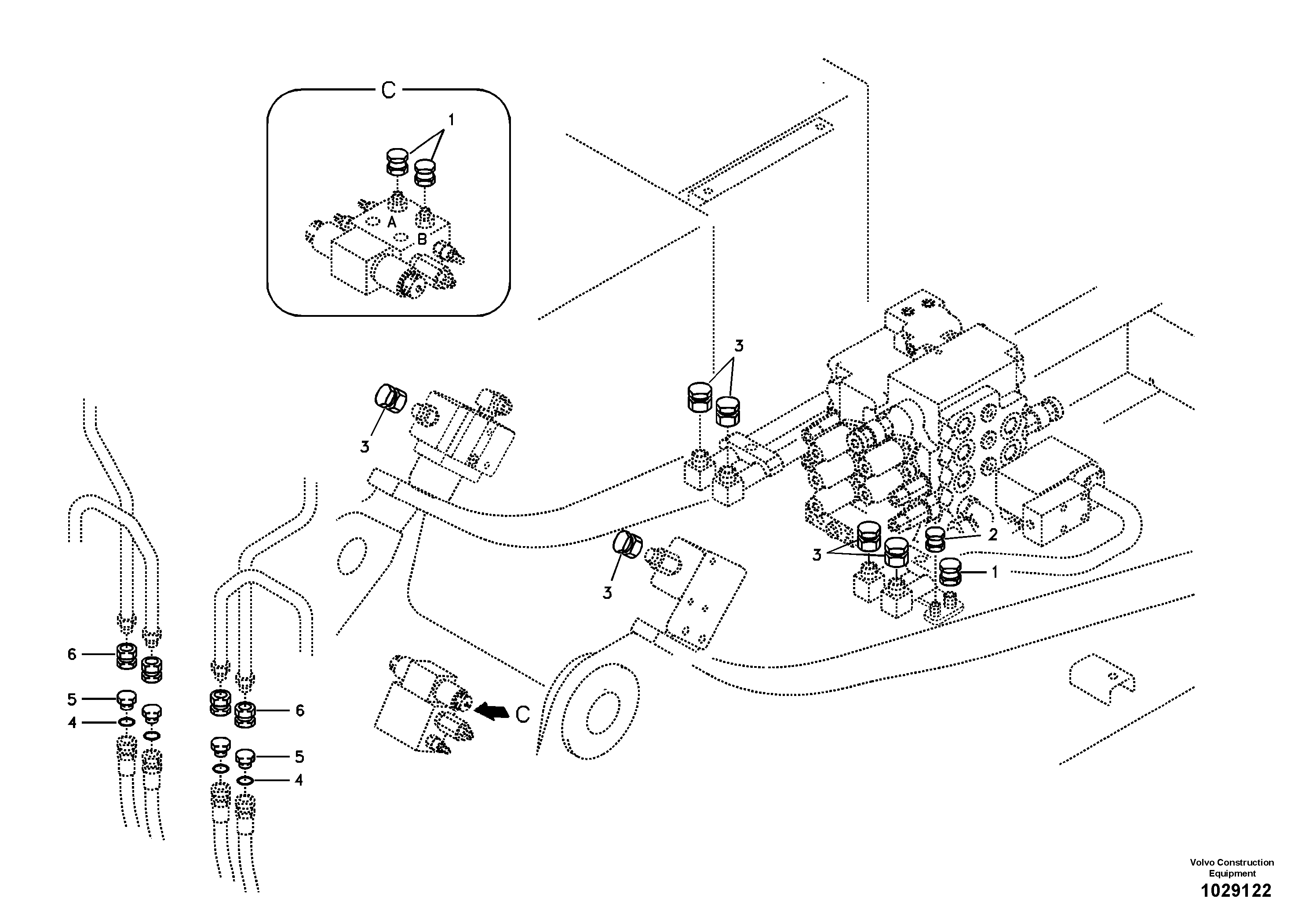
Запчасти Volvo EC140B 38894 Working hydraulic, hydraulic plugs for no boom EC140B

Схема запчастей Volvo EC140B - 38894 Working hydraulic, hydraulic plugs for no boom EC140B
FIT
1:1
100%

Артикул

Название

Примечание

Количество

1

SA 9411-90410

Пробка (заглушка)

1шт.

2

SA 9411-93390

Пробка (заглушка)

1шт.

3

SA 9415-35021

Пробка (заглушка)

1шт.

3

SA 9415-35021

Пробка (заглушка)

1шт.

4

VOE 4880493

Кольцо уплотнительное (О-кольцо)

1шт.

4

VOE 4880493

Кольцо уплотнительное (О-кольцо)

1шт.

5

SA 9415-34011

Пробка (заглушка)

1шт.

6

SA 9415-35011

Пробка (заглушка)

1шт.

Выбрано товаров: 0