Запчасти Volvo EC140B 19780 Ковш EC140B

Схема запчастей Volvo EC140B - 19780 Ковш EC140B
FIT
1:1
100%

Артикул

Название

Примечание

Количество

VOE 14560871

Ковш

1шт.

VOE 14527865

Адаптер

1шт.

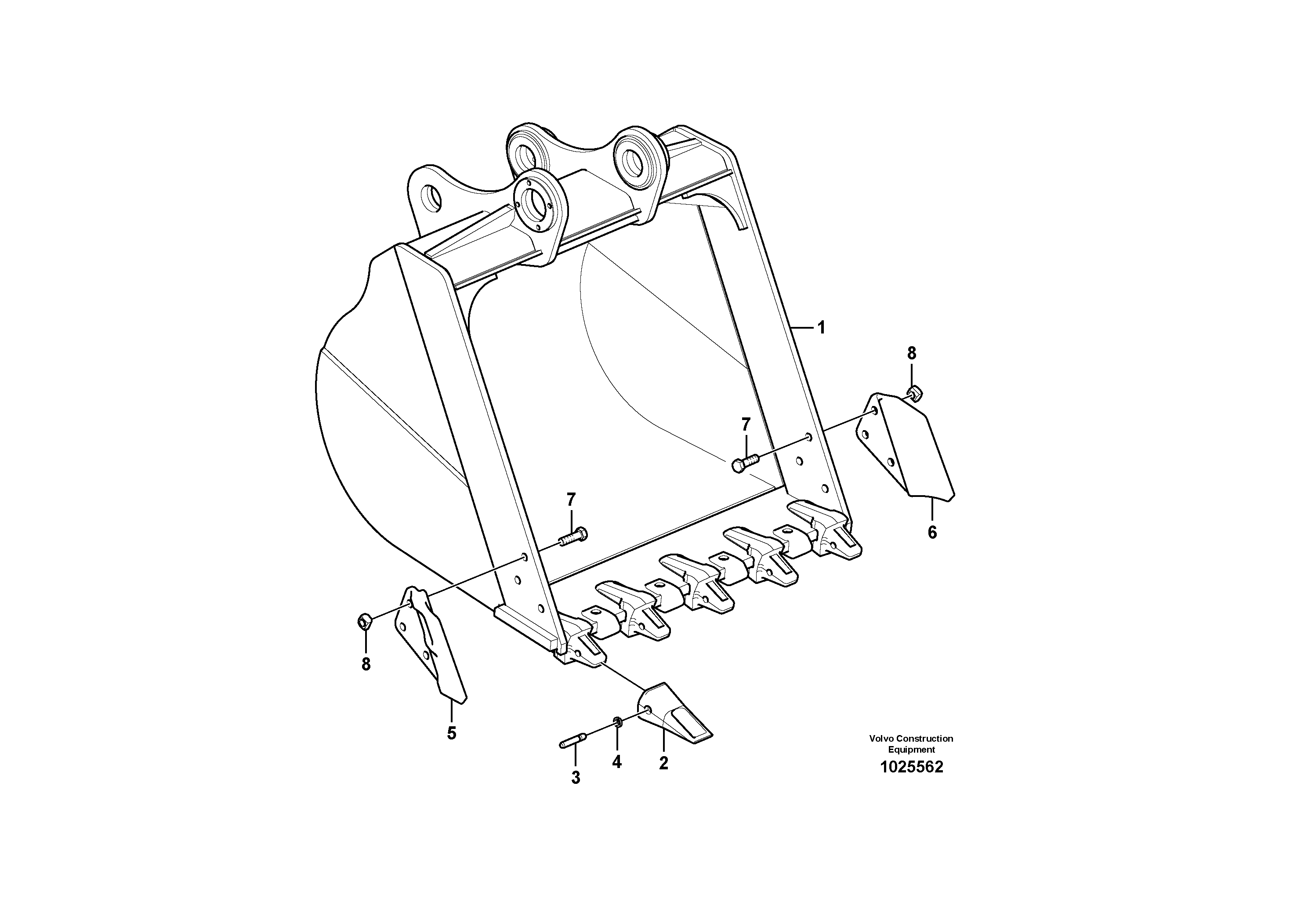
1

VOE 14560869

Ковш

1шт.

2

VOE 14527863

Зуб ковша

1шт.

2

VOE 14527863

Зуб ковша

1шт.

3

VOE 14527864

Палец

1шт.

4

VOE 955927

Шайба пружинная

1шт.

5

SA 1171-00181

Бокорез (боковой зуб, режущая кромка ковша)

LH

1шт.

6

SA 1171-00171

Бокорез (боковой зуб, режущая кромка ковша)

RH

1шт.

7

SA 9012-53021

Болт

1шт.

7

SA 9012-53021

Винт шестигранник

1шт.

8

SA 9112-13001

Гайка

1шт.

8

SA 9112-13001

Гайка

1шт.

Выбрано товаров: 0