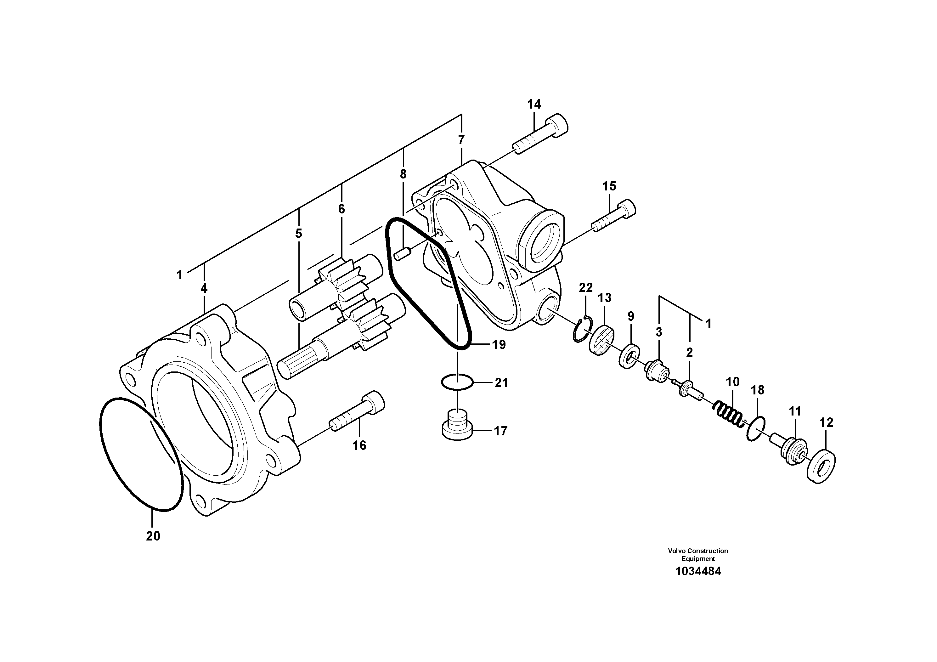
Запчасти Volvo EC140B 94230 Гидронасос (шестеренчатый) EC140B PRIME S/N 15001-

Схема запчастей Volvo EC140B - 94230 Гидронасос (шестеренчатый) EC140B PRIME S/N 15001-
FIT
1:1
100%

Артикул

Название

Примечание

Количество

VOE 14534034

Пилотный (шестерёнчатый) насос

1шт.

VOE 14534034

Пилотный (шестерёнчатый) насос

1шт.

1

VOE 14534035

Case

1шт.

1

VOE 14534035

Case

1шт.

10

VOE 14534038

Пружина

1шт.

10

VOE 14534038

Пружина

1шт.

100

VOE 14534042

Sealing Kit

1шт.

11

VOE 14534037

Болт

1шт.

11

VOE 14534037

Болт

1шт.

12

SA 7217-00290

Lock nut

1шт.

13

SA 8230-08770

Фильтр топливный

1шт.

13

SA 8230-08770

Фильтр топливный

1шт.

14

SA 8230-26250

Screw

1шт.

14

SA 8230-26250

Болт

1шт.

15

SA 8230-26270

Болт

1шт.

15

SA 8230-26270

Screw

1шт.

16

SA 8230-26240

Socket

1шт.

17

SA 9415-11021

Пробка (заглушка)

1шт.

18

VOE 983507

Кольцо уплотнительное (О-кольцо)

1шт.

18

VOE 983507

Кольцо уплотнительное (О-кольцо)

1шт.

19

SA 7223-02210

Кольцо

1шт.

2

14534041

Poppet

1шт.

20

VOE 14534033

Кольцо уплотнительное (О-кольцо)

1шт.

20

VOE 14534033

Кольцо уплотнительное (О-кольцо)

1шт.

21

VOE 983502

Кольцо уплотнительное (О-кольцо)

1шт.

21

VOE 983502

Кольцо уплотнительное (О-кольцо)

1шт.

22

SA 9541-02018

Retaining ring

1шт.

22

SA 9541-02018

Кольцо

1шт.

3

14534040

Seat

1шт.

4

VOE 14534036

Case

1шт.

4

VOE 14534036

Case

1шт.

7

SA 8230-08900

Case

1шт.

9

VOE 14534039

Кольцо

1шт.

9

VOE 14534039

Кольцо

1шт.

Выбрано товаров: 0