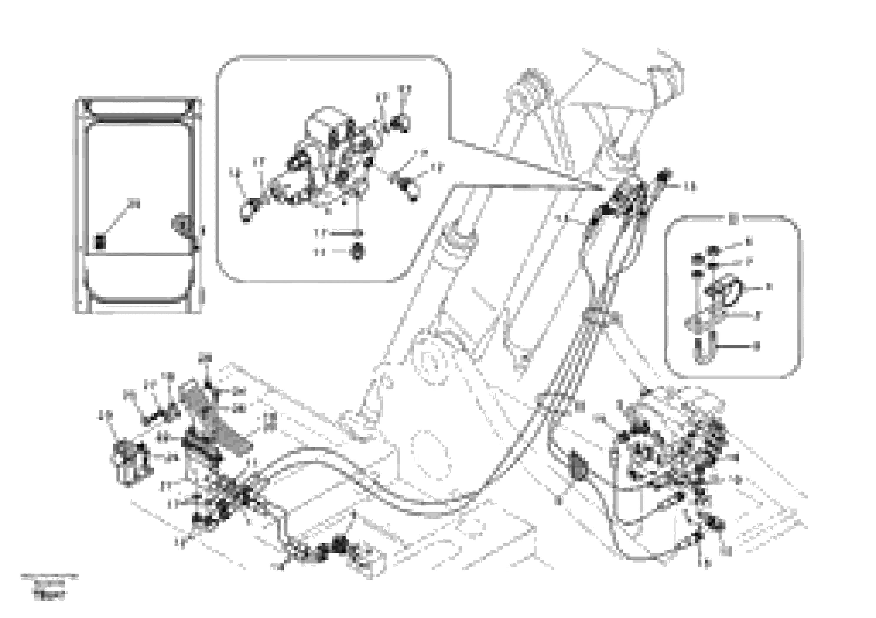
Запчасти Volvo EC140B 95115 Working hydraulic, adjustable boom for upper EC140B PRIME S/N 15001-

Схема запчастей Volvo EC140B - 95115 Working hydraulic, adjustable boom for upper EC140B PRIME S/N 15001-
FIT
1:1
100%

Артикул

Название

Примечание

Количество

1

SA 1048-10540

Соединитель

1шт.

10

SA 9411-95440

Tee

1шт.

11

SA 9412-11020

Соединитель

1шт.

12

SA 9413-11010

Elbow

1шт.

13

SA 9451-02275

Hose assembly

1шт.

14

SA 9452-02221

Hose assembly

1шт.

14

SA 9452-02221

Hose assembly

1шт.

15

SA 9453-02207

Hose assembly

1шт.

15

SA 9453-02207

Hose assembly

1шт.

16

SA 9453-02374

Шланг

1шт.

17

VOE 983502

Кольцо уплотнительное (О-кольцо)

1шт.

17

VOE 983502

Кольцо уплотнительное (О-кольцо)

1шт.

18

VOE 14531103

Пластина

1шт.

19

VOE 14522008

Pedal

1шт.

2

SA 1174-51182

Пластина

1шт.

2

SA 1174-51182

Пластина

1шт.

20

VOE 14522039

Крышка

1шт.

21

VOE 14511630

Клапан

1шт.

21

VOE 14511630

Valve

1шт.

22

VOE 14515386

Пластина

1шт.

22

VOE 14515386

Пластина

1шт.

23

VOE 14515941

Rubber stop

1шт.

24

VOE 984348

Болт

1шт.

24

VOE 984348

Винт шестигранник (торцевой ключ)

1шт.

25

VOE 946329

Flange screw

1шт.

25

VOE 946329

Flange screw

1шт.

26

VOE 946472

Flange screw

1шт.

26

VOE 946472

Flange screw

1шт.

27

VOE 955922

Шайба пружинная

1шт.

27

VOE 955922

Шайба пружинная

1шт.

28

VOE 983304

Hexagon nut

1шт.

28

VOE 983304

Hexagon nut

1шт.

29

VOE 14514814

Decal

1шт.

3

VOE 14510275

T-nipple

1шт.

3

VOE 14510275

T-nipple

1шт.

4

VOE 14515523

Скоба (хомут)

1шт.

5

VOE 14515524

Скоба (хомут)

1шт.

5

VOE 14515524

Скоба (хомут)

1шт.

6

SA 9111-31000

Гайка

1шт.

7

SA 9211-10000

Шайба

1шт.

7

SA 9211-10000

Шайба

1шт.

8

VOE 14880630

U-образный болт (скоба, П образный) / хомут

1шт.

8

VOE 14880630

U-образный болт (скоба, П образный) / хомут

1шт.

9

SA 9411-92180

Tee

1шт.

Выбрано товаров: 0