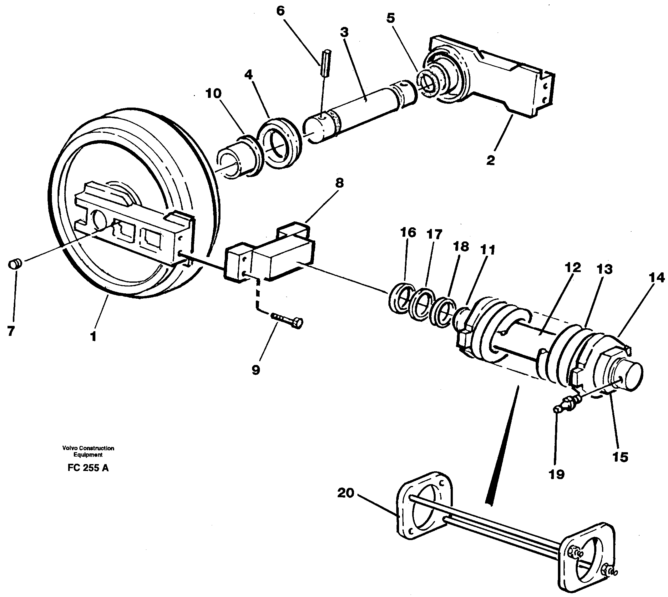
Запчасти Volvo EC150 32399 Front idler, tensioning ring EC150 ?KERMAN ?KERMAN EC150 SER NO - 129

Схема запчастей Volvo EC150 - 32399 Front idler, tensioning ring EC150 ?KERMAN ?KERMAN EC150 SER NO - 129
FIT
1:1
100%

Артикул

Название

Примечание

Количество

VOE 14253554

Tension Unit

1шт.

VOE 14214909

Ленивец (Направляющее колесо гусеницы)

1шт.

1

VOE 14214911

Front Wheel

1шт.

10

VOE 14211227

Втулка

1шт.

11

VOE 14214901

Поршень

1шт.

12

VOE 14214902

цилиндр

1шт.

13

VOE 14214903

Compression spring

1шт.

14

VOE 14214904

Spring disc

1шт.

15

VOE 14214905

Гайка

1шт.

16

VOE 14102312

14102312

1шт.

17

VOE 14214906

Сальник

1шт.

18

VOE 14214907

Back-up ring

1шт.

19

VOE 14214916

Клапан

1шт.

2

VOE 14214912

Guide

1шт.

20

VOE 14253555

Protection

1шт.

3

VOE 14211223

14211223

1шт.

4

VOE 14214913

Face Sealing

1шт.

5

VOE 14211225

Кольцо уплотнительное (О-кольцо)

1шт.

6

VOE 952011

Spring pin

1шт.

7

VOE 14212355

Tube Plug

1шт.

8

VOE 14214915

Вилка

1шт.

9

VOE 13970973

Винт шестигранник

1шт.

9

VOE 13970973

Винт шестигранник

1шт.

Выбрано товаров: 23