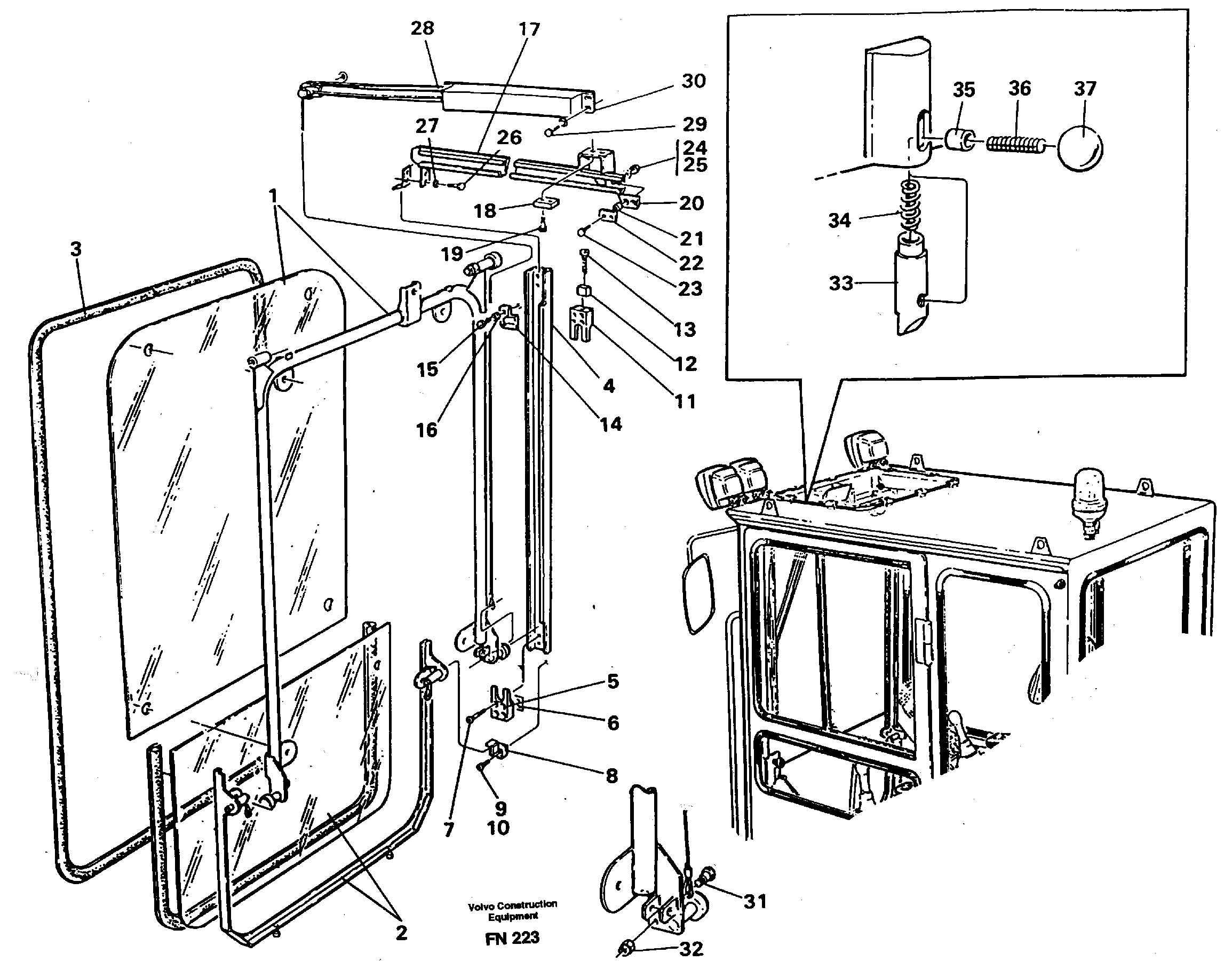
Запчасти Volvo EC150C 56288 Front window, Lifting device EC150C ?KERMAN ?KERMAN EC150C SER NO - 253

Схема запчастей Volvo EC150C - 56288 Front window, Lifting device EC150C ?KERMAN ?KERMAN EC150C SER NO - 253
FIT
1:1
100%

Артикул

Название

Примечание

Количество

10

VOE 955893

Шайба

1шт.

10

VOE 955893

Шайба

1шт.

11

VOE 14246366

Fork

1шт.

12

VOE 14213417

Damper

1шт.

13

VOE 14014817

Болт

1шт.

13

VOE 14014817

Болт

1шт.

14

VOE 14245075

Lock lug

RH

1шт.

14

VOE 14245074

Lock lug

LH

1шт.

15

VOE 955269

Винт шестигранник

1шт.

15

VOE 955269

Винт шестигранник

1шт.

16

VOE 955893

Шайба

1шт.

16

VOE 955893

Шайба

1шт.

17

VOE 14245096

Направляющая

RH

1шт.

17

VOE 14245097

Направляющая

LH

1шт.

18

VOE 14244026

14244026

1шт.

19

VOE 14213034

Болт

1шт.

20

VOE 14245090

Stop

1шт.

21

VOE 14245092

Вставка

1шт.

21

VOE 14245092

Вставка

1шт.

22

VOE 14245091

Шайба

1шт.

23

VOE 14213034

Болт

1шт.

24

VOE 955893

Шайба

1шт.

24

VOE 955893

Шайба

1шт.

25

VOE 13963105

Lock nut

1шт.

25

VOE 13963105

Lock nut

1шт.

26

VOE 14213032

Болт

1шт.

26

VOE 14213032

Болт

1шт.

27

VOE 14213416

Шайба

1шт.

27

VOE 14213416

Шайба

1шт.

29

VOE 959187

Hex. socket screw

1шт.

29

VOE 959187

Винт шестигранник (торцевой ключ)

1шт.

3

VOE 14211216

Clamping strip

L = 4600mm

1шт.

3

VOE 14211216

Clamping strip

L = 4600mm

1шт.

30

VOE 13940090

Шайба

1шт.

30

VOE 13940090

Шайба

1шт.

31

VOE 14243632

Болт

1шт.

32

VOE 13963105

Lock nut

1шт.

32

VOE 13963105

Lock nut

1шт.

33

VOE 14243946

Lock plunger

1шт.

34

VOE 14233686

Compression spring

1шт.

34

VOE 14233686

Compression spring

1шт.

35

VOE 14237010

Вставка

1шт.

36

VOE 14211799

установочный винт

1шт.

37

VOE 940344

Handle ball

1шт.

37

VOE 940344

Handle ball

1шт.

4

VOE 14246364

Направляющая

1шт.

5

VOE 14246365

Fork

1шт.

6

VOE 14246389

Вставка

1шт.

7

VOE 969739

Болт

L = 30mm

1шт.

7

VOE 13977628

Болт

L = 25mm

1шт.

7

VOE 13977628

Винт шестигранник (торцевой ключ)

L = 25mm

1шт.

8

VOE 14246387

Lock lug

RH

1шт.

8

VOE 14246388

Lock lug

LH

1шт.

9

VOE 955269

Винт шестигранник

1шт.

9

VOE 955269

Винт шестигранник

1шт.

Выбрано товаров: 55