Запчасти Volvo EC150C 41065 Картер маховика EC150C SER NO 254-

Схема запчастей Volvo EC150C - 41065 Картер маховика EC150C SER NO 254-
FIT
1:1
100%

Артикул

Название

Примечание

Количество

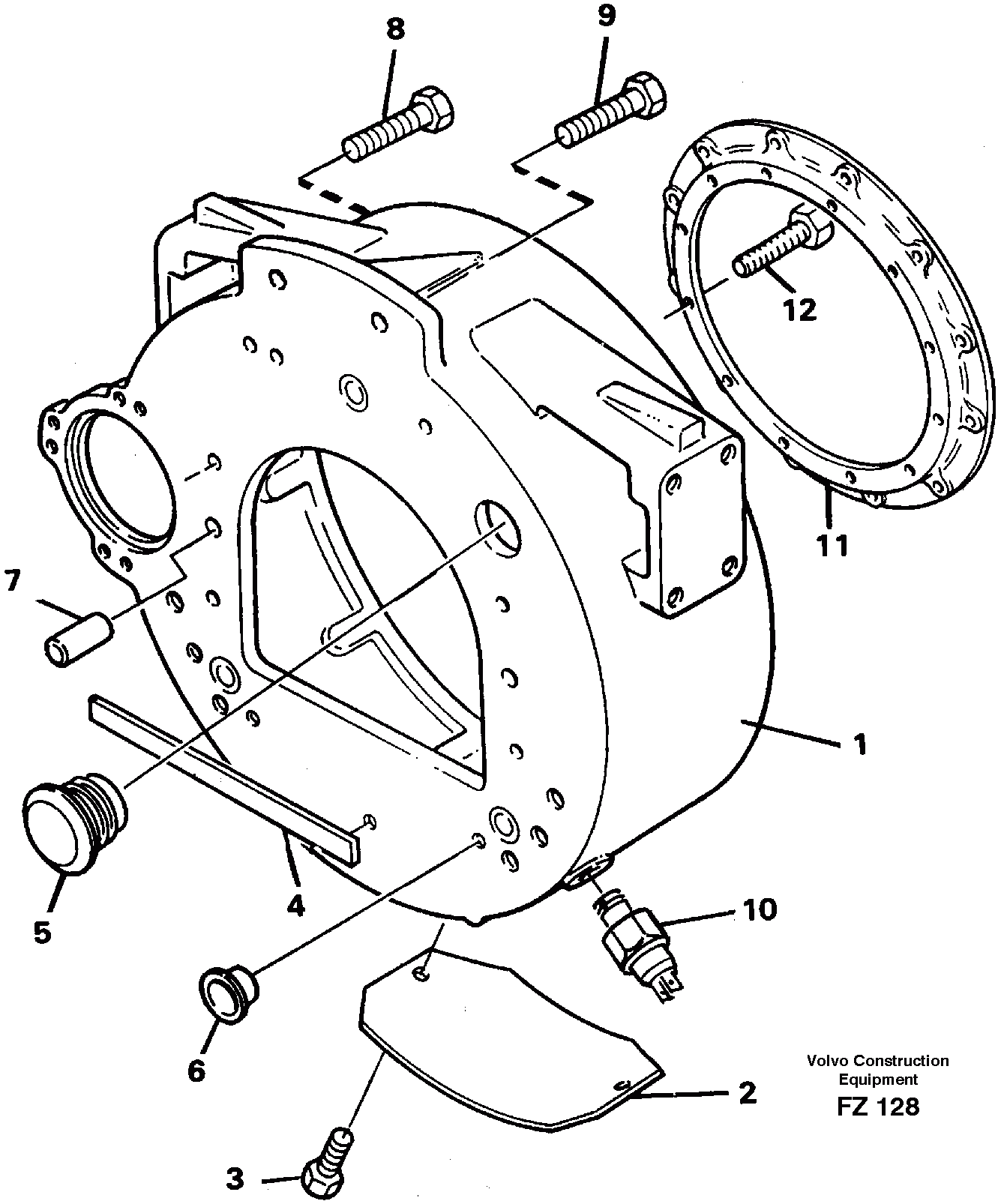
1

VOE 11997942

Картер маховика

1шт.

10

VOE 11039362

Induction sensor

1шт.

10

VOE 11039362

Induction sensor

1шт.

11

VOE 11997258

Adapter ring

1шт.

12

VOE 946329

Flange screw

1шт.

12

VOE 946329

Flange screw

1шт.

3

VOE 11703608

Болт

1шт.

4

VOE 6211401

Прокладка

1шт.

5

VOE 11709238

Пробка (заглушка)

1шт.

6

VOE 11997935

Пробка (заглушка)

1шт.

7

VOE 483449

483449

1шт.

8

VOE 11701723

Болт

1шт.

9

VOE 13965191

Screw

1шт.

9

VOE 13965191

Болт

1шт.

Выбрано товаров: 14