Запчасти Volvo EC150C 46788 Travel valve bloc EC150C SER NO 254-

Схема запчастей Volvo EC150C - 46788 Travel valve bloc EC150C SER NO 254-
FIT
1:1
100%

Артикул

Название

Примечание

Количество

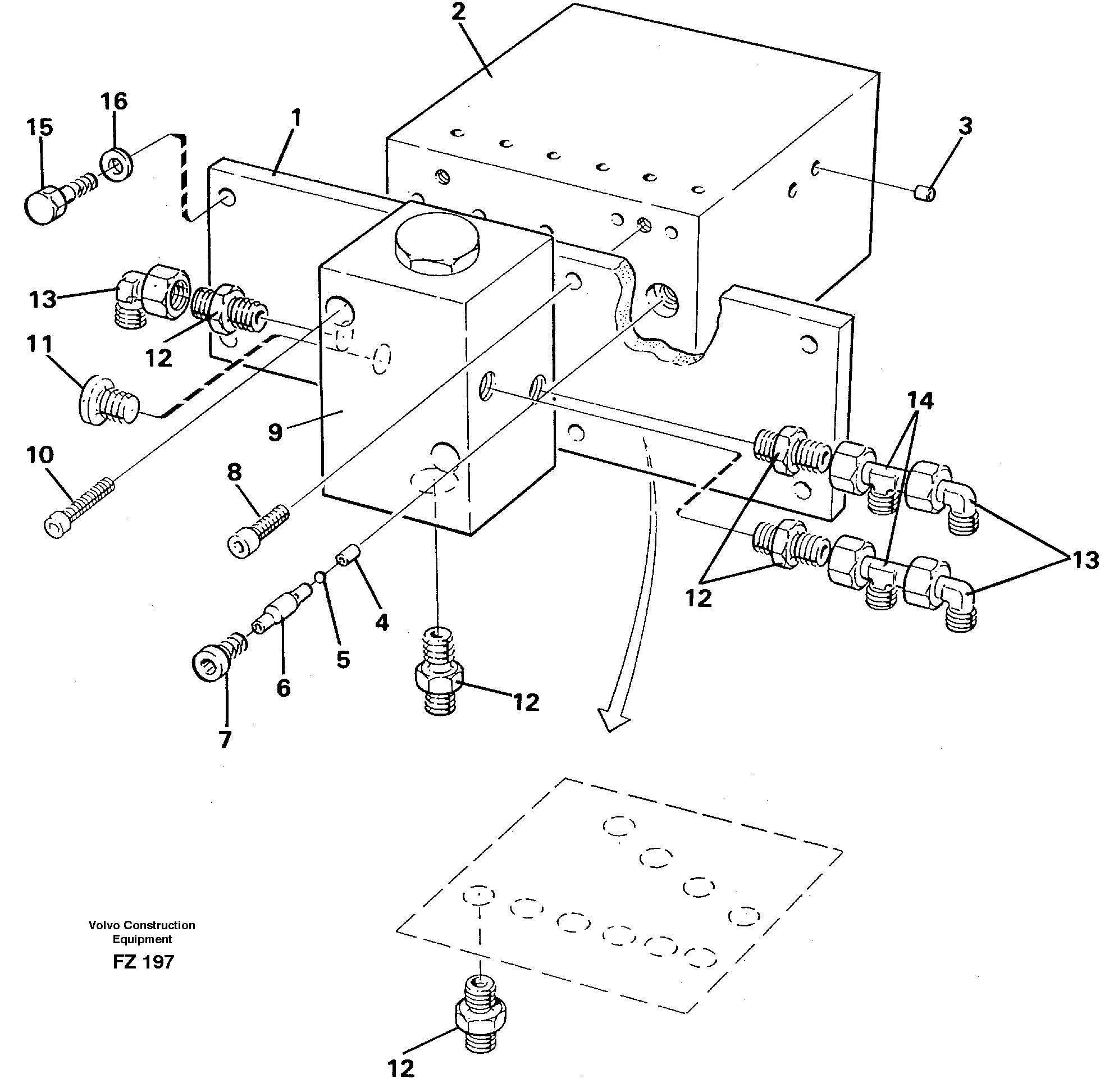
VOE 14261203

Valve body

1шт.

VOE 14261190

Картер (корпус)

1шт.

1

VOE 14246002

Attachment

1шт.

10

VOE 942314

Allen Hd Screw

1шт.

11

VOE 14023407

Пробка (заглушка)

1шт.

11

VOE 14023407

Пробка (заглушка)

1шт.

12

VOE 14012413

14012413

1шт.

13

VOE 14012391

14012391

1шт.

14

VOE 14012383

14012383

1шт.

15

VOE 959226

Allen Hd Screw

1шт.

16

VOE 13955894

Шайба

1шт.

16

VOE 13955894

Шайба

1шт.

2

VOE 14286528

Картер (корпус)

1шт.

3

VOE 14212578

Sealing plug

1шт.

3

VOE 14212578

Sealing plug

1шт.

4

VOE 14286643

Seat

1шт.

5

VOE 190611

Ball

1шт.

6

VOE 14286644

Seat

1шт.

7

VOE 14023406

Tube Plug

1шт.

8

VOE 959220

Allen Hd Screw

1шт.

Выбрано товаров: 20