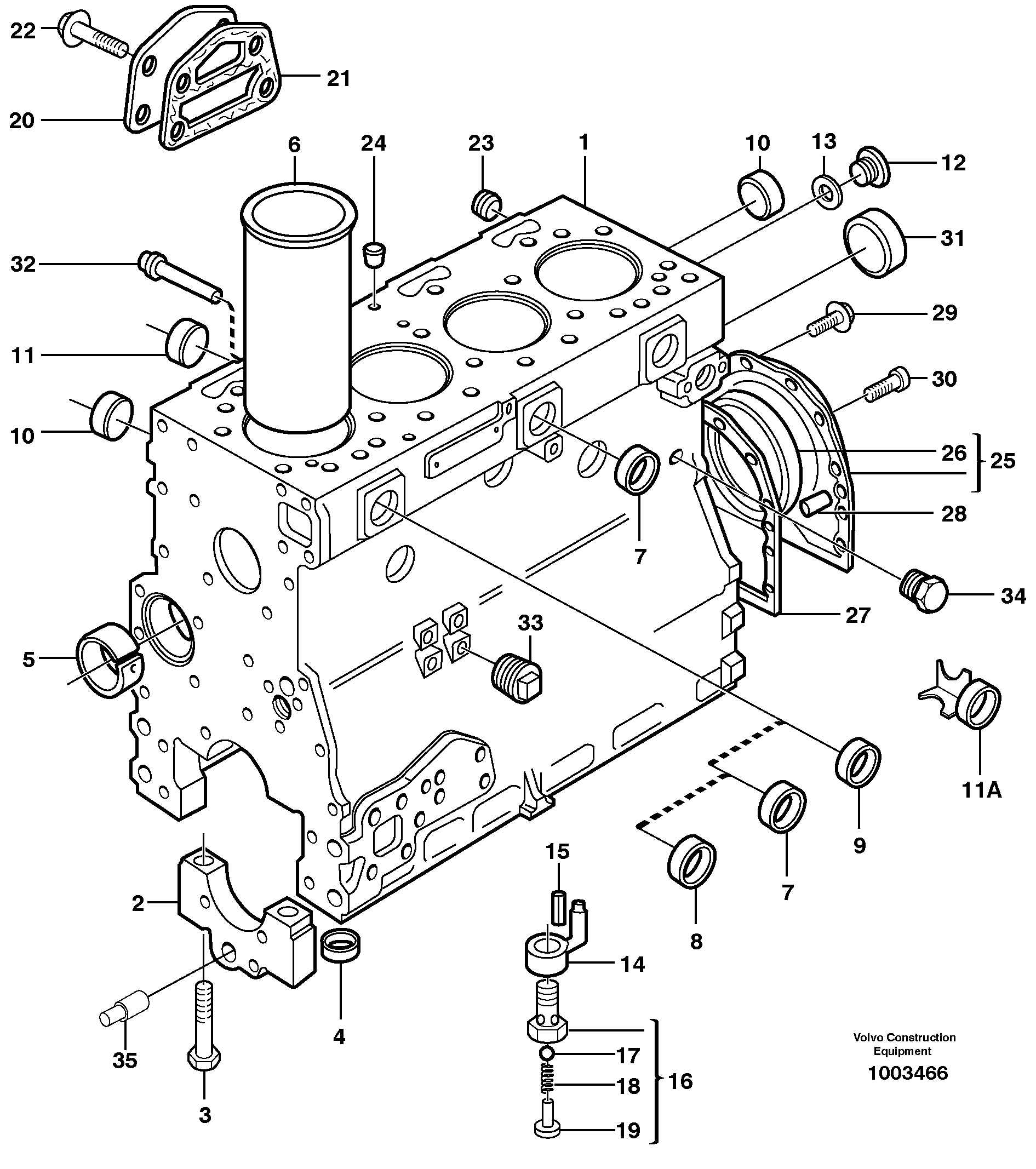
Запчасти Volvo EC160 34800 Блок цилиндров EC160 SER NO 1001-

Схема запчастей Volvo EC160 - 34800 Блок цилиндров EC160 SER NO 1001-
FIT
1:1
100%

Артикул

Название

Примечание

Количество

VOE 11709507

Crankshaft seal

ENG U176357H -

1шт.

VOE 11709508

Wear sleeve

ENG U176357H -

1шт.

1

VOE 11704870

Блок цилиндров

1шт.

10

VOE 11997807

Пробка (заглушка)

1шт.

11

VOE 3976594

Пробка (заглушка)

1шт.

11A

VOE 11709818

Пробка (заглушка)

ENG U201724H -

1шт.

12

VOE 11997843

Пробка (заглушка)

1шт.

13

VOE 11997810

Шайба

1шт.

14

VOE 11714691

Nozzle

1шт.

15

VOE 11997816

Dowel

1шт.

16

VOE 11997817

Клапан

1шт.

17

VOE 11997818

Ball

1шт.

18

VOE 11997819

Пружина

1шт.

19

VOE 11997820

Тарелка клапана

1шт.

20

VOE 11700781

Крышка

1шт.

20

VOE 11700781

Пластина

1шт.

21

VOE 11998009

Прокладка

1шт.

21

VOE 11998009

Прокладка

1шт.

22

VOE 11998031

Болт

1шт.

23

VOE 968147

Пробка (заглушка)

1шт.

24

VOE 483645

Пробка (заглушка)

1шт.

25

VOE 11998999

Крышка

ENG - U176356H

1шт.

26

VOE 6212971

Кольцо уплотнительное

1шт.

27

VOE 11706327

Прокладка

1шт.

27

VOE 11706327

Прокладка

1шт.

28

VOE 480219

480219

1шт.

29

VOE 13946173

Screw

1шт.

29

VOE 13946173

Болт

1шт.

3

VOE 6210370

Болт

1шт.

30

VOE 11997812

Болт

1шт.

31

VOE 3976749

Пробка (заглушка)

1шт.

32

VOE 11997808

Пробка (заглушка)

1шт.

33

VOE 7016325

Пробка (заглушка)

1шт.

33

VOE 7016325

Пробка (заглушка)

1шт.

34

VOE 482291

Пробка (заглушка)

1шт.

35

VOE 11988321

Вал

1шт.

4

VOE 483302

Guide sleeve

1шт.

5

VOE 3976506

Втулка

1шт.

7

VOE 483898

Пробка (заглушка)

1шт.

8

VOE 11700782

Пробка (заглушка)

1шт.

9

VOE 11997805

Пробка (заглушка)

1шт.

Выбрано товаров: 41