Запчасти Volvo EC160 38771 Hydraulic cylinder, quick attachment EC160 SER NO 1001-

Схема запчастей Volvo EC160 - 38771 Hydraulic cylinder, quick attachment EC160 SER NO 1001-
FIT
1:1
100%

Артикул

Название

Примечание

Количество

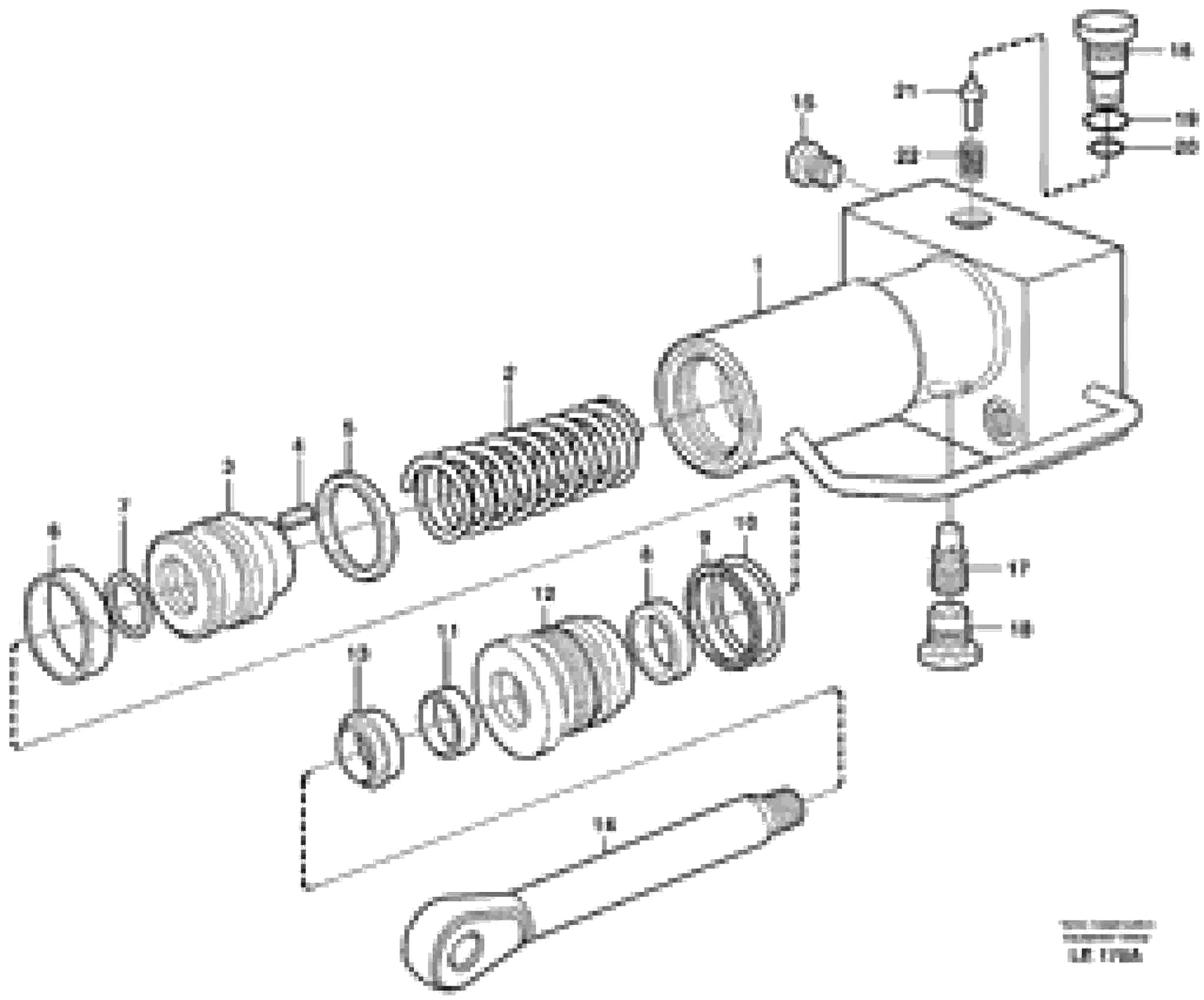
VOE 11714180

Sealing kit

1шт.

VOE 14372353

цилиндр

1шт.

10

VOE 11707592

Кольцо уплотнительное (О-кольцо)

1шт.

11

VOE 11714180

Sealing kit

1шт.

13

VOE 11707588

11707588

1шт.

15

VOE 14023407

Пробка (заглушка)

1шт.

15

VOE 14023407

Пробка (заглушка)

1шт.

17

VOE 11707596

Non-return valve

1шт.

18

VOE 14023409

Пробка (заглушка)

1шт.

18

VOE 14023409

Пробка (заглушка)

1шт.

19

VOE 11707599

Кольцо уплотнительное (О-кольцо)

1шт.

2

VOE 14244218

Compression spring

1шт.

2

VOE 14244218

Пружина

1шт.

20

VOE 11707597

Кольцо уплотнительное (О-кольцо)

1шт.

21

VOE 11707598

Valve peg

1шт.

22

VOE 11707600

Compression spring

1шт.

5

VOE 11707593

Piston seal

1шт.

6

VOE 11714180

Sealing kit

1шт.

7

VOE 11714180

Sealing kit

1шт.

8

VOE 11707590

Уплотнение штока поршня

1шт.

9

VOE 11707591

Кольцо

1шт.

Выбрано товаров: 21