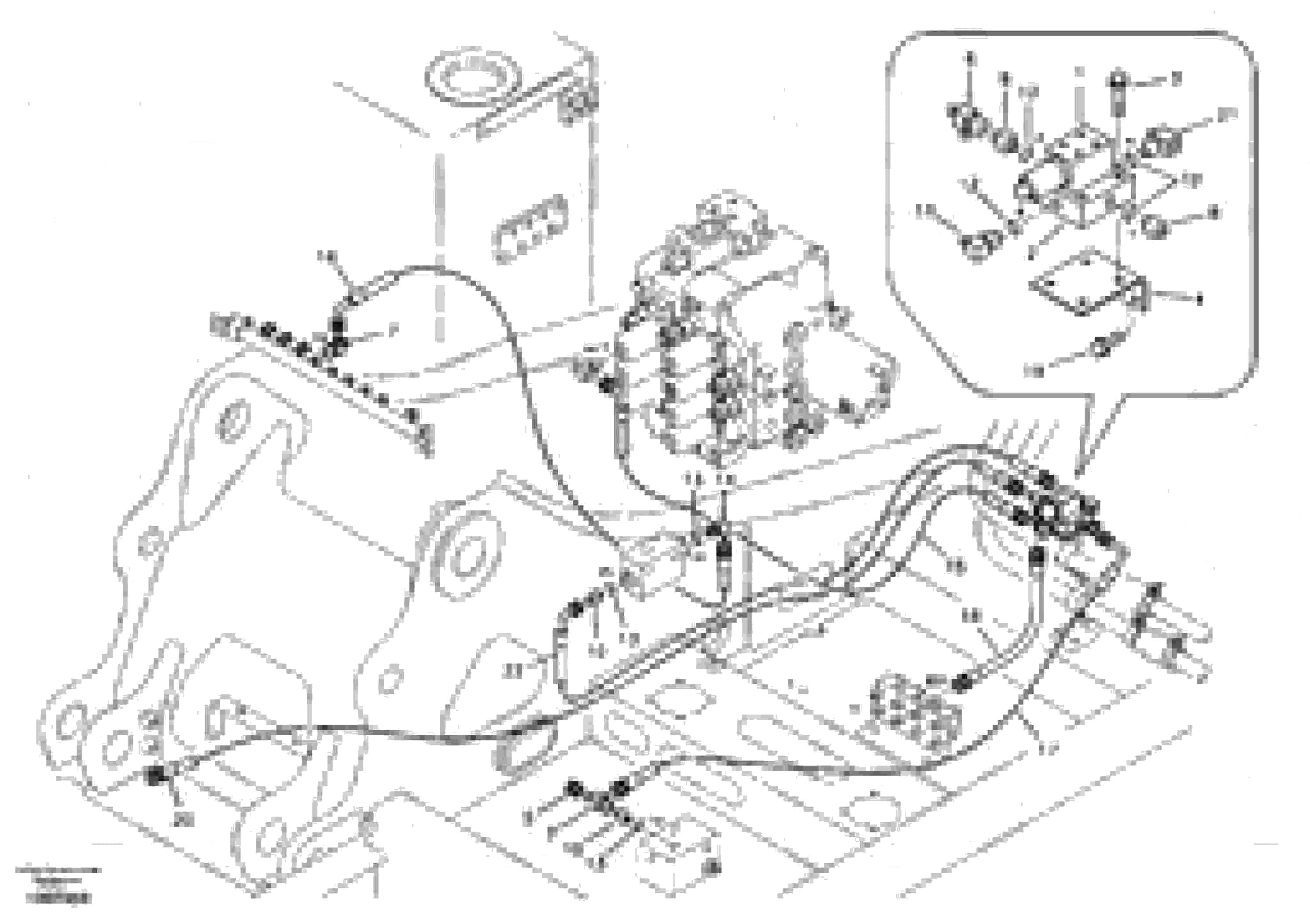
Запчасти Volvo EC160B 79433 Servo system, control valve to solenoid valve EC160B

Схема запчастей Volvo EC160B - 79433 Servo system, control valve to solenoid valve EC160B
FIT
1:1
100%

Артикул

Название

Примечание

Количество

1

VOE 14515002

Встроенный клапан в сборе

1шт.

10

SA 9412-11130

Соединитель

1шт.

11

SA 9413-11160

Elbow

1шт.

12

SA 9511-12011

Кольцо уплотнительное (О-кольцо)

1шт.

13

SA 9511-12014

Кольцо уплотнительное (О-кольцо)

1шт.

14

SA 9413-11170

Elbow

1шт.

15

SA 9453-03225

Шланг

1шт.

15

SA 9453-03225

Hose assembly

1шт.

16

SA 9453-02230

Hose assembly

1шт.

17

SA 9453-02225

Hose assembly

1шт.

18

SA 9451-03209

Шланг

1шт.

19

VOE 946329

Flange screw

1шт.

19

VOE 946329

Flange screw

1шт.

2

SA 1040-65471

Пластина

1шт.

20

SA 9451-03254

Шланг

1шт.

21

VOE 14516947

Tee

1шт.

22

SA 9453-02232

Hose assembly

1шт.

22

SA 9453-02232

Hose assembly

1шт.

3

VOE 965176

Flange screw

1шт.

3

VOE 965176

Болт

1шт.

4

VOE 14515003

Кронштейн

1шт.

5

SA 9411-93390

Пробка (заглушка)

1шт.

6

SA 9411-91310

T-nipple

1шт.

6

SA 9411-91310

T-nipple

1шт.

7

SA 9411-95440

Tee

1шт.

8

SA 9412-11020

Соединитель

1шт.

9

SA 1048-10530

Соединитель

1шт.

9

SA 1048-10530

Соединитель

1шт.

Выбрано товаров: 0