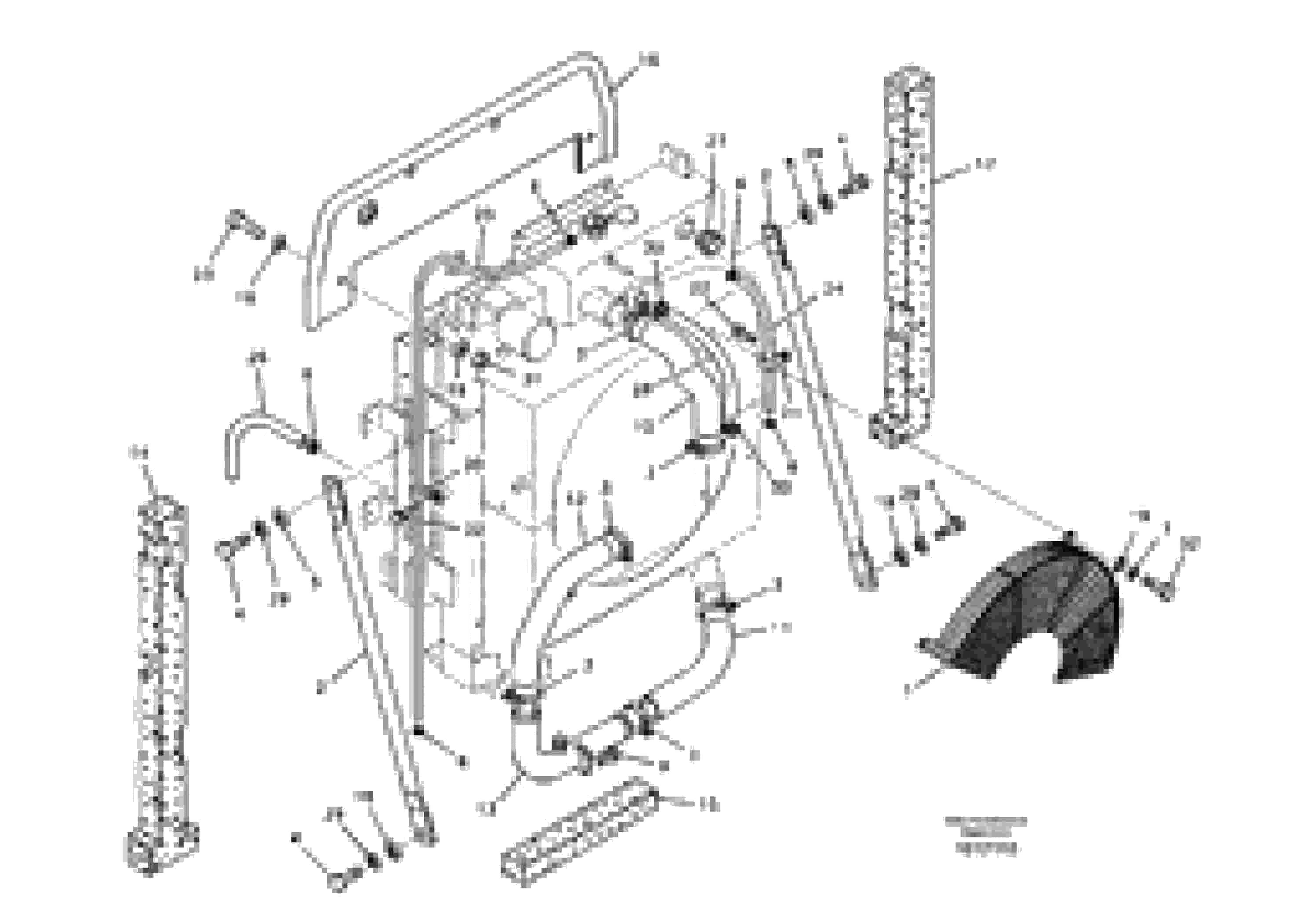
Запчасти Volvo EC180B 6083 Система охлаждения EC180B

Схема запчастей Volvo EC180B - 6083 Система охлаждения EC180B
FIT
1:1
100%

Артикул

Название

Примечание

Количество

VOE 14881506

Зажим

SER NO 10170-

1шт.

VOE 14881506

Зажим

SER NO 10170-

1шт.

VOE 14548949

Трубка

SER NO 10284-

1шт.

VOE 14881164

Шланг

SER NO 10110-

1шт.

VOE 14881164

Шланг

SER NO 10110-

1шт.

VOE 983241

Винт шестигранник

SER NO 10170-

1шт.

VOE 983241

Винт шестигранник

SER NO 10170-

1шт.

1

VOE 14519704

Guard

1шт.

10

VOE 14518223

Шланг

1шт.

11

VOE 14518222

Шланг

1шт.

11

VOE 14518222

Шланг

1шт.

12

VOE 14518224

Шланг

1шт.

13

VOE 14515772

Трубка

SER NO 10001-10283

1шт.

14

VOE 14518225

Sponge

1шт.

15

VOE 14515776

Sponge

1шт.

16

VOE 14519703

Пластина

1шт.

17

VOE 14518226

Sponge

1шт.

18

VOE 14532477

Шайба

1шт.

18

VOE 14532477

Шайба

1шт.

19

SA 9211-08000

Шайба

1шт.

19

SA 9211-08000

Шайба

1шт.

2

VOE 14515809

Опора

1шт.

20

SA 9315-01801

Скоба (хомут)

1шт.

21

SA 9315-01401

Insulating clip

1шт.

21

SA 9315-01401

Скоба (хомут)

1шт.

22

VOE 946471

Flange screw

1шт.

22

VOE 946471

Flange screw

1шт.

23

VOE 983242

Винт шестигранник

1шт.

23

VOE 983242

Болт

1шт.

24

VOE 14881148

Шланг

1шт.

25

VOE 14881154

Шланг

1шт.

26

VOE 14881160

Шланг

1шт.

27

VOE 14506388

Gauge

1шт.

28

VOE 14881163

Шланг

SER NO 10001-10109

1шт.

29

VOE 955923

Шайба пружинная

1шт.

29

VOE 955923

Шайба пружинная

1шт.

3

SA 9312-10250

Зажим

SER NO 10001-10169

1шт.

30

SA 9312-10175

Зажим

1шт.

31

VOE 983303

Гайка

1шт.

31

VOE 983303

Hexagon nut

1шт.

32

VOE 983242

Винт шестигранник

SER NO 10001-10169

1шт.

32

VOE 983242

Болт

SER NO 10001-10169

1шт.

4

VOE 978932

Болт

1шт.

4

VOE 978932

Винт шестигранник

1шт.

5

SA 9211-12000

Шайба

1шт.

5

SA 9211-12000

Шайба

1шт.

6

SA 9312-00004

Зажим

1шт.

7

VOE 955921

Шайба пружинная

SER NO 10001-10169

1шт.

7

VOE 955921

Шайба пружинная

SER NO 10001-10169

1шт.

8

SA 9312-00005

Зажим

1шт.

9

VOE 946441

Flange screw

1шт.

9

VOE 946441

Flange screw

1шт.

Выбрано товаров: 52