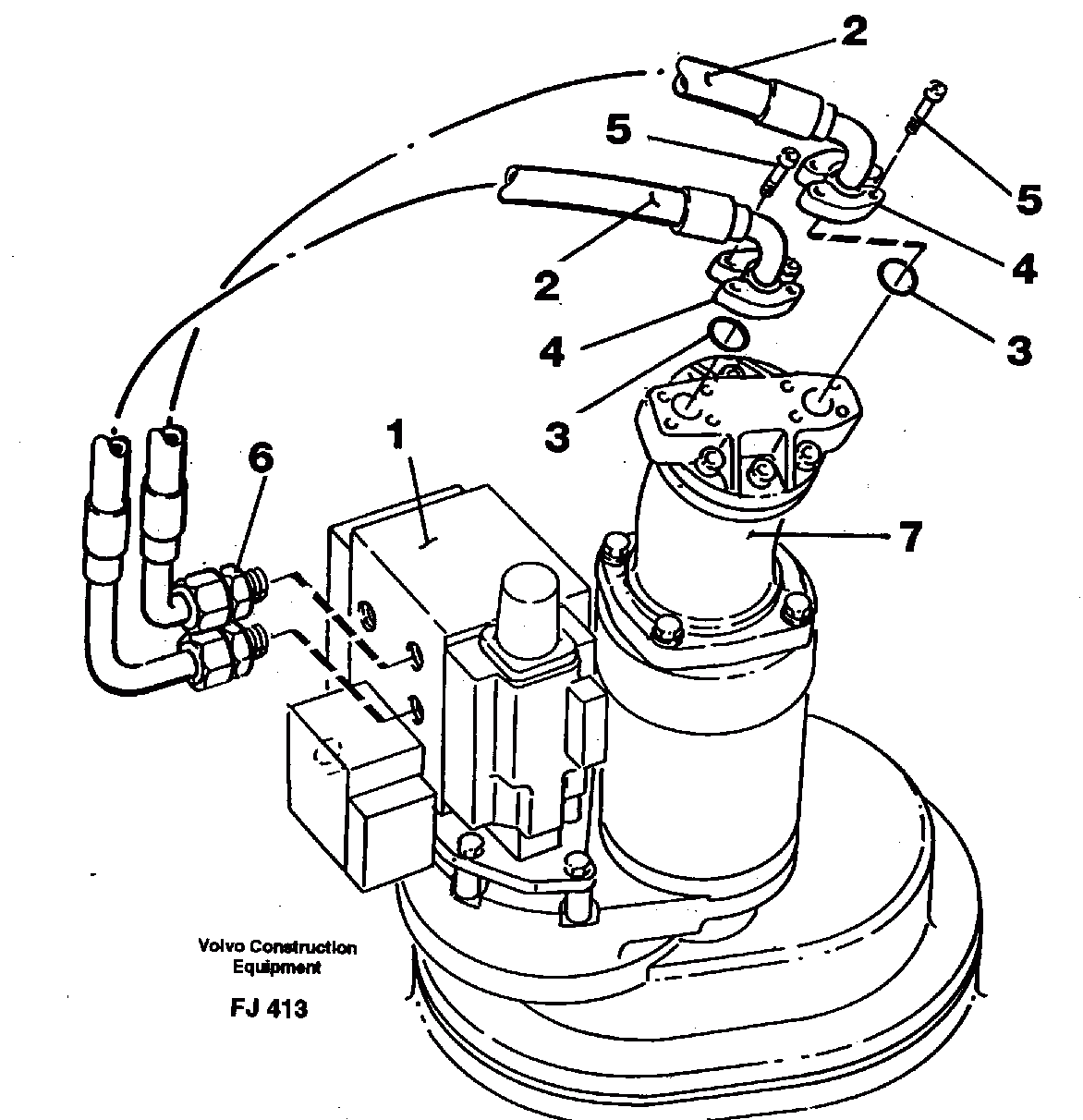
Запчасти Volvo EC200 89164 Boom swing system EC200 ?KERMAN ?KERMAN EC200

Схема запчастей Volvo EC200 - 89164 Boom swing system EC200 ?KERMAN ?KERMAN EC200
FIT
1:1
100%

Артикул

Название

Примечание

Количество

2

VOE 14255691

Hydraulic hose

1шт.

3

VOE 990742

Кольцо уплотнительное (О-кольцо)

1шт.

3

VOE 990742

Кольцо уплотнительное (О-кольцо)

1шт.

4

VOE 935312

Flange half

1шт.

4

VOE 935312

Flange half

1шт.

5

VOE 959240

Allen Hd Screw

1шт.

6

VOE 14012432

14012432

1шт.

Выбрано товаров: 7