Запчасти Volvo EC200 106286 Float position valve EC200 ?KERMAN ?KERMAN EC200

Схема запчастей Volvo EC200 - 106286 Float position valve EC200 ?KERMAN ?KERMAN EC200
FIT
1:1
100%

Артикул

Название

Примечание

Количество

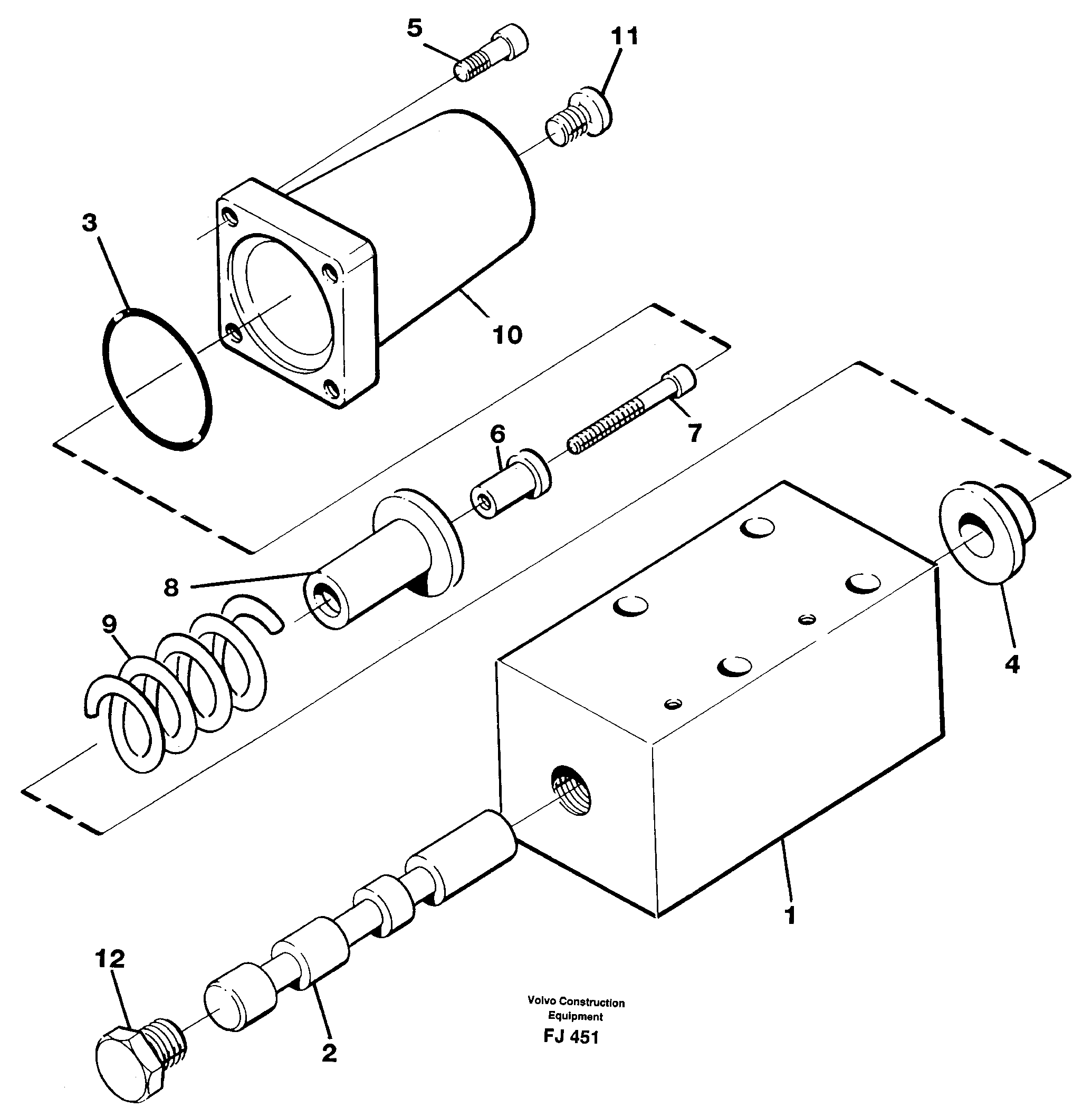
VOE 14250344

Float Position Valve

1шт.

1

VOE 14048685

Valve housing

1шт.

10

VOE 14048554

Крышка

1шт.

11

VOE 14023407

Пробка (заглушка)

1шт.

11

VOE 14023407

Пробка (заглушка)

1шт.

12

VOE 14012515

Rdc Bushing

1шт.

2

VOE 14250133

Slide

1шт.

3

VOE 977016

Кольцо уплотнительное (О-кольцо)

1шт.

4

VOE 14236506

Spring disc

1шт.

5

VOE 959223

Allen Hd Screw

1шт.

6

VOE 14048553

Вставка

1шт.

7

VOE 959241

Винт шестигранник (торцевой ключ)

1шт.

8

VOE 14048551

Spring disc

1шт.

9

VOE 14048552

Compression spring

1шт.

Выбрано товаров: 14