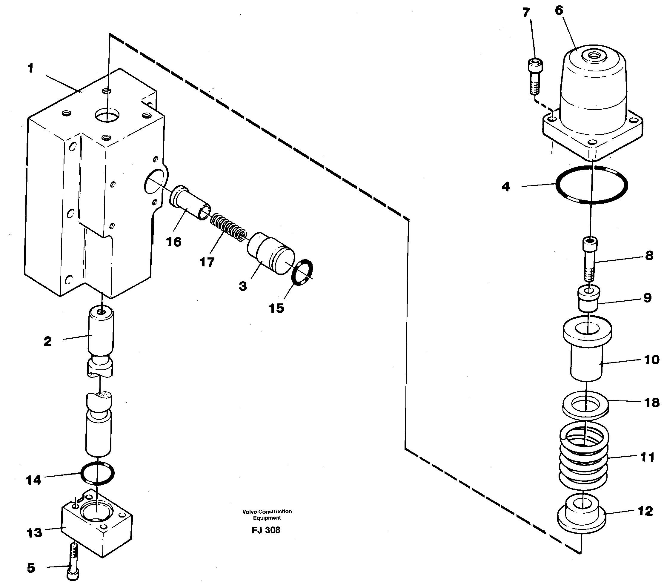
Запчасти Volvo EC200 99170 Four-way valve, dipper secondary EC200 ?KERMAN ?KERMAN EC200

Схема запчастей Volvo EC200 - 99170 Four-way valve, dipper secondary EC200 ?KERMAN ?KERMAN EC200
FIT
1:1
100%

Артикул

Название

Примечание

Количество

VOE 14238671

Directional Valve

1шт.

VOE 14266571

Directional Valve

1шт.

VOE 14266563

Slide

1шт.

1

VOE 14259278

Valve housing

1шт.

10

VOE 977016

Кольцо уплотнительное (О-кольцо)

1шт.

11

VOE 959223

Allen Hd Screw

1шт.

12

VOE 14048555

Крышка

1шт.

13

VOE 925063

Кольцо уплотнительное (О-кольцо)

1шт.

13

VOE 925063

Кольцо уплотнительное (О-кольцо)

1шт.

14

VOE 13941747

Болт

1шт.

14

VOE 13941747

Болт

1шт.

15

VOE 14048556

Valve peg

1шт.

16

VOE 14040429

Compression spring

1шт.

16

VOE 14040429

Compression spring

1шт.

17

VOE 14048558

Guide

1шт.

18

VOE 13960170

Кольцо уплотнительное (О-кольцо)

1шт.

18

VOE 13960170

Кольцо уплотнительное (О-кольцо)

1шт.

2

VOE 14249651

Slide

1шт.

3

VOE 14236506

Spring disc

1шт.

4

VOE 14048552

Compression spring

1шт.

5

VOE 14054632

Шайба

1шт.

6

VOE 14048551

Spring disc

1шт.

7

VOE 14048553

Вставка

1шт.

8

VOE 959241

Винт шестигранник (торцевой ключ)

1шт.

9

VOE 14048554

Крышка

1шт.

Выбрано товаров: 25