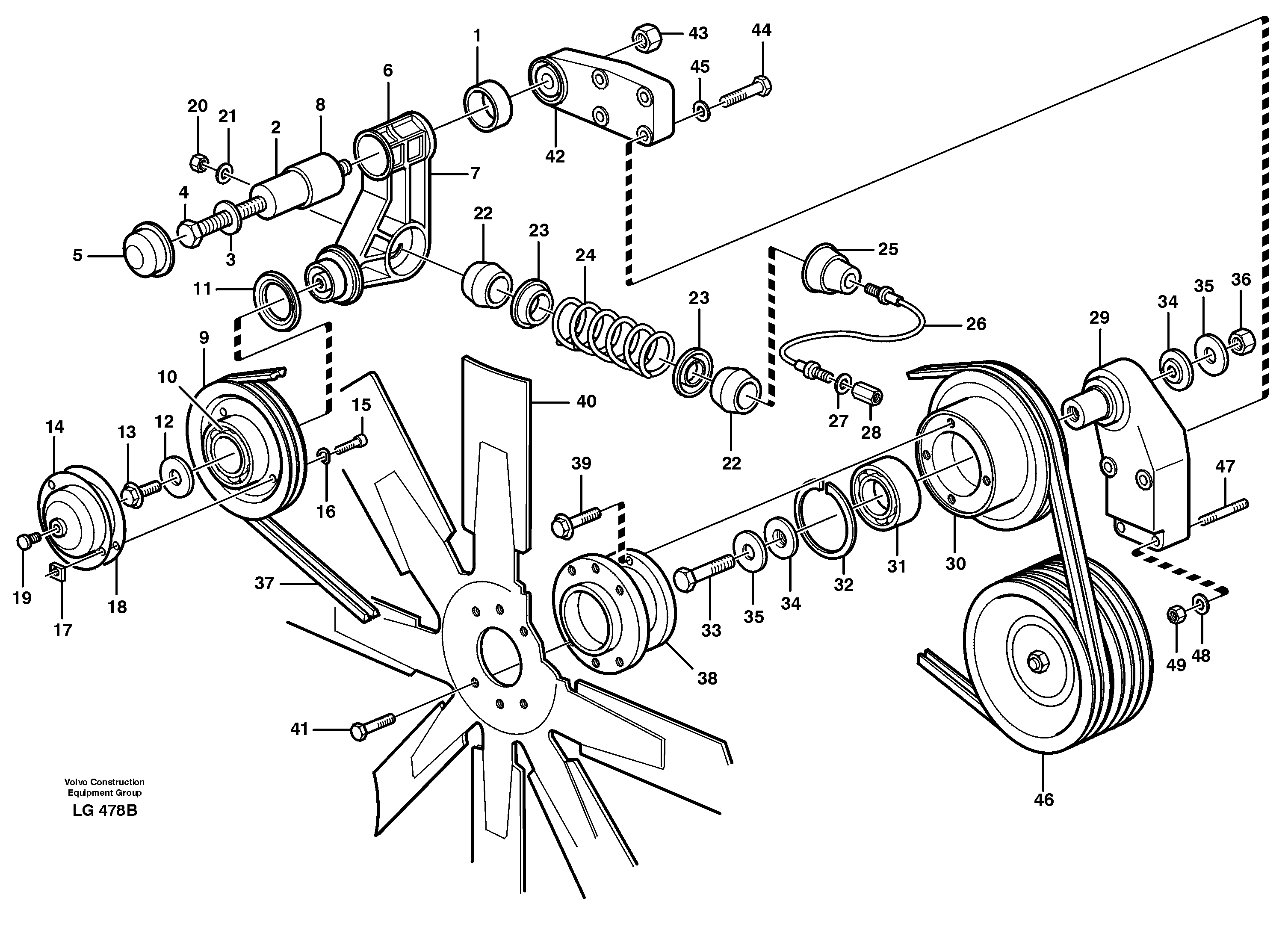
Запчасти Volvo EC200 38704 Fan and installation components EC200 SER NO 2760-

Схема запчастей Volvo EC200 - 38704 Fan and installation components EC200 SER NO 2760-
FIT
1:1
100%

Артикул

Название

Примечание

Количество

VOE 11030543

Tension Pulley

1шт.

VOE 11030669

Кронштейн

1шт.

VOE 11030669

Fan bracket

1шт.

VOE 479973

Шпилька

L=80 MM

1шт.

VOE 17378

Шпилька

L=170 MM

1шт.

1

VOE 471321

Кольцо уплотнительное

1шт.

1

VOE 471321

Кольцо уплотнительное

1шт.

10

VOE 181286

Ball bearing

1шт.

10

VOE 181286

Ball bearing

1шт.

11

VOE 968823

Protecting plate

1шт.

11

VOE 968823

Protecting plate

1шт.

12

VOE 947354

Шайба

1шт.

12

VOE 947354

Шайба

1шт.

13

VOE 968534

Flange screw

1шт.

13

VOE 968534

Flange screw

1шт.

14

VOE 11030516

Крышка

1шт.

14

VOE 11030516

Крышка

1шт.

15

VOE 942000

Hex. socket screw

1шт.

15

VOE 942000

Винт шестигранник (торцевой ключ)

1шт.

16

VOE 955919

Шайба пружинная

1шт.

16

VOE 955919

Шайба пружинная

1шт.

17

VOE 945535

Pierce nut

1шт.

17

VOE 945535

Pierce nut

1шт.

18

VOE 11030519

Прокладка

1шт.

18

VOE 11030519

Прокладка

1шт.

19

VOE 479979

Пробка (заглушка)

1шт.

2

VOE 471317

Вал

1шт.

2

VOE 471317

Вал

1шт.

20

VOE 13955781

Гайка

1шт.

20

VOE 13955781

Гайка

1шт.

21

VOE 976943

Шайба

1шт.

21

VOE 976943

Шайба

1шт.

22

VOE 1134962

Втулка

1шт.

22

VOE 1134962

Втулка

1шт.

23

VOE 471323

Spring guide

1шт.

23

VOE 471323

Spring guide

1шт.

24

VOE 4772193

Compression spring

1шт.

24

VOE 4772193

Compression spring

1шт.

25

VOE 471325

Spring anchorage

1шт.

25

VOE 471325

Spring anchorage

1шт.

26

VOE 477312

Cable

1шт.

26

VOE 477312

Cable

1шт.

27

VOE 955892

Шайба

1шт.

27

VOE 955892

Шайба

1шт.

28

VOE 421541

Гайка

1шт.

28

VOE 421541

Гайка

1шт.

29

VOE 11030668

11030668

1шт.

3

VOE 13960145

Шайба

1шт.

3

VOE 13960145

Шайба

1шт.

30

VOE 11030667

Шкив

1шт.

31

VOE 1660115

Ball bearing

1шт.

32

VOE 914532

Кольцо стопорное

1шт.

32

VOE 914532

Retaining ring

1шт.

33

VOE 13970959

Винт шестигранник

1шт.

33

VOE 13970959

Винт шестигранник

1шт.

34

VOE 4772122

Шайба

1шт.

35

VOE 947541

Шайба

1шт.

35

VOE 947541

Шайба

1шт.

36

VOE 971071

Hexagon nut

1шт.

36

VOE 971071

Hexagon nut

1шт.

37

VOE 966847

Ремень клиновой (приводной)

1шт.

37

VOE 966847

Ремень клиновой (приводной)

1шт.

38

VOE 4775341

Ступица

1шт.

39

VOE 946671

Flange screw

1шт.

39

VOE 946671

Flange screw

1шт.

4

VOE 13970983

Винт шестигранник

1шт.

4

VOE 13970983

Винт шестигранник

1шт.

40

VOE 4775342

Fan wheel

1шт.

41

VOE 13945444

Болт

1шт.

41

VOE 13945444

Screw

1шт.

42

VOE 4772116

Anchorage

1шт.

43

VOE 13971072

Hexagon nut

1шт.

43

VOE 13971072

Hexagon nut

1шт.

44

VOE 13965216

Болт

1шт.

44

VOE 13965216

Болт

1шт.

45

VOE 13955894

Шайба

1шт.

45

VOE 13955894

Шайба

1шт.

47

VOE 479971

Шпилька

L=40 MM

1шт.

48

VOE 976945

Шайба

1шт.

48

VOE 976945

Шайба

1шт.

49

VOE 13971095

Flange nut

1шт.

49

VOE 13971095

Flange nut

1шт.

5

VOE 471889

Protecting casing

1шт.

5

VOE 471889

Protecting casing

1шт.

6

VOE 11030542

Belt tensioner

1шт.

6

VOE 11030542

Belt tensioner

1шт.

7

VOE 471886

Lever

1шт.

8

VOE 477160

Slide bearing

1шт.

8

VOE 477160

Slide bearing

1шт.

9

VOE 11030524

Шкив

1шт.

9

VOE 11030524

Шкив

1шт.

Выбрано товаров: 91