Запчасти Volvo EC200 74435 Гидробак EC200 SER NO 2760-

Схема запчастей Volvo EC200 - 74435 Гидробак EC200 SER NO 2760-
FIT
1:1
100%

Артикул

Название

Примечание

Количество

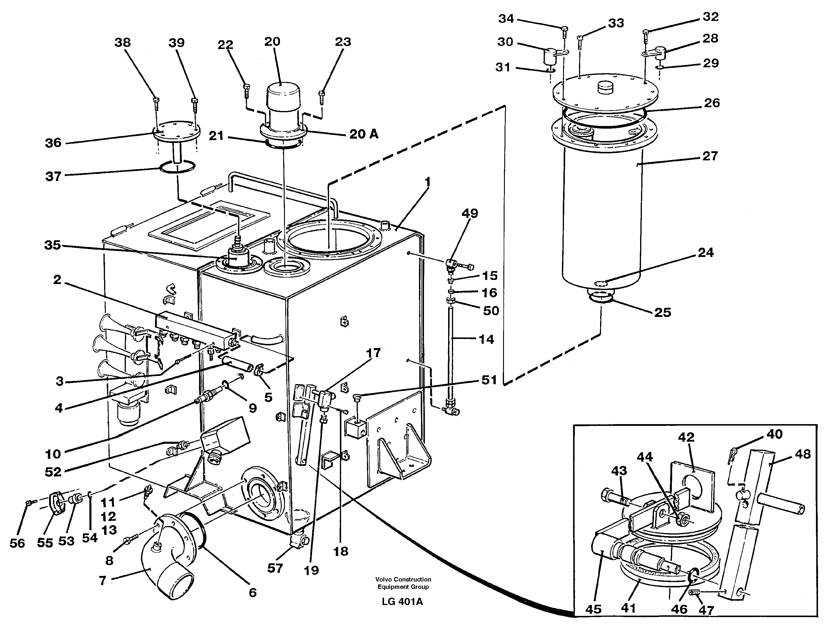
VOE 14341211

Connector

1шт.

VOE 14341211

Соединитель

1шт.

10

VOE 14215396

Level guard

1шт.

10

VOE 14215396

Level guard

1шт.

11

VOE 14016986

Sensor

1шт.

11

VOE 14016986

Sensor

1шт.

12

VOE 14043512

Болт

1шт.

12

VOE 14043512

Болт

1шт.

13

VOE 14024151

Sealant

1шт.

13

VOE 14024151

Sealant

1шт.

14

VOE 14013482

Polyamid Tube

1шт.

15

VOE 14012507

Insert pipe

1шт.

16

VOE 956968

Ferrule

1шт.

16

VOE 956968

Ferrule

1шт.

17

VOE 14012893

Microswitch

1шт.

17

VOE 14012893

Microswitch

1шт.

18

VOE 14014818

Болт

1шт.

19

VOE 14213261

Reducer

1шт.

2

VOE 14256180

Terminal block

1шт.

20

VOE 14267423

Aeration filter

SER NO 2487-

1шт.

20

VOE 14267423

Aeration filter

SER NO 2487-

1шт.

20

VOE 14340356

Фильтр топливный

SER NO -2486

1шт.

20A

VOE 14341682

Крышка

SER NO 2487-

1шт.

21

VOE 14012329

Кольцо уплотнительное (О-кольцо)

1шт.

21

VOE 14012329

Кольцо уплотнительное (О-кольцо)

1шт.

22

VOE 13955295

Болт

SER NO -2486

1шт.

22

VOE 13955295

Болт

SER NO -2486

1шт.

22

VOE 13955295

Болт

SER NO 2487-

1шт.

22

VOE 13955295

Болт

SER NO 2487-

1шт.

23

VOE 14048873

Болт

1шт.

24

VOE 925071

Кольцо уплотнительное (О-кольцо)

1шт.

24

VOE 925071

Кольцо уплотнительное (О-кольцо)

1шт.

25

VOE 925076

Кольцо уплотнительное (О-кольцо)

1шт.

25

VOE 925076

Кольцо уплотнительное (О-кольцо)

1шт.

26

VOE 14012358

Кольцо уплотнительное (О-кольцо)

1шт.

26

VOE 14012358

Кольцо уплотнительное (О-кольцо)

1шт.

27

VOE 14230366

Фильтр топливный

1шт.

27

VOE 14230366

Filter

1шт.

28

VOE 14255244

Cap

1шт.

29

VOE 949658

Кольцо уплотнительное (О-кольцо)

1шт.

29

VOE 949658

Кольцо уплотнительное (О-кольцо)

1шт.

3

VOE 14023313

Болт

1шт.

30

VOE 14255243

Cap

1шт.

31

VOE 925064

Кольцо уплотнительное (О-кольцо)

1шт.

31

VOE 925064

Кольцо уплотнительное (О-кольцо)

1шт.

32

VOE 14048872

Болт

1шт.

33

VOE 14023245

Болт

1шт.

33

VOE 14023245

Болт

1шт.

34

VOE 940142

Винт шестигранник

1шт.

34

VOE 940142

Винт шестигранник

1шт.

35

VOE 14268262

Фильтр топливный

1шт.

35

VOE 14268262

Фильтр топливный

1шт.

36

VOE 14255698

Крышка

1шт.

37

VOE 14012329

Кольцо уплотнительное (О-кольцо)

1шт.

37

VOE 14012329

Кольцо уплотнительное (О-кольцо)

1шт.

38

VOE 13955295

Болт

1шт.

38

VOE 13955295

Болт

1шт.

39

VOE 14048873

Болт

1шт.

4

VOE 14256216

Шланг

1шт.

40

VOE 14042729

Spring pin

1шт.

40

VOE 14042729

Spring pin

1шт.

41

VOE 14052802

V-ring

1шт.

42

VOE 14048868

Hatch

1шт.

43

VOE 13970972

Винт шестигранник

1шт.

43

VOE 13970972

Винт шестигранник

1шт.

44

VOE 13971072

Hexagon nut

1шт.

44

VOE 13971072

Hexagon nut

1шт.

45

VOE 14048869

14048869

1шт.

46

VOE 925059

Кольцо уплотнительное (О-кольцо)

1шт.

46

VOE 925059

Кольцо уплотнительное (О-кольцо)

1шт.

47

VOE 14013979

Spring pin

1шт.

48

VOE 14255602

14255602

1шт.

49

VOE 14026430

Banjo fitting

1шт.

5

VOE 13943474

Hose clamp

1шт.

50

VOE 14012446

Гайка

1шт.

51

VOE 14023410

Tube Plug

1шт.

52

VOE 14012423

14012423

1шт.

53

VOE 14053003

Пробка (заглушка)

1шт.

53

VOE 14053003

Пробка (заглушка)

1шт.

54

VOE 13949238

Кольцо уплотнительное (О-кольцо)

1шт.

54

VOE 13949238

Кольцо уплотнительное (О-кольцо)

1шт.

55

VOE 14024055

Flange half

1шт.

55

VOE 14024055

Flange half

1шт.

56

VOE 14023268

Болт

1шт.

56

VOE 14023268

Болт

1шт.

57

VOE 11000127

Drain cock

1шт.

57

VOE 11000127

Drain cock

1шт.

6

VOE 925083

Кольцо уплотнительное (О-кольцо)

1шт.

6

VOE 925083

Кольцо уплотнительное (О-кольцо)

1шт.

7

VOE 14048975

Suction pipe

1шт.

8

VOE 13970948

Винт шестигранник

1шт.

8

VOE 13970948

Винт шестигранник

1шт.

9

VOE 925058

Кольцо уплотнительное (О-кольцо)

1шт.

9

VOE 925058

Кольцо уплотнительное (О-кольцо)

1шт.

Выбрано товаров: 94