Запчасти Volvo EC200B PRIME S/N 30001- 97549 Crankcase ventilation

Схема запчастей Volvo EC200B PRIME S/N 30001- - 97549 Crankcase ventilation
FIT
1:1
100%

Артикул

Название

Примечание

Количество

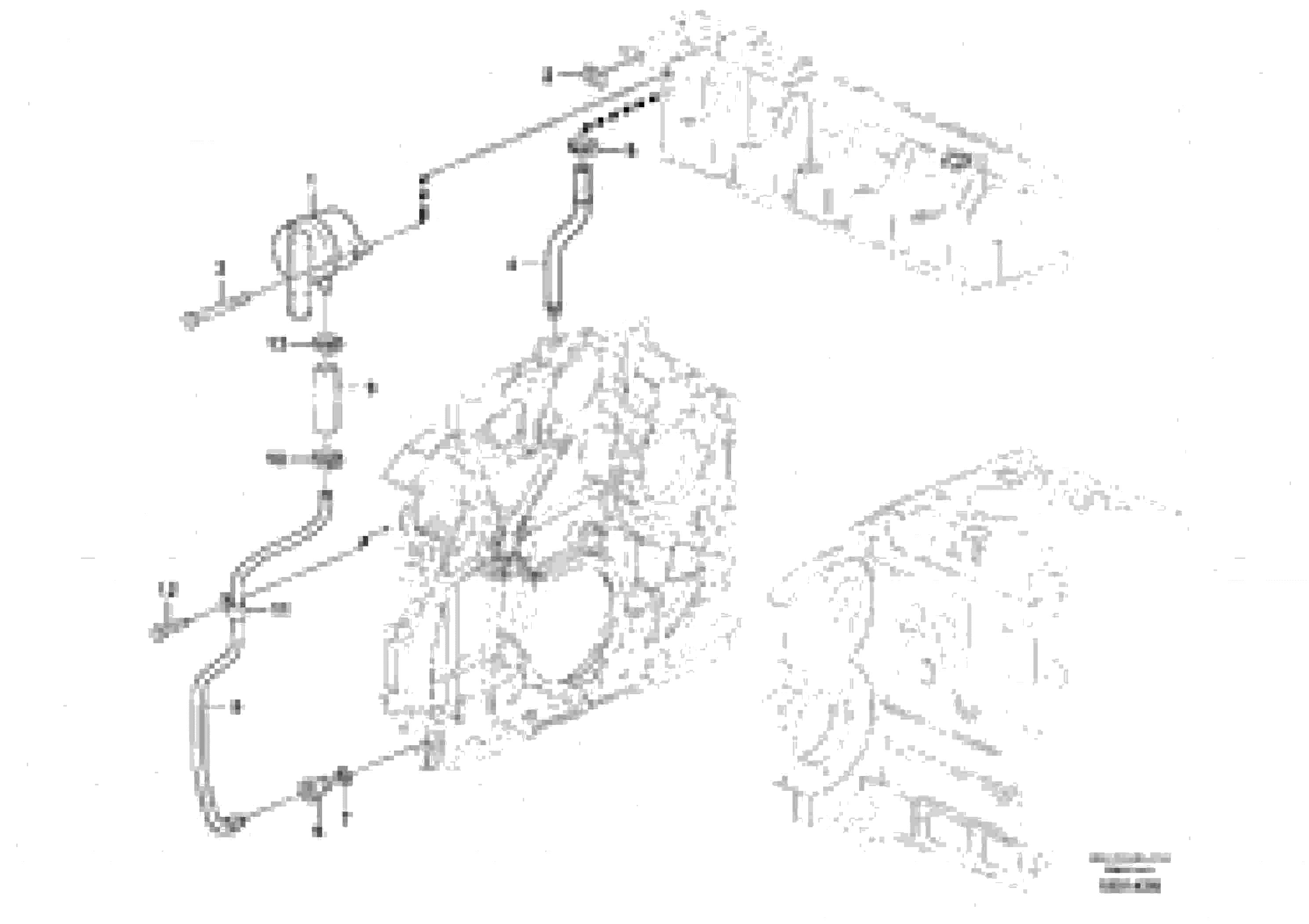
1

VOE 20930510

Регулятор давления

1шт.

10

VOE 20405568

Скоба (хомут)

1шт.

10

VOE 20405568

Скоба (хомут)

1шт.

11

VOE 20798831

Зажим

1шт.

12

VOE 20405729

Болт

1шт.

12

VOE 20405729

Болт

1шт.

13

VOE 20971607

Hose clamp

1шт.

13

VOE 20971607

Hose clamp

1шт.

2

VOE 21038626

Прокладка

1шт.

3

VOE 20405504

Болт

1шт.

3

VOE 20405504

Болт

1шт.

4

VOE 20798824

Return Line

1шт.

5

VOE 20799673

Hose Clamp

1шт.

6

VOE 20841133

Dtt Regulator

1шт.

7

VOE 20460026

Кольцо уплотнительное

1шт.

7

VOE 20460026

Кольцо уплотнительное

1шт.

8

VOE 20840219

Oil Return Pipe

1шт.

9

VOE 20799065

Rubber Sleeve

1шт.

Выбрано товаров: 18