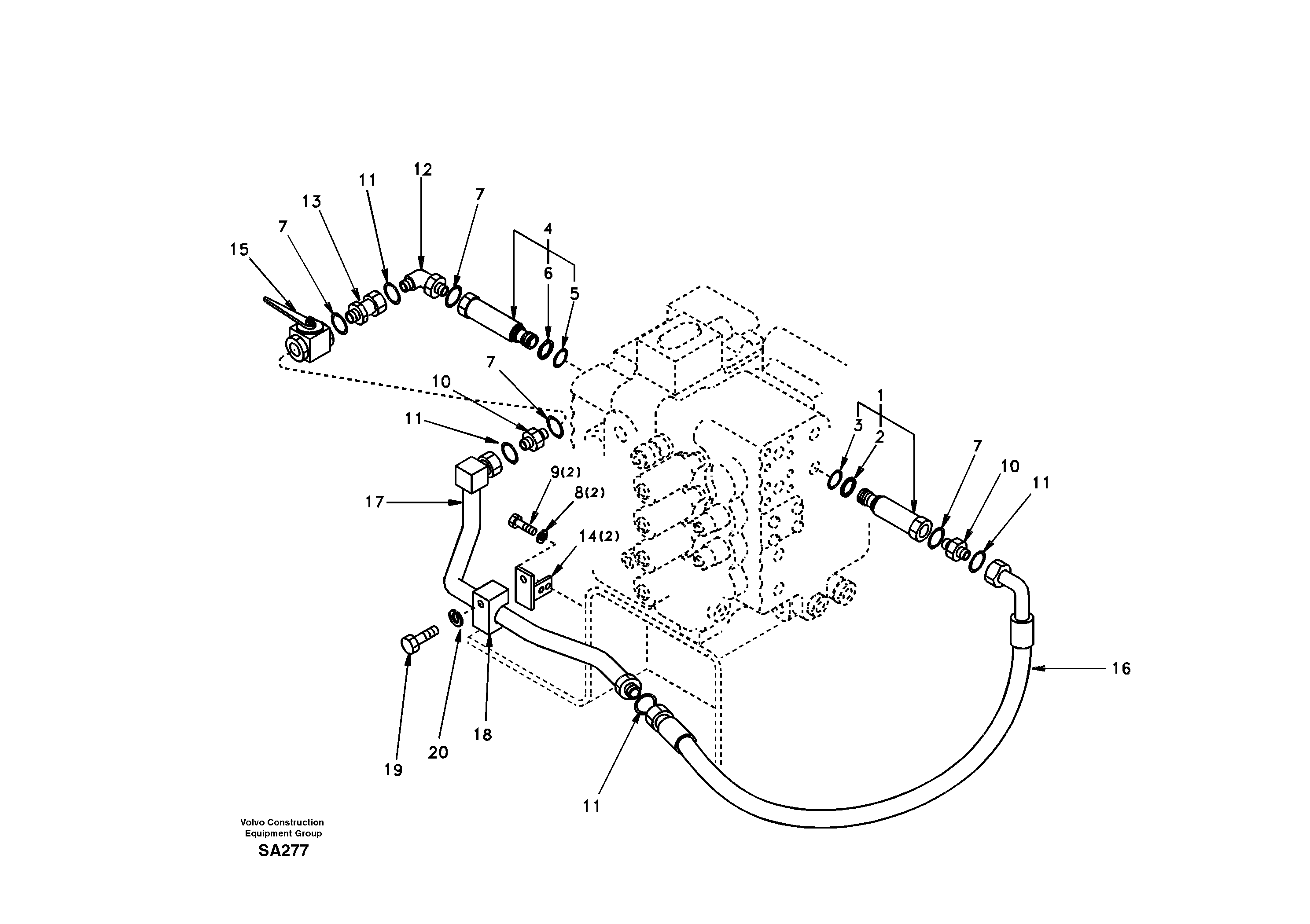
Запчасти Volvo EC210 5698 Working hydraulic, hammer and shear for 2nd pump flow EC210

Схема запчастей Volvo EC210 - 5698 Working hydraulic, hammer and shear for 2nd pump flow EC210
FIT
1:1
100%

Артикул

Название

Примечание

Количество

1

SA 7270-11220

Cap

1шт.

10

SA 9419-11040

Соединитель

1шт.

10

SA 9419-11040

Соединитель

1шт.

100

SA 7270-11250

Cap

1шт.

11

SA 9512-02018

Кольцо уплотнительное (О-кольцо)

1шт.

12

SA 9419-21030

Elbow

1шт.

12

SA 9419-21030

Elbow

1шт.

13

SA 9411-96050

Соединитель

1шт.

14

SA 1142-07870

Кронштейн

1шт.

15

SA 1074-07001

Клапан

1шт.

16

SA 9403-05614

Шланг

1шт.

17

SA 1142-07850

Трубка

1шт.

18

SA 9372-42835

Зажим

1шт.

19

SA 9011-21613

Винт шестигранник

1шт.

19

SA 9011-21613

Болт

1шт.

2

SA 9566-10260

Кольцо

1шт.

20

SA 9213-16000

Шайба пружинная

1шт.

3

SA 9511-12026

Кольцо уплотнительное (О-кольцо)

1шт.

3

SA 9511-12026

Кольцо уплотнительное (О-кольцо)

1шт.

4

SA 7270-11210

Cap

1шт.

5

SA 9511-12026

Кольцо уплотнительное (О-кольцо)

1шт.

5

SA 9511-12026

Кольцо уплотнительное (О-кольцо)

1шт.

6

SA 9566-10260

Кольцо

1шт.

7

SA 9511-12024

Кольцо уплотнительное (О-кольцо)

1шт.

8

SA 9213-12000

Шайба пружинная

1шт.

9

SA 9011-11007

Болт

1шт.

9

SA 9011-11007

Болт

1шт.

Выбрано товаров: 27