Запчасти Volvo EC210 49076 Swing system EC210

Схема запчастей Volvo EC210 - 49076 Swing system EC210
FIT
1:1
100%

Артикул

Название

Примечание

Количество

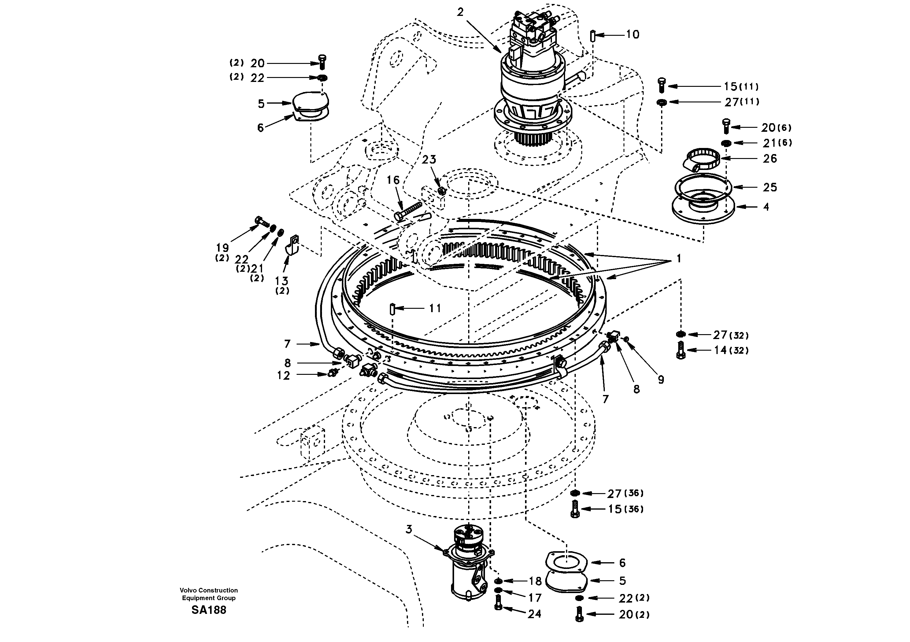
SA 8059-00060

Сальник

1шт.

1

SA 1155-00061

Swing Gear

1шт.

10

SA 1055-01342

Палец

1шт.

11

SA 1050-13840

Палец

1шт.

12

SA 9481-11003

Nipple

1шт.

13

SA 9315-01002

Скоба (хомут)

1шт.

13

SA 9315-01002

Insulating clip

1шт.

14

SA 9011-22020

Винт шестигранник

1шт.

14

SA 9011-22020

Болт

1шт.

15

SA 9011-22014

Болт

1шт.

16

SA 9011-22226

Болт

1шт.

16

SA 9011-22226

Винт шестигранник

1шт.

17

SA 9213-16000

Шайба пружинная

1шт.

18

SA 9211-16000

Шайба

1шт.

19

SA 9011-11003

Болт

1шт.

2

SA 7118-30000

Поворотный редуктор (Гидромотор поворота платформы)

1шт.

20

SA 9011-11004

Болт

1шт.

21

SA 9211-10000

Шайба

1шт.

21

SA 9211-10000

Шайба

1шт.

22

SA 9213-10000

Шайба пружинная

1шт.

23

SA 9111-12200

Гайка

1шт.

23

SA 9111-12200

Hexagon nut

1шт.

24

SA 9011-11610

Болт

1шт.

25

SA 1155-01130

Пластина

1шт.

25

SA 1155-01130

Пластина

1шт.

26

SA 9312-10600

Зажим

1шт.

26

SA 9312-10600

Screw clamp

1шт.

27

SA 9211-20000

Шайба

1шт.

3

SA 1146-00112

Шарнир поворотный

1шт.

4

SA 1155-01011

Сальник

1шт.

4

SA 1155-01011

Sealing

1шт.

5

SA 1050-62100

Крышка

1шт.

6

SA 1050-62110

Упаковка

1шт.

7

SA 1055-01530

Трубка

1шт.

8

SA 1050-14201

Elbow

1шт.

9

SA 9415-43012

Пробка (заглушка)

1шт.

Выбрано товаров: 36