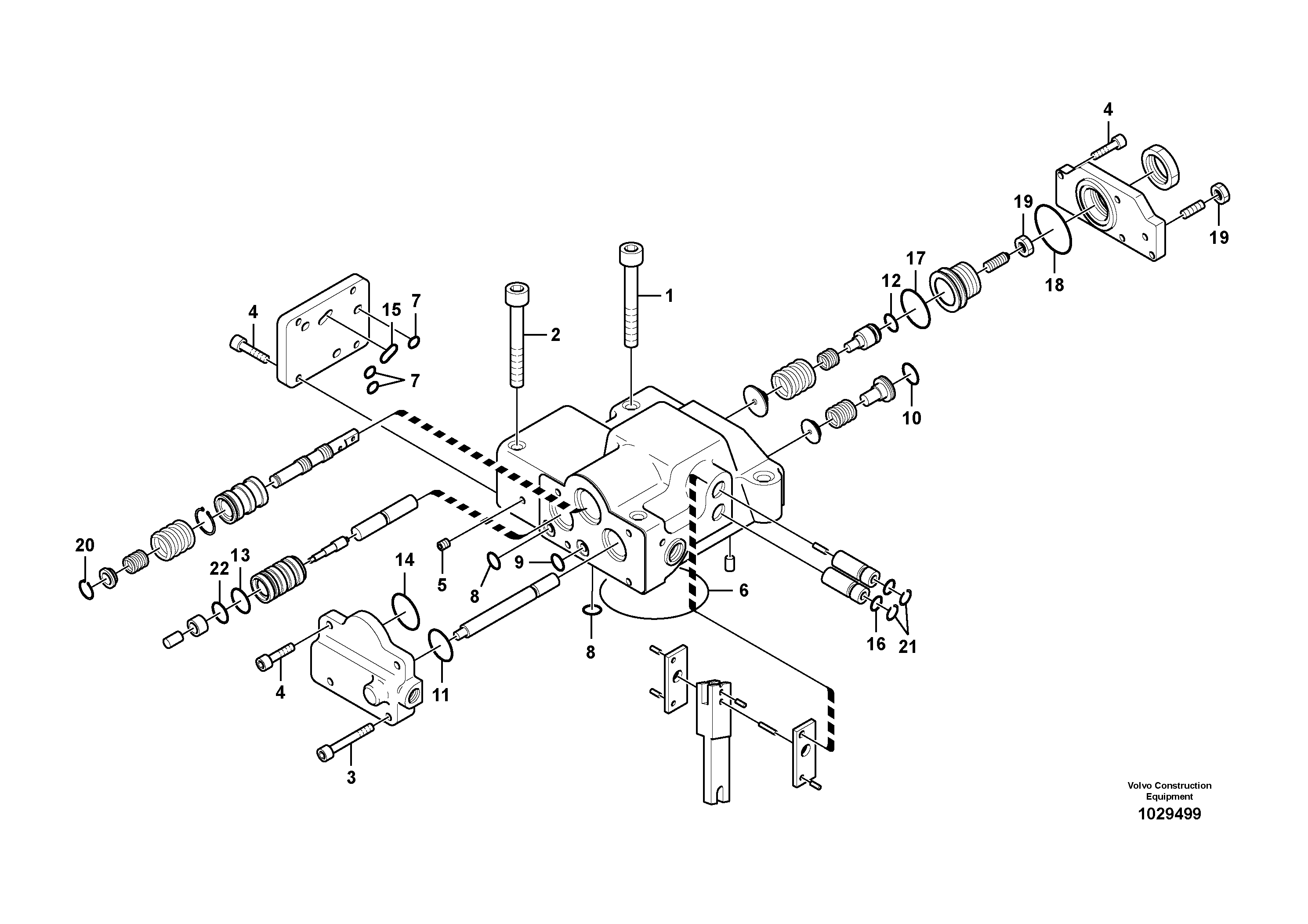
Запчасти Volvo EC210B 93763 Regulator, hydraulic pump EC210B PRIME S/N 70001-/80001- 35001-

Схема запчастей Volvo EC210B - 93763 Regulator, hydraulic pump EC210B PRIME S/N 70001-/80001- 35001-
FIT
1:1
100%

Артикул

Название

Примечание

Количество

VOE 14604267

Клапан

1шт.

1

SA 8230-25910

Винт шестигранник (торцевой ключ)

1шт.

1

SA 8230-25910

Болт

1шт.

10

VOE 14533609

Кольцо уплотнительное (О-кольцо)

1шт.

10

VOE 14533609

Кольцо уплотнительное (О-кольцо)

1шт.

100

VOE 14577815

Sealing

1шт.

11

VOE 14533611

Кольцо уплотнительное (О-кольцо)

1шт.

11

VOE 14533611

Кольцо уплотнительное (О-кольцо)

1шт.

12

VOE 14534053

Кольцо уплотнительное (О-кольцо)

1шт.

12

VOE 14534053

Кольцо уплотнительное (О-кольцо)

1шт.

13

VOE 14533610

Кольцо уплотнительное (О-кольцо)

1шт.

13

VOE 14533610

Кольцо уплотнительное (О-кольцо)

1шт.

14

VOE 14533614

Кольцо уплотнительное (О-кольцо)

1шт.

14

VOE 14533614

Кольцо уплотнительное (О-кольцо)

1шт.

15

VOE 14533607

Кольцо уплотнительное (О-кольцо)

1шт.

15

VOE 14533607

Кольцо уплотнительное (О-кольцо)

1шт.

16

VOE 14533606

Кольцо уплотнительное (О-кольцо)

1шт.

16

VOE 14533606

Кольцо уплотнительное (О-кольцо)

1шт.

17

VOE 14533613

Кольцо уплотнительное (О-кольцо)

1шт.

17

VOE 14533613

Кольцо уплотнительное (О-кольцо)

1шт.

18

VOE 14533615

Кольцо уплотнительное (О-кольцо)

1шт.

18

VOE 14533615

Кольцо уплотнительное (О-кольцо)

1шт.

19

SA 9113-10800

Гайка

1шт.

2

SA 8230-25920

Болт

1шт.

2

SA 8230-25920

Болт

1шт.

20

SA 8240-03680

Кольцо

1шт.

21

VOE 914503

Retaining ring

1шт.

21

VOE 914503

Кольцо стопорное

1шт.

22

VOE 14533608

Кольцо уплотнительное (О-кольцо)

1шт.

22

VOE 14533608

Кольцо уплотнительное (О-кольцо)

1шт.

3

SA 8230-25860

Болт

1шт.

4

SA 8230-25850

Болт

1шт.

4

SA 8230-25850

Болт

1шт.

5

VOE 14560637

Пробка (заглушка)

1шт.

5

VOE 14560637

Пробка (заглушка)

1шт.

6

VOE 14533616

Кольцо уплотнительное (О-кольцо)

1шт.

6

VOE 14533616

Кольцо уплотнительное (О-кольцо)

1шт.

7

VOE 14533603

Кольцо уплотнительное (О-кольцо)

1шт.

7

VOE 14533603

Кольцо уплотнительное (О-кольцо)

1шт.

8

VOE 14533604

Кольцо уплотнительное (О-кольцо)

1шт.

8

VOE 14533604

Кольцо уплотнительное (О-кольцо)

1шт.

9

VOE 14533605

Кольцо уплотнительное (О-кольцо)

1шт.

9

VOE 14533605

Кольцо уплотнительное (О-кольцо)

1шт.

Выбрано товаров: 43