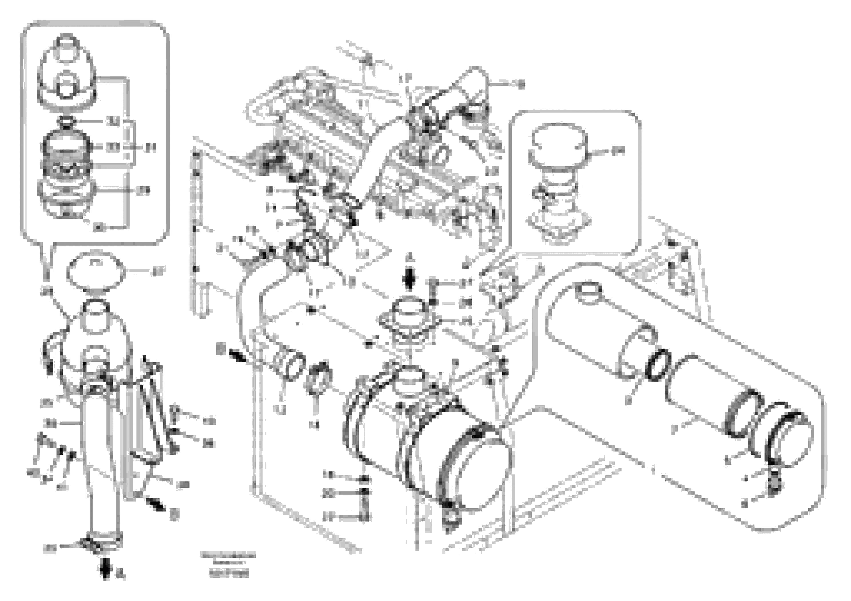
Запчасти Volvo EC210B 98917 Система впуска EC210B

Схема запчастей Volvo EC210B - 98917 Система впуска EC210B
FIT
1:1
100%

Артикул

Название

Примечание

Количество

VOE 14881080

Зажим

1шт.

VOE 14562269

Соединитель

1шт.

VOE 946173

Flange screw

1шт.

VOE 946173

Flange screw

1шт.

VOE 14530508

Кронштейн

SER NO 14171-

1шт.

VOE 11110213

Крышка

1шт.

VOE 11110213

Крышка

1шт.

VOE 14532129

Соединитель

SER NO 14375-

1шт.

VOE 14518258

Шланг

SER NO 14375-

1шт.

VOE 14881077

Impeller

1шт.

VOE 20565673

Vacuum switch

SER NO 16337-

1шт.

VOE 20565673

Vacuum switch

SER NO 16337-

1шт.

1

VOE 14510586

Air cleaner

1шт.

1

VOE 14510586

Air cleaner

1шт.

10

VOE 14510581

Соединитель

1шт.

11

VOE 14512396

Inlet hose

SER NO 10001-14374

1шт.

12

VOE 14512433

Inlet hose

1шт.

13

VOE 14516335

Соединитель

SER NO 10001-14374

1шт.

14

VOE 70314102

Vacuum switch

SER NO 10001-16336

1шт.

14

VOE 70314102

Vacuum switch

SER NO 10001-16336

1шт.

15

SA 9211-08000

Шайба

1шт.

15

SA 9211-08000

Шайба

1шт.

16

SA 9211-10000

Шайба

1шт.

16

SA 9211-10000

Шайба

1шт.

17

SA 9313-10425

Зажим

1шт.

17

SA 9313-10425

Clamping band

1шт.

18

SA 9313-10475

Зажим

1шт.

18

SA 9313-10475

Clamping band

1шт.

19

VOE 955921

Шайба пружинная

1шт.

19

VOE 955921

Шайба пружинная

1шт.

2

VOE 11110175

Фильтр топливный

1шт.

2

VOE 11110175

Фильтр топливный

1шт.

20

VOE 955922

Шайба пружинная

1шт.

20

VOE 955922

Шайба пружинная

1шт.

21

VOE 983242

Винт шестигранник

1шт.

21

VOE 983242

Болт

1шт.

22

VOE 983251

Винт шестигранник

1шт.

22

VOE 983251

Винт шестигранник

1шт.

23

VOE 968842

Flange screw

1шт.

23

VOE 968842

Flange screw

1шт.

24

VOE 14526930

Pre-cleaner

1шт.

24

VOE 14526930

Pre-cleaner

1шт.

25

VOE 14517568

Соединитель

1шт.

26

SA 9211-08000

Шайба

1шт.

26

SA 9211-08000

Шайба

1шт.

27

VOE 983242

Винт шестигранник

1шт.

27

VOE 983242

Болт

1шт.

28

VOE 14525450

Air cleaner

1шт.

28

VOE 14525450

Air cleaner

1шт.

29

VOE 14541423

Поддон картера (маслосборник)

1шт.

29

VOE 14541423

Поддон картера (маслосборник)

1шт.

3

VOE 11110176

Safety filter

1шт.

30

VOE 6634778

Latch

1шт.

30

VOE 6634778

Latch

1шт.

31

VOE 14541424

Insert

1шт.

31

VOE 14541424

Insert

1шт.

32

VOE 14541425

Прокладка

1шт.

32

VOE 14541425

Прокладка

1шт.

33

VOE 14541426

Прокладка

1шт.

33

VOE 14541426

Прокладка

1шт.

34

VOE 955923

Шайба пружинная

1шт.

34

VOE 955923

Шайба пружинная

1шт.

35

SA 9313-10475

Зажим

1шт.

35

SA 9313-10475

Clamping band

1шт.

36

SA 1012-00160

Шайба

1шт.

37

VOE 14525451

Rain cap

1шт.

37

VOE 14525451

Rain cap

1шт.

38

VOE 14525452

Кронштейн

SER NO 10001-14170

1шт.

39

VOE 14525453

Шланг

1шт.

39

VOE 14525453

Шланг

1шт.

4

VOE 11705909

Cover

1шт.

4

VOE 11705909

Крышка

1шт.

40

VOE 978932

Болт

1шт.

40

VOE 978932

Винт шестигранник

1шт.

41

SA 9211-12000

Шайба

1шт.

41

SA 9211-12000

Шайба

1шт.

5

VOE 11705910

Кольцо уплотнительное (О-кольцо)

1шт.

5

VOE 11705910

Кольцо уплотнительное (О-кольцо)

1шт.

6

VOE 11705911

Клапан

1шт.

6

VOE 11705911

Клапан

1шт.

7

VOE 14506431

Соединитель

1шт.

7

VOE 14506431

Соединитель

1шт.

8

VOE 949800

Шланг

1шт.

8

VOE 949800

Шланг

1шт.

9

VOE 14509568

Зажим

1шт.

Выбрано товаров: 85