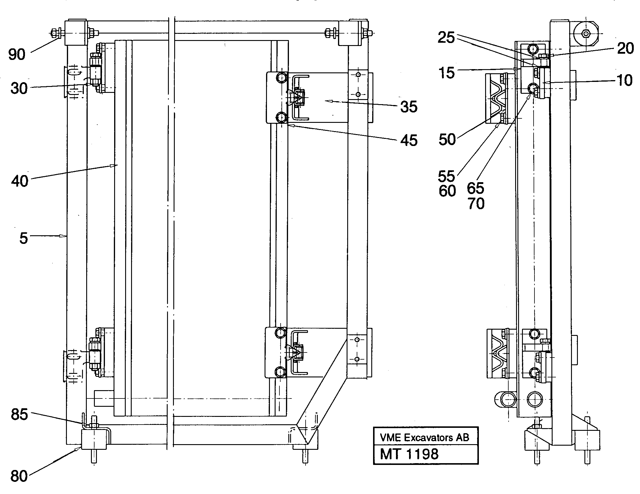
Запчасти Volvo EC230 ?KERMAN ?KERMAN EC230 SER NO - 4368 38158 Масляный радиатор

Схема запчастей Volvo EC230 ?KERMAN ?KERMAN EC230 SER NO - 4368 - 38158 Масляный радиатор
FIT
1:1
100%

Артикул

Название

Примечание

Количество

VOE 14254633

Oil cooler kit

1шт.

VOE 14254633

Oil cooler kit

1шт.

10

VOE 14254676

Hinge flange

1шт.

10

VOE 14254676

Hinge flange

1шт.

15

VOE 14254266

Hinge

1шт.

15

VOE 14254266

Hinge

1шт.

20

VOE 14014624

Болт

1шт.

25

VOE 14213476

Шайба

1шт.

25

VOE 14213476

Шайба

1шт.

30

VOE 13971072

Hexagon nut

1шт.

30

VOE 13971072

Hexagon nut

1шт.

35

VOE 14254684

Lock fork

1шт.

35

VOE 14254684

Lock fork

1шт.

40

VOE 14254371

Масляный радиатор

1шт.

40

VOE 14254371

Радиатор масляной для гидравлики

1шт.

45

VOE 14256177

Lock plate

1шт.

45

VOE 14256177

Lock plate

1шт.

5

VOE 14254173

Hinge flange

1шт.

50

VOE 14254398

Lock wedge

1шт.

50

VOE 14254398

Lock wedge

1шт.

55

VOE 13970947

Винт шестигранник

1шт.

55

VOE 13970947

Винт шестигранник

1шт.

60

VOE 14015134

Шайба

1шт.

60

VOE 14015134

Шайба

1шт.

65

VOE 13970947

Винт шестигранник

1шт.

65

VOE 13970947

Винт шестигранник

1шт.

70

VOE 14015134

Шайба

1шт.

70

VOE 14015134

Шайба

1шт.

80

VOE 14214502

Картер (корпус)

1шт.

85

VOE 971071

Hexagon nut

1шт.

85

VOE 971071

Hexagon nut

1шт.

90

VOE 14015134

Шайба

1шт.

90

VOE 14015134

Шайба

1шт.

Выбрано товаров: 33