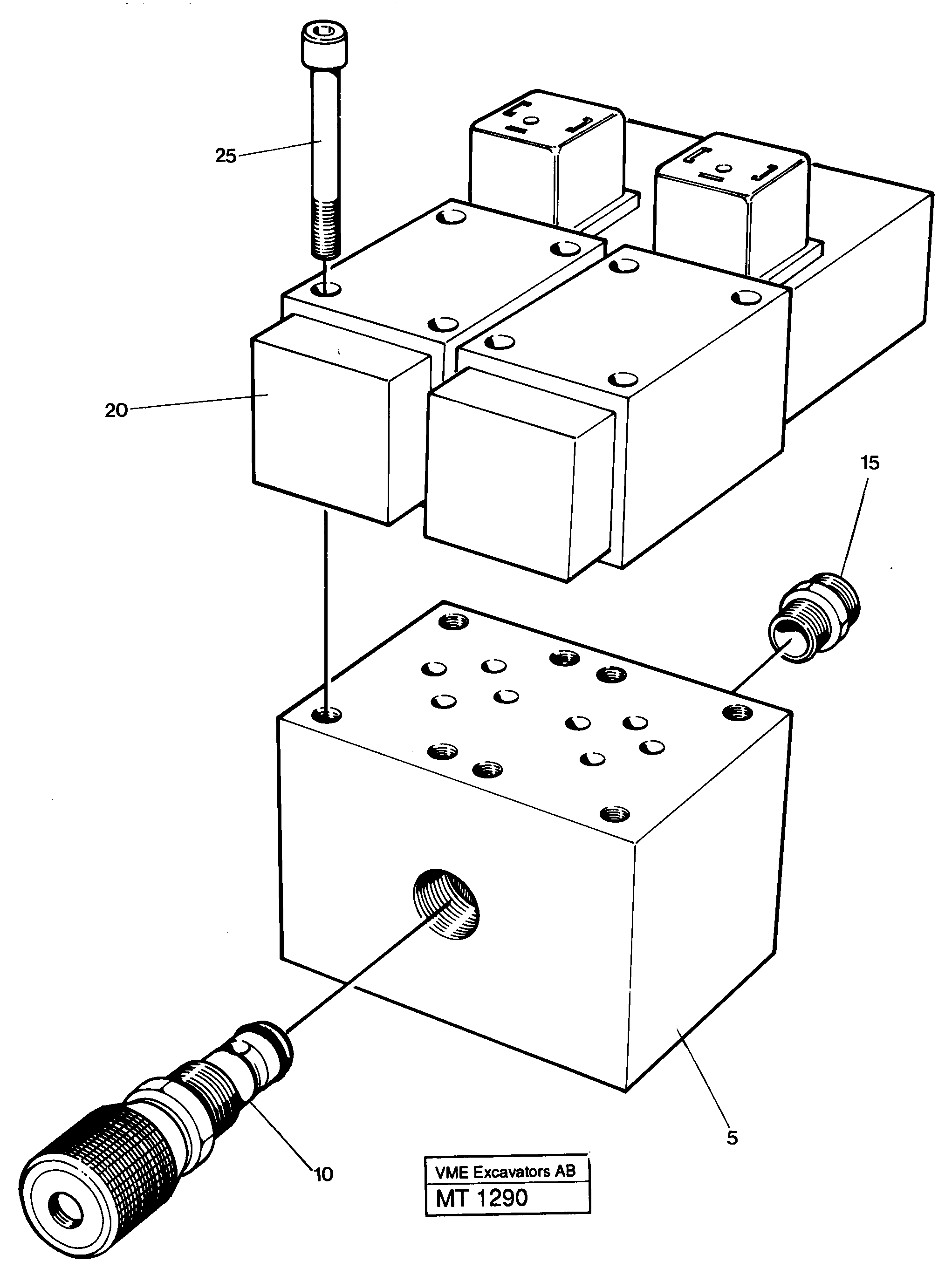
Запчасти Volvo EC230 ?KERMAN ?KERMAN EC230 SER NO - 4368 38166 Control block for end position damp 2 x

Схема запчастей Volvo EC230 ?KERMAN ?KERMAN EC230 SER NO - 4368 - 38166 Control block for end position damp 2 x
FIT
1:1
100%

Артикул

Название

Примечание

Количество

VOE 14016347

Кольцо уплотнительное (О-кольцо)

1шт.

VOE 14016347

Кольцо уплотнительное (О-кольцо)

1шт.

VOE 14243113

Valve body

1шт.

10

VOE 14212794

Restricting valve

1шт.

10

VOE 14212794

Restricting valve

1шт.

15

VOE 14012413

14012413

1шт.

20

VOE 11716048

Встроенный клапан в сборе

1шт.

20

VOE 11716048

Встроенный клапан в сборе

1шт.

25

VOE 959197

Allen Hd Screw

1шт.

5

VOE 14243114

Mounting plate

1шт.

5

VOE 14243114

Mounting plate

1шт.

Выбрано товаров: 11