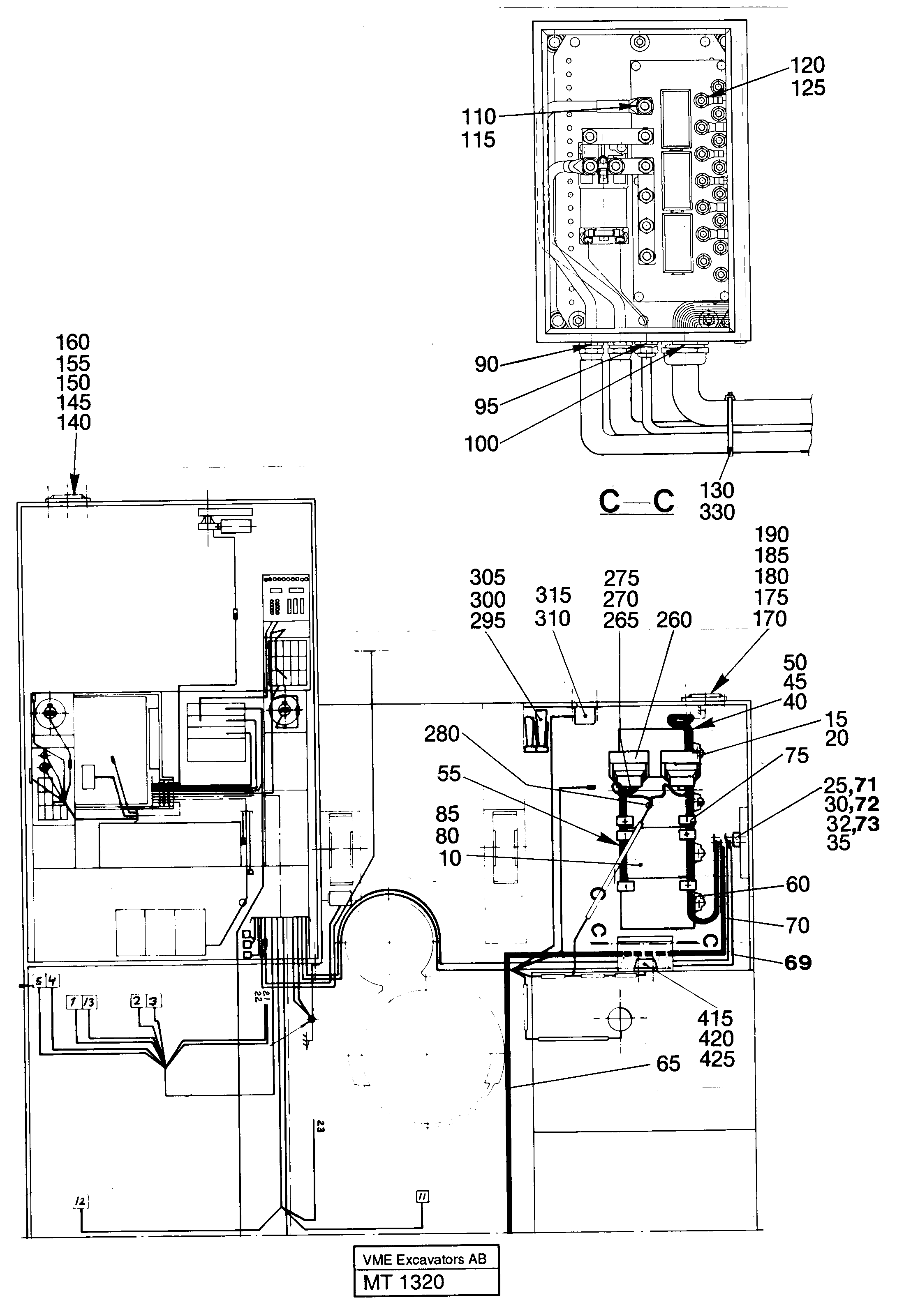
Запчасти Volvo EC230 ?KERMAN ?KERMAN EC230 SER NO - 4368 3173 Electric installation

Схема запчастей Volvo EC230 ?KERMAN ?KERMAN EC230 SER NO - 4368 - 3173 Electric installation
FIT
1:1
100%

Артикул

Название

Примечание

Количество

VOE 943903

Bulb

1шт.

VOE 943903

Bulb

1шт.

10

VOE 11714689

Батарея аккумуляторная

1шт.

100

VOE 14212906

Jam nut

1шт.

110

VOE 13955894

Шайба

1шт.

110

VOE 13955894

Шайба

1шт.

115

VOE 955782

Hexagon nut

1шт.

115

VOE 955782

Hexagon nut

1шт.

120

VOE 955893

Шайба

1шт.

120

VOE 955893

Шайба

1шт.

125

VOE 14015039

Гайка

1шт.

125

VOE 14015039

Гайка

1шт.

130

VOE 14016673

Strip clamp

1шт.

130

VOE 14016673

Strip clamp

1шт.

140

VOE 14239932

Reflex Holder

1шт.

145

VOE 970945

Винт шестигранник

1шт.

145

VOE 970945

Винт шестигранник

1шт.

15

VOE 679006

Anchorage

1шт.

150

VOE 971071

Hexagon nut

1шт.

150

VOE 971071

Hexagon nut

1шт.

155

VOE 14212111

Reflecting sticker

1шт.

155

VOE 14212111

Reflecting sticker

1шт.

160

VOE 956092

Cross recessed screw

1шт.

160

VOE 956092

Cross recessed screw

1шт.

170

VOE 14239932

Reflex Holder

1шт.

175

VOE 970945

Винт шестигранник

1шт.

175

VOE 970945

Винт шестигранник

1шт.

180

VOE 971071

Hexagon nut

1шт.

180

VOE 971071

Hexagon nut

1шт.

185

VOE 14212111

Reflecting sticker

1шт.

185

VOE 14212111

Reflecting sticker

1шт.

190

VOE 956092

Cross recessed screw

1шт.

190

VOE 956092

Cross recessed screw

1шт.

20

VOE 13970948

Винт шестигранник

1шт.

20

VOE 13970948

Винт шестигранник

1шт.

25

VOE 1140319

Battery main switch

1шт.

25

VOE 1140319

Battery main switch

1шт.

260

VOE 14212866

Spotlight

1шт.

265

VOE 14253561

Attachment

1шт.

270

VOE 13955294

Болт

1шт.

270

VOE 13955294

Болт

1шт.

275

VOE 976945

Шайба

1шт.

275

VOE 976945

Шайба

1шт.

280

VOE 14014291

Уплотнительная втулка

1шт.

280

VOE 14014291

Уплотнительная втулка

1шт.

295

VOE 14211441

Compressor horn

1шт.

30

VOE 14214371

Болт

1шт.

30

VOE 14214371

Болт

1шт.

300

VOE 14245432

Кронштейн

1шт.

305

VOE 13946501

Болт

1шт.

305

VOE 13946501

Болт

1шт.

310

VOE 14243924

Protection

1шт.

310

VOE 14243924

Protection

1шт.

315

VOE 13946501

Болт

1шт.

315

VOE 13946501

Болт

1шт.

32

VOE 13955894

Шайба

1шт.

32

VOE 13955894

Шайба

1шт.

35

VOE 955782

Hexagon nut

1шт.

35

VOE 955782

Hexagon nut

1шт.

40

VOE 14346670

Battery cable

1шт.

415

VOE 14214150

Lamp

1шт.

420

VOE 14014814

Болт

1шт.

420

VOE 14014814

Болт

1шт.

425

VOE 967708

Bulb

1шт.

425

VOE 967708

Bulb

1шт.

45

VOE 976945

Шайба

1шт.

45

VOE 976945

Шайба

1шт.

50

VOE 13970944

Винт шестигранник

1шт.

50

VOE 13970944

Винт шестигранник

1шт.

55

VOE 14346669

Battery cable

1шт.

60

VOE 14346668

Battery cable

1шт.

65

VOE 14342856

Battery cable

1шт.

65

VOE 14342856

Battery cable

1шт.

69

VOE 14250872

Cable

1шт.

70

VOE 14250874

Cable

1шт.

71

VOE 14250098

Protection

1шт.

72

VOE 963106

Lock nut

1шт.

72

VOE 963106

Lock nut

1шт.

73

VOE 13955894

Шайба

1шт.

73

VOE 13955894

Шайба

1шт.

75

VOE 14054090

Tube Assembly

1шт.

80

VOE 14054094

Shelf

1шт.

85

VOE 14049818

14049818

1шт.

90

VOE 14212904

Jam nut

1шт.

95

VOE 14212903

Jam nut

1шт.

Выбрано товаров: 85