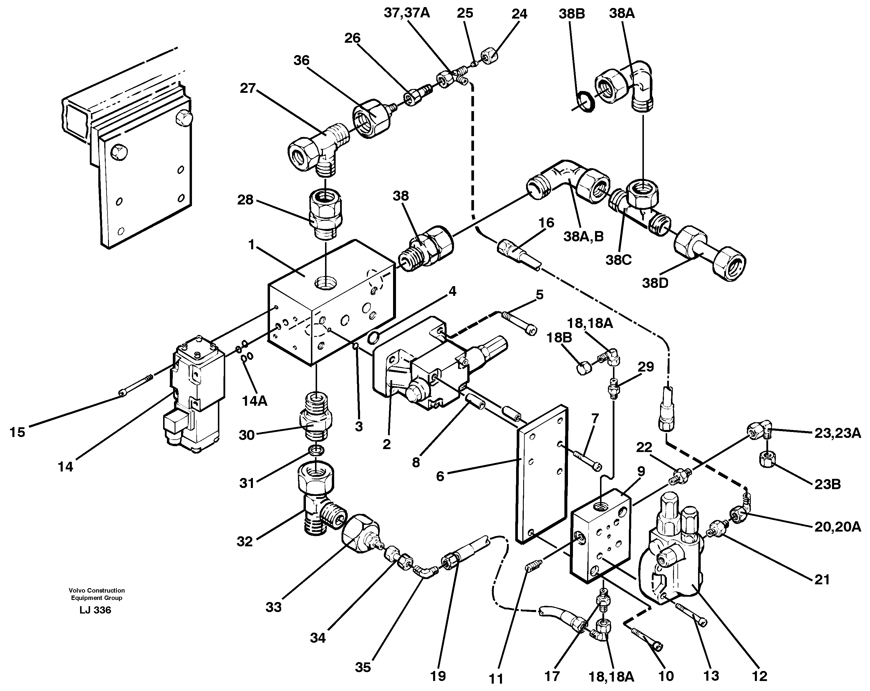
Запчасти Volvo EC230B 2113 Magnetic equipment Ohio, Valve body EC230B SER NO 5252-

Схема запчастей Volvo EC230B - 2113 Magnetic equipment Ohio, Valve body EC230B SER NO 5252-
FIT
1:1
100%

Артикул

Название

Примечание

Количество

VOE 14250985

Assy Drawing

1шт.

1

VOE 14239620

Mounting plate

1шт.

10

VOE 959222

Allen Hd Screw

1шт.

11

VOE 14025283

Nozzle

1шт.

12

VOE 11992812

Compensator

1шт.

12

VOE 11992812

Compensator

1шт.

13

VOE 959207

Allen Hd Screw

1шт.

14

VOE 11716048

Встроенный клапан в сборе

1шт.

14

VOE 11716048

Встроенный клапан в сборе

1шт.

14A

VOE 14016347

Кольцо уплотнительное (О-кольцо)

1шт.

14A

VOE 14016347

Кольцо уплотнительное (О-кольцо)

1шт.

15

VOE 959197

Allen Hd Screw

1шт.

16

VOE 14044291

Hydraulic hose

1шт.

17

VOE 14012413

14012413

1шт.

18

VOE 14012391

14012391

1шт.

18A

VOE 14211899

Кольцо уплотнительное (О-кольцо)

1шт.

18B

VOE 929379

Protecting plug

1шт.

19

VOE 14236169

Hydraulic hose

1шт.

20

VOE 14012391

14012391

1шт.

20A

VOE 14211899

Кольцо уплотнительное (О-кольцо)

1шт.

21

VOE 14211645

14211645

1шт.

22

VOE 14012413

14012413

1шт.

23

VOE 14012391

14012391

1шт.

23A

VOE 14211899

Кольцо уплотнительное (О-кольцо)

1шт.

23B

VOE 929379

Protecting plug

1шт.

24

VOE 14012446

Гайка

1шт.

25

VOE 14012461

Пробка (заглушка)

1шт.

26

VOE 14239616

Tube Assembly

1шт.

27

VOE 14211065

14211065

1шт.

28

VOE 14211062

14211062

1шт.

29

VOE 14012413

14012413

1шт.

3

VOE 925054

Кольцо уплотнительное (О-кольцо)

1шт.

3

VOE 925054

Кольцо уплотнительное (О-кольцо)

1шт.

30

VOE 14239613

14239613

1шт.

31

VOE 14239605

Restricting washer

1шт.

32

VOE 14211065

14211065

1шт.

33

VOE 14211068

14211068

1шт.

34

VOE 14239616

Tube Assembly

1шт.

35

VOE 14012487

14012487

1шт.

36

VOE 14211068

14211068

1шт.

37

VOE 14012383

14012383

1шт.

37A

VOE 14211899

Кольцо уплотнительное (О-кольцо)

1шт.

38

VOE 14211062

14211062

1шт.

38A

VOE 14012396

14012396

1шт.

38B

VOE 13960167

Кольцо уплотнительное (О-кольцо)

1шт.

38C

VOE 14211064

14211064

1шт.

38D

VOE 14239610

14239610

1шт.

4

VOE 13949721

Кольцо уплотнительное (О-кольцо)

1шт.

4

VOE 13949721

Кольцо уплотнительное (О-кольцо)

1шт.

5

VOE 959242

Allen Hd Screw

1шт.

6

VOE 14239611

Mounting plate

1шт.

7

VOE 959231

Allen Hd Screw

1шт.

8

VOE 14239612

Вставка

1шт.

9

VOE 14239614

Connecting plate

1шт.

Выбрано товаров: 54