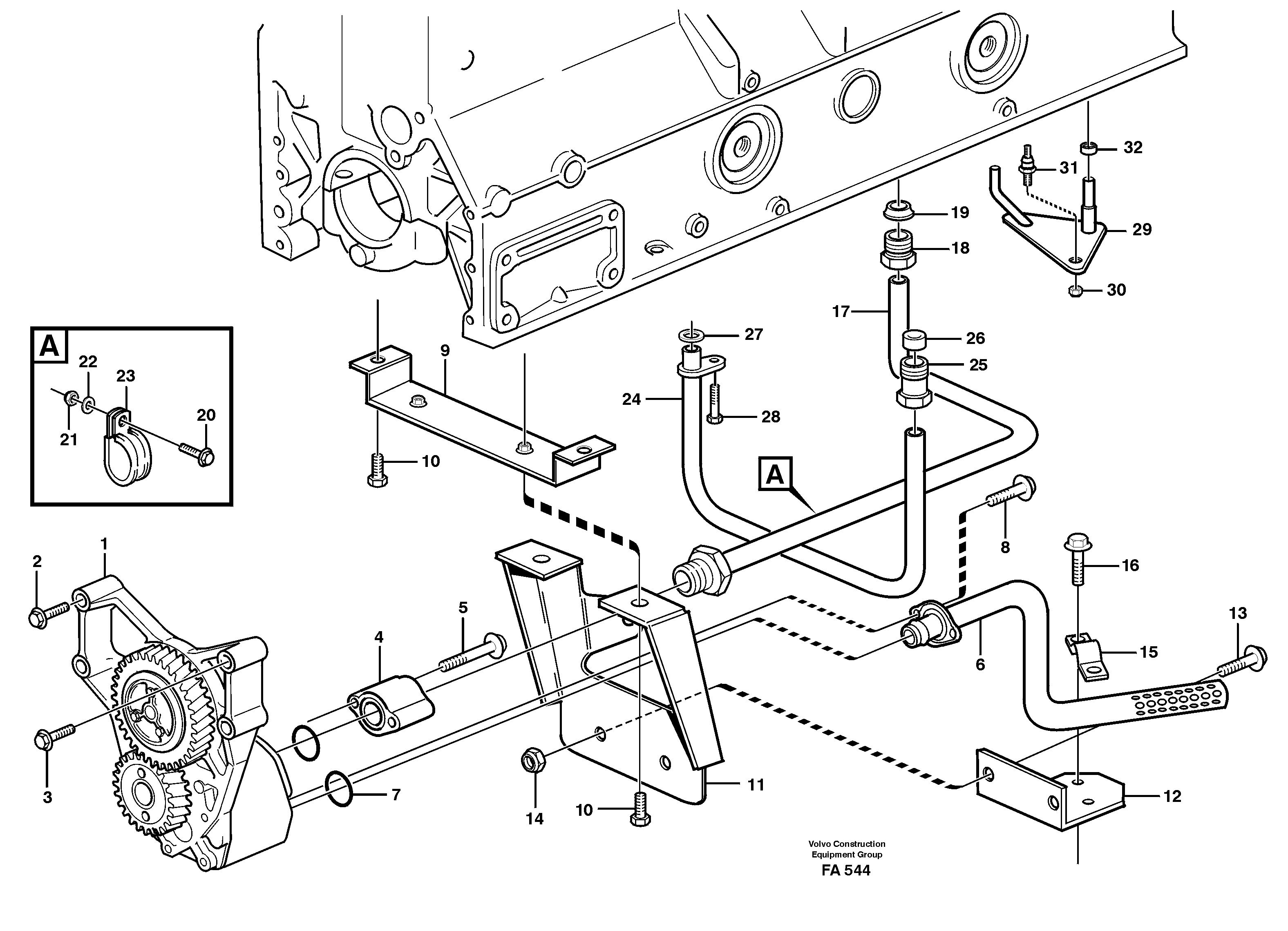
Запчасти Volvo EC230B 104793 Система масляной смазки EC230B ?KERMAN ?KERMAN EC230B

Схема запчастей Volvo EC230B - 104793 Система масляной смазки EC230B ?KERMAN ?KERMAN EC230B
FIT
1:1
100%

Артикул

Название

Примечание

Количество

VOE 13965184

Flange screw

L = 100 mm

1шт.

VOE 13965184

Flange screw

L = 100 mm

1шт.

VOE 969225

Flange screw

L = 120 mm

1шт.

VOE 969225

Flange screw

L = 120 mm

1шт.

1

VOE 477547

Насос масляный

1шт.

10

VOE 946440

Flange screw

1шт.

10

VOE 946440

Flange screw

1шт.

11

VOE 11030725

Baffle plate

1шт.

12

VOE 11030720

11030720

1шт.

13

VOE 946440

Flange screw

1шт.

13

VOE 946440

Flange screw

1шт.

14

VOE 946036

Lock nut

1шт.

14

VOE 946036

Lock nut

1шт.

15

VOE 11030722

Зажим

1шт.

16

VOE 13946544

Болт

1шт.

16

VOE 13946544

Screw

1шт.

17

VOE 420994

Oil feed pipe

1шт.

18

VOE 471588

Соединитель

1шт.

19

VOE 980786

Фиттинг

1шт.

2

VOE 471513

Болт

1шт.

2

VOE 471513

Болт

1шт.

20

VOE 946440

Flange screw

1шт.

20

VOE 946440

Flange screw

1шт.

21

VOE 13945408

Гайка

1шт.

21

VOE 13945408

Гайка

1шт.

22

VOE 13955894

Шайба

1шт.

22

VOE 13955894

Шайба

1шт.

23

VOE 1545433

Зажим

1шт.

24

VOE 420996

Oil feed pipe

1шт.

25

VOE 471595

Соединитель

1шт.

26

VOE 980786

Фиттинг

1шт.

27

VOE 471956

Кольцо уплотнительное

1шт.

27

VOE 471956

Кольцо уплотнительное

1шт.

28

VOE 946440

Flange screw

1шт.

28

VOE 946440

Flange screw

1шт.

29

VOE 477437

Nozzle

1шт.

3

VOE 471734

Болт

1шт.

3

VOE 471734

Болт

1шт.

30

VOE 13948570

Lock nut

1шт.

31

VOE 471596

Шпилька

1шт.

32

VOE 466874

Кольцо уплотнительное

1шт.

32

VOE 466874

Кольцо уплотнительное

1шт.

4

VOE 465846

Втулка (распорная)

1шт.

5

VOE 968553

Flange screw

L = 115 mm

1шт.

6

VOE 11030734

Suction pipe

1шт.

7

VOE 470383

Кольцо уплотнительное

1шт.

7

VOE 470383

Кольцо уплотнительное

1шт.

8

VOE 13965183

Flange screw

1шт.

8

VOE 13965183

Flange screw

1шт.

9

VOE 11030718

11030718

1шт.

Выбрано товаров: 50