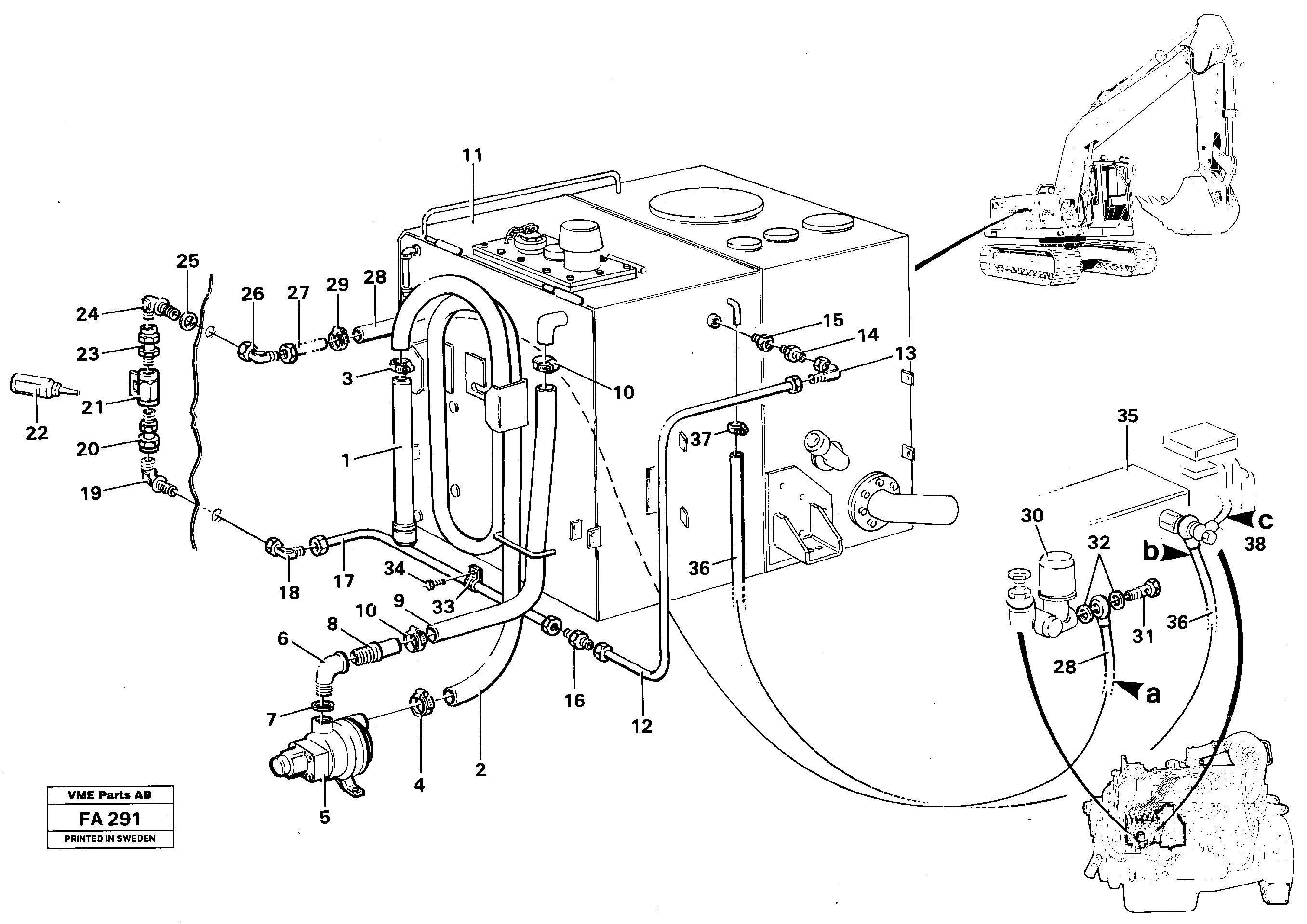
Запчасти Volvo EC230B 97718 Топливная система EC230B ?KERMAN ?KERMAN EC230B

Схема запчастей Volvo EC230B - 97718 Топливная система EC230B ?KERMAN ?KERMAN EC230B
FIT
1:1
100%

Артикул

Название

Примечание

Количество

VOE 14211856

Кольцо уплотнительное

1шт.

VOE 14211856

Кольцо уплотнительное

1шт.

VOE 956983

Фиттинг

1шт.

VOE 14211900

Кольцо уплотнительное (О-кольцо)

1шт.

VOE 980781

Ferrule

1шт.

VOE 956971

Ferrule

1шт.

VOE 14213279

Кольцо уплотнительное (О-кольцо)

1шт.

VOE 14211858

Кольцо уплотнительное

1шт.

VOE 14211858

Кольцо уплотнительное

1шт.

VOE 14012452

Гайка

1шт.

VOE 14012452

Гайка

1шт.

VOE 14012452

Гайка

1шт.

VOE 14012452

Гайка

1шт.

VOE 14073117

Suction pipe

1шт.

VOE 925064

Кольцо уплотнительное (О-кольцо)

(14012285)

1шт.

VOE 925064

Кольцо уплотнительное (О-кольцо)

(14012285)

1шт.

VOE 14213279

Кольцо уплотнительное (О-кольцо)

1шт.

VOE 956971

Ferrule

1шт.

1

VOE 14041894

Suction pipe

1шт.

10

VOE 943476

Hose clamp

(14025800)

1шт.

12

VOE 14245807

Tube Assembly

1шт.

13

VOE 14012395

14012395

1шт.

14

VOE 14012423

14012423

1шт.

15

VOE 14052741

Rdc Bushing

1шт.

16

VOE 14012404

14012404

1шт.

16

VOE 14012404

Фиттинг

1шт.

17

VOE 14245806

Tube Assembly

1шт.

18

VOE 14012395

14012395

1шт.

19

VOE 14012502

14012502

1шт.

2

VOE 14241993

Шланг

1шт.

20

VOE 14245019

14245019

1шт.

21

VOE 14214401

Ball cock

1шт.

22

VOE 14024293

Locking fluid

250 ml

1шт.

22

VOE 14024293

Locking fluid

250 ml

1шт.

23

VOE 14044957

14044957

1шт.

24

VOE 14012501

14012501

1шт.

25

VOE 14015138

Шайба

1шт.

26

VOE 14012393

14012393

1шт.

27

VOE 14245792

Tube Assembly

1шт.

28

VOE 14014146

Oil hose

(14047580) L=3600MM

1шт.

29

VOE 943470

Hose clamp

1шт.

29

VOE 943470

Hose clamp

1шт.

3

VOE 14211530

Hose clamp

1шт.

31

VOE 7025167

Hollow screw

1шт.

31

VOE 7025167

Hollow screw

1шт.

32

VOE 13969011

Прокладка

1шт.

32

VOE 13969011

Прокладка

1шт.

33

VOE 952628

Зажим

1шт.

33

VOE 952628

Зажим

1шт.

34

VOE 13946501

Болт

1шт.

34

VOE 13946501

Болт

1шт.

36

VOE 14014146

Oil hose

(14053463) L=2400MM

1шт.

37

VOE 943470

Hose clamp

1шт.

37

VOE 943470

Hose clamp

1шт.

38

VOE 848466

Leak-off line

1шт.

4

VOE 943476

Hose clamp

(14025800)

1шт.

6

VOE 14013464

Pipe bend

1шт.

7

VOE 14213786

Sealant

1шт.

7

VOE 14213786

Sealant

1шт.

8

VOE 14041887

Nipple

1шт.

9

VOE 14049035

Шланг

1шт.

Выбрано товаров: 0