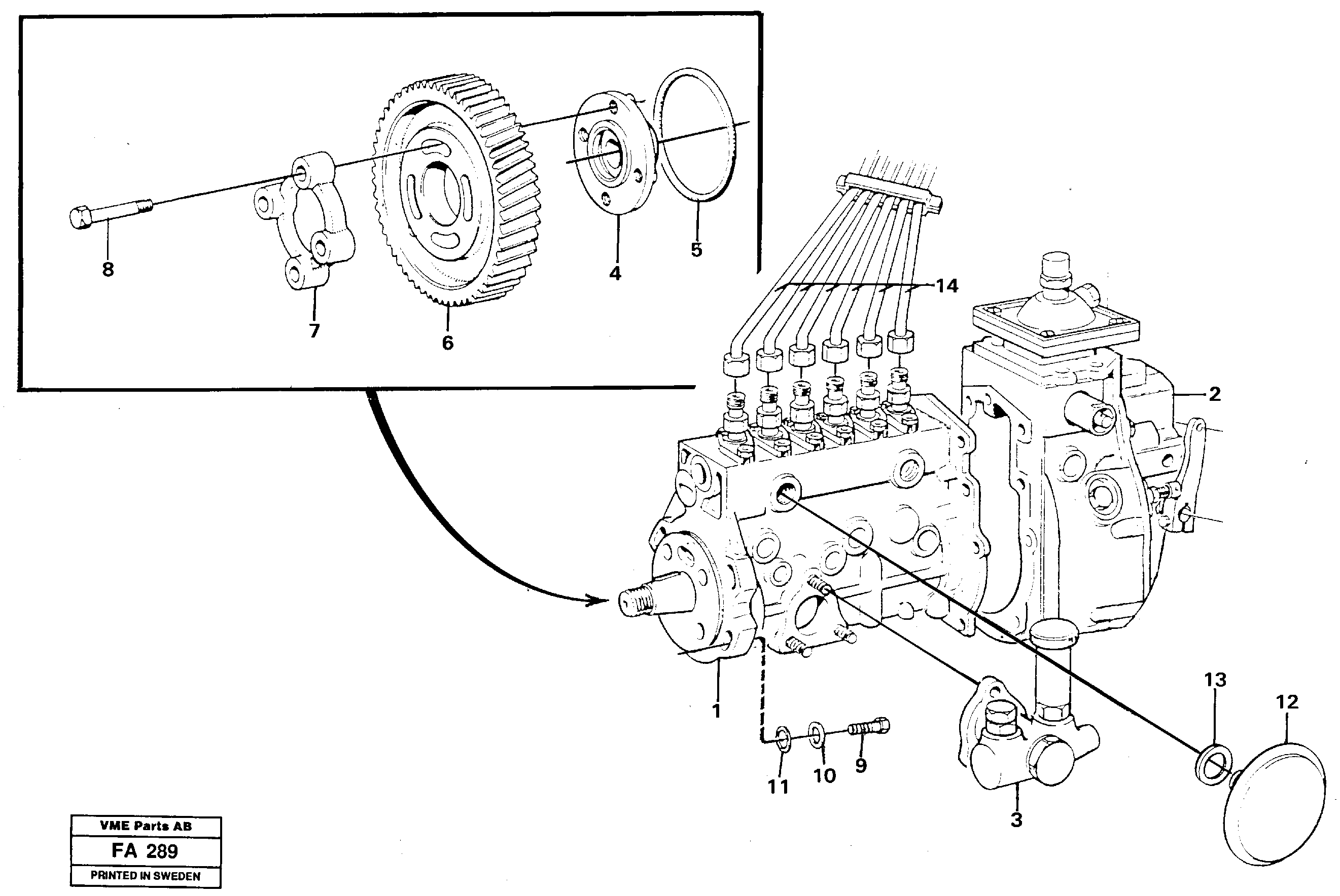
Запчасти Volvo EC230B 30767 Injection pump with drive EC230B ?KERMAN ?KERMAN EC230B

Схема запчастей Volvo EC230B - 30767 Injection pump with drive EC230B ?KERMAN ?KERMAN EC230B
FIT
1:1
100%

Артикул

Название

Примечание

Количество

VOE 11030759

Насос

1шт.

1

VOE 11999421

Насос

1шт.

10

VOE 941908

Шайба пружинная

1шт.

10

VOE 941908

Шайба пружинная

1шт.

11

VOE 955899

Шайба

1шт.

11

VOE 955899

Шайба

1шт.

12

VOE 477173

Press Equalizer

1шт.

12

VOE 477173

Press Equalizer

1шт.

13

VOE 13969011

Прокладка

(969011)

1шт.

13

VOE 13969011

Прокладка

(969011)

1шт.

2

VOE 11999422

Centrifugal regulator

1шт.

4

VOE 465968

Ступица

1шт.

5

VOE 925256

Кольцо уплотнительное (О-кольцо)

1шт.

5

VOE 925256

Кольцо уплотнительное (О-кольцо)

1шт.

6

VOE 465870

Gear

1шт.

7

VOE 465771

Intmd Section

1шт.

8

VOE 465782

Болт

1шт.

9

VOE 946472

Flange screw

1шт.

9

VOE 946472

Flange screw

1шт.

Выбрано товаров: 19