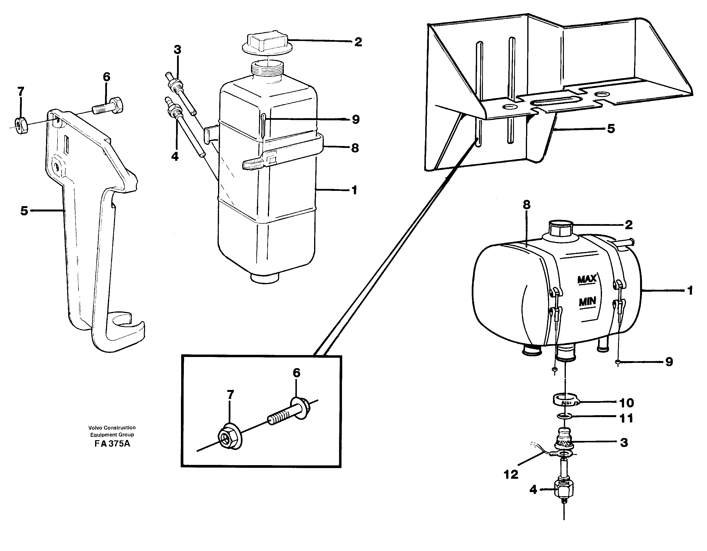
Запчасти Volvo EC230B 85600 Expansion tank with fitting parts EC230B ?KERMAN ?KERMAN EC230B

Схема запчастей Volvo EC230B - 85600 Expansion tank with fitting parts EC230B ?KERMAN ?KERMAN EC230B
FIT
1:1
100%

Артикул

Название

Примечание

Количество

VOE 14264551

14264551

SER NO 4640-

1шт.

VOE 4804563

Tensioning band

SER NO 4640-

1шт.

VOE 4804563

Tensioning band

SER NO 4640-

1шт.

VOE 13971089

Lock nut

1шт.

VOE 13971089

Lock nut

1шт.

VOE 11031743

Nipple

SER NO 4640-

1шт.

VOE 11110208

Бак (бачок) расширительный

SER NO 4640-

1шт.

VOE 11110208

Бак (бачок) расширительный

SER NO 4640-

1шт.

VOE 1542591

Cap

1шт.

VOE 1542591

Cap

1шт.

VOE 14264567

Болт

1шт.

VOE 13963104

Lock nut

SER NO 4640-

1шт.

VOE 13963104

Lock nut

SER NO 4640-

1шт.

1

VOE 844062

Бак (бачок) расширительный

SER NO -4639

1шт.

10

VOE 13943472

Hose clamp

SER NR 2679-

1шт.

11

VOE 925056

Кольцо уплотнительное (О-кольцо)

SER NR 2679-

1шт.

11

VOE 925056

Кольцо уплотнительное (О-кольцо)

SER NR 2679-

1шт.

12

VOE 14257801

Earth connector

SER NR 2679-

1шт.

2

VOE 844624

Pressure cap

1шт.

3

VOE 843247

Connecting pipe

SER NO -4639

1шт.

4

VOE 11702408

Level indicator

1шт.

4

VOE 11702408

Level indicator

1шт.

5

VOE 843260

843260

SER NO -4639

1шт.

6

VOE 13970949

Винт шестигранник

(14014609)

1шт.

6

VOE 13970949

Винт шестигранник

(14014609)

1шт.

7

VOE 971071

Hexagon nut

1шт.

7

VOE 971071

Hexagon nut

1шт.

8

VOE 843266

Зажим

SER NO -4639

1шт.

9

VOE 13907851

Cotter Pin

SER NO -4639

1шт.

Выбрано товаров: 29