Запчасти Volvo EC230B 26510 Pedal valve EC230B ?KERMAN ?KERMAN EC230B

Схема запчастей Volvo EC230B - 26510 Pedal valve EC230B ?KERMAN ?KERMAN EC230B
FIT
1:1
100%

Артикул

Название

Примечание

Количество

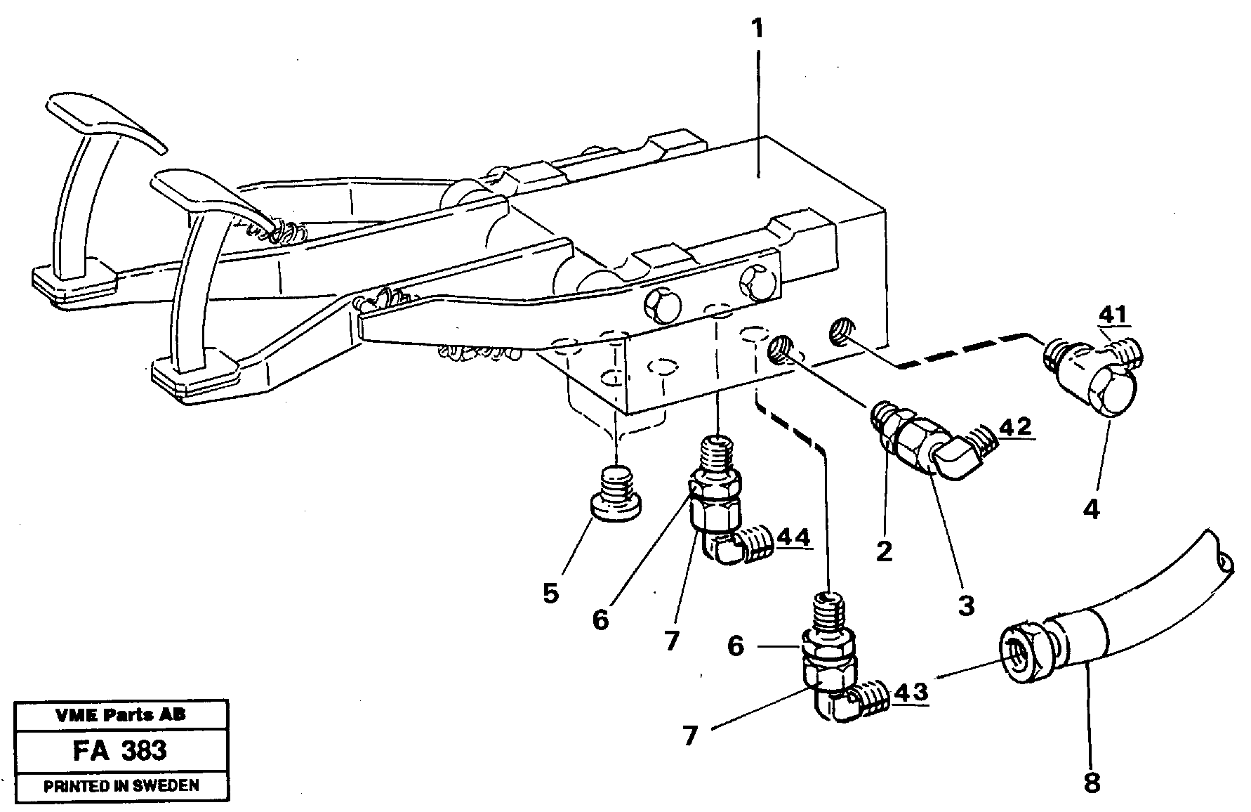
2

VOE 957030

Nipple

1шт.

2

VOE 957030

Nipple

1шт.

3

VOE 14012393

14012393

1шт.

4

VOE 14012474

Banjo fitting

1шт.

5

VOE 14023407

Пробка (заглушка)

1шт.

5

VOE 14023407

Пробка (заглушка)

1шт.

6

VOE 14012413

14012413

1шт.

7

VOE 14012391

14012391

1шт.

Выбрано товаров: 8