Запчасти Volvo EC230B 106310 Four-way valves, Secondary EC230B ?KERMAN ?KERMAN EC230B

Схема запчастей Volvo EC230B - 106310 Four-way valves, Secondary EC230B ?KERMAN ?KERMAN EC230B
FIT
1:1
100%

Артикул

Название

Примечание

Количество

VOE 14266831

Directional Valve

1шт.

VOE 14261539

Directional Valve

1шт.

VOE 14261820

Directional Valve

1шт.

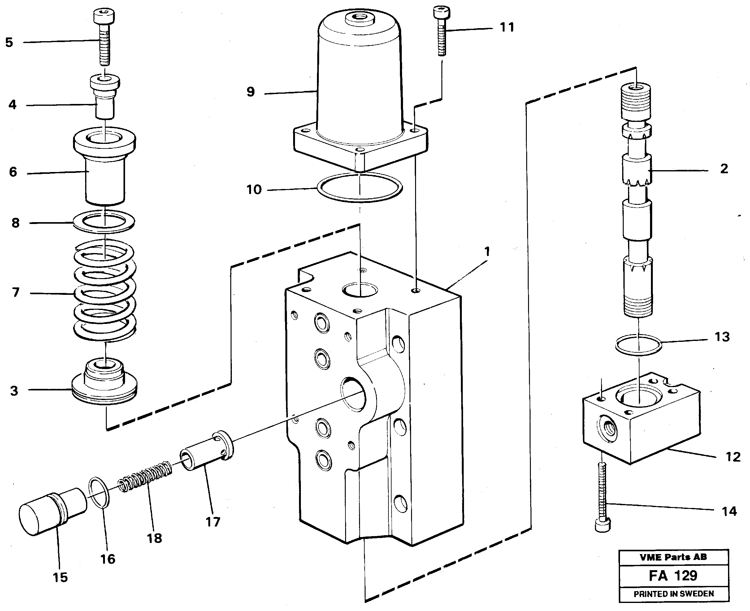
1

VOE 14261817

Valve housing

1шт.

10

VOE 977016

Кольцо уплотнительное (О-кольцо)

1шт.

11

VOE 959223

Allen Hd Screw

1шт.

12

VOE 14048555

Крышка

1шт.

13

VOE 925063

Кольцо уплотнительное (О-кольцо)

1шт.

13

VOE 925063

Кольцо уплотнительное (О-кольцо)

1шт.

14

VOE 13941747

Болт

1шт.

14

VOE 13941747

Болт

1шт.

15

VOE 14048558

Guide

1шт.

16

VOE 13960170

Кольцо уплотнительное (О-кольцо)

1шт.

16

VOE 13960170

Кольцо уплотнительное (О-кольцо)

1шт.

17

VOE 14048556

Valve peg

1шт.

18

VOE 14040429

Compression spring

1шт.

18

VOE 14040429

Compression spring

1шт.

2

VOE 14252113

Slide

1шт.

2

VOE 14252111

Slide

1шт.

2

VOE 14258012

Slide

1шт.

2

VOE 14265046

Slide

1шт.

3

VOE 14236506

Spring disc

1шт.

4

VOE 14048553

Вставка

1шт.

5

VOE 959241

Винт шестигранник (торцевой ключ)

1шт.

6

VOE 14048551

Spring disc

1шт.

7

VOE 14048552

Compression spring

1шт.

8

VOE 14054632

Шайба

1шт.

9

VOE 14048554

Крышка

1шт.

Выбрано товаров: 28