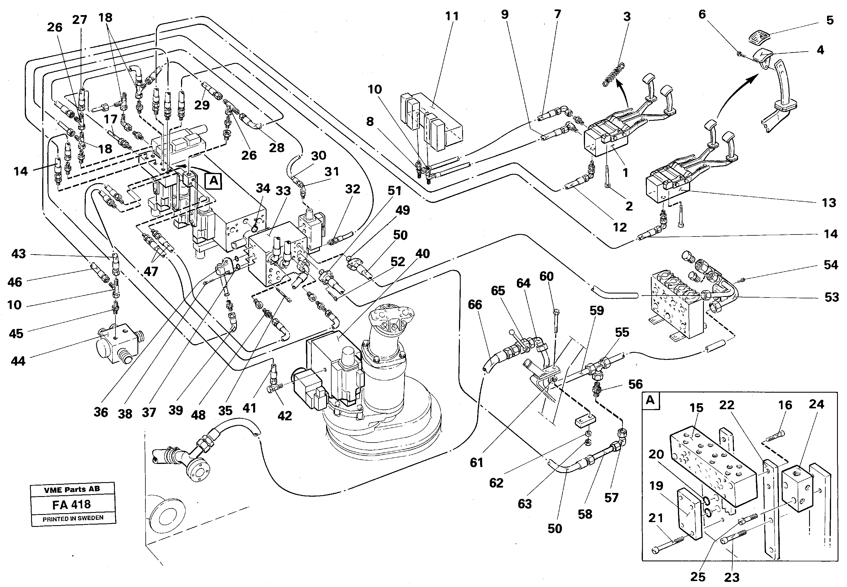
Запчасти Volvo EC230B 89490 Base machine hydraulics for hammer/shears on monobloc boom EC230B ?KERMAN ?KERMAN EC230B

Схема запчастей Volvo EC230B - 89490 Base machine hydraulics for hammer/shears on monobloc boom EC230B ?KERMAN ?KERMAN EC230B
FIT
1:1
100%

Артикул

Название

Примечание

Количество

VOE 14213154

Marking strip

Marked 54

1шт.

VOE 14213151

Marking strip

Marked 51

1шт.

VOE 14012457

Гайка

1шт.

VOE 14012457

Гайка

1шт.

VOE 14012459

Гайка

1шт.

VOE 14012459

Гайка

1шт.

VOE 14012373

Ferrule

1шт.

VOE 14012373

Ferrule

1шт.

VOE 14212091

Кольцо уплотнительное (О-кольцо)

1шт.

VOE 14212091

Кольцо уплотнительное (О-кольцо)

1шт.

VOE 14237074

Hydraulic hose

SER NO 4659-

1шт.

VOE 14237074

Hydraulic hose

SER NO 4659-

1шт.

VOE 14213153

Marking strip

Marked 53

1шт.

VOE 14250294

Hydraulic hose

SER NO 4719-

1шт.

VOE 14250294

Hydraulic hose

SER NO 4719-

1шт.

VOE 14213283

Кольцо уплотнительное (О-кольцо)

1шт.

VOE 14213283

Кольцо уплотнительное (О-кольцо)

1шт.

VOE 14213152

Marking strip

Marked 52

1шт.

VOE 14012371

Ferrule

1шт.

VOE 14012371

Ferrule

1шт.

VOE 14012373

Ferrule

1шт.

VOE 14012373

Ferrule

1шт.

10

VOE 14012383

14012383

1шт.

12

VOE 14250298

Hydraulic hose

1шт.

12

VOE 14250298

Hydraulic hose

1шт.

14

VOE 14250298

Hydraulic hose

1шт.

14

VOE 14250298

Hydraulic hose

1шт.

16

VOE 959222

Allen Hd Screw

1шт.

17

VOE 14255689

Tube Assembly

1шт.

18

VOE 14012383

14012383

1шт.

19

VOE 14253394

Seal flange

1шт.

2

VOE 959208

Allen Hd Screw

1шт.

20

VOE 13949721

Кольцо уплотнительное (О-кольцо)

1шт.

20

VOE 13949721

Кольцо уплотнительное (О-кольцо)

1шт.

21

VOE 959241

Винт шестигранник (торцевой ключ)

1шт.

22

VOE 14244437

Attachment

1шт.

23

VOE 14023256

Allen Hd Screw

1шт.

25

VOE 13970947

Винт шестигранник

1шт.

25

VOE 13970947

Винт шестигранник

1шт.

26

VOE 14025145

Челночный клапан

1шт.

27

VOE 14054601

Hydraulic hose

1шт.

28

VOE 14044291

Hydraulic hose

1шт.

29

VOE 14054603

Hydraulic hose

1шт.

3

VOE 14243542

Пружина натяжная

1шт.

30

VOE 14044825

Hydraulic hose

1шт.

30

VOE 14044825

Hydraulic hose

1шт.

31

VOE 14012391

14012391

1шт.

32

VOE 14237073

Hydraulic hose

SER NO -4658

1шт.

32

VOE 14237073

Hydraulic hose

SER NO -4658

1шт.

34

VOE 13949721

Кольцо уплотнительное (О-кольцо)

1шт.

34

VOE 13949721

Кольцо уплотнительное (О-кольцо)

1шт.

35

VOE 959251

Allen Hd Screw

1шт.

37

VOE 13949721

Кольцо уплотнительное (О-кольцо)

1шт.

37

VOE 13949721

Кольцо уплотнительное (О-кольцо)

1шт.

38

VOE 959241

Винт шестигранник (торцевой ключ)

1шт.

39

VOE 14044825

Hydraulic hose

1шт.

39

VOE 14044825

Hydraulic hose

1шт.

4

VOE 14243548

Pedal plate

1шт.

41

VOE 14249638

Hydraulic hose

1шт.

42

VOE 14214142

Banjo fitting

1шт.

43

VOE 14250293

Hydraulic hose

1шт.

43

VOE 14250293

Hydraulic hose

1шт.

45

VOE 14012413

14012413

1шт.

46

VOE 14250293

Hydraulic hose

1шт.

46

VOE 14250293

Hydraulic hose

1шт.

47

VOE 14252150

Hydraulic hose

1шт.

48

VOE 14216010

14216010

1шт.

49

VOE 990742

Кольцо уплотнительное (О-кольцо)

1шт.

49

VOE 990742

Кольцо уплотнительное (О-кольцо)

1шт.

5

VOE 14025147

Pedal Rubber

1шт.

50

VOE 14261359

Hydraulic hose

1шт.

51

VOE 935312

Flange half

1шт.

51

VOE 935312

Flange half

1шт.

52

VOE 959238

Allen Hd Screw

1шт.

53

VOE 14236262

Tube Assembly

1шт.

54

VOE 13970967

Винт шестигранник

1шт.

54

VOE 13970967

Винт шестигранник

1шт.

55

VOE 14012485

14012485

1шт.

56

VOE 14213723

14213723

1шт.

57

VOE 14012399

14012399

1шт.

58

VOE 14236860

Tube Assembly

1шт.

59

VOE 14261469

Tube Assembly

1шт.

6

VOE 14213032

Болт

1шт.

6

VOE 14213032

Болт

1шт.

60

VOE 13970981

Винт шестигранник

1шт.

60

VOE 13970981

Винт шестигранник

1шт.

61

VOE 13955897

Шайба

1шт.

61

VOE 13955897

Шайба

1шт.

62

VOE 14015146

Шайба

1шт.

62

VOE 14015146

Шайба

1шт.

63

VOE 13971090

Lock nut

1шт.

63

VOE 13971090

Lock nut

1шт.

64

VOE 14016972

14016972

1шт.

65

VOE 14211650

Ball valve

1шт.

65

VOE 14211650

Ball valve

1шт.

66

VOE 14262012

Hydraulic hose

1шт.

7

VOE 14250312

Hydraulic hose

1шт.

7

VOE 14250312

Hydraulic hose

1шт.

8

VOE 14052740

14052740

1шт.

9

VOE 14250295

Hydraulic hose

SER NO -4718

1шт.

9

VOE 14250295

Hydraulic hose

SER NO -4718

1шт.

Выбрано товаров: 101