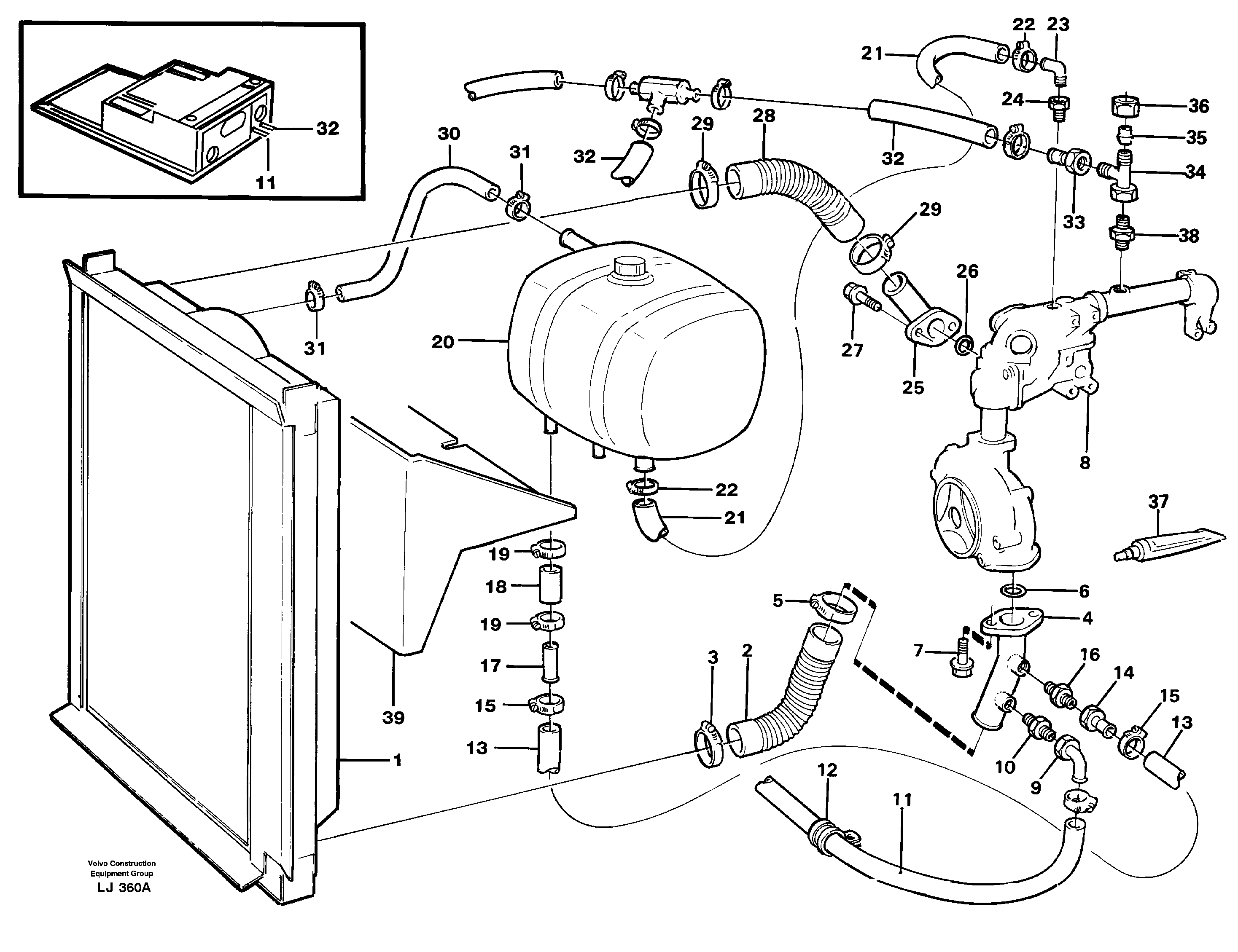
Запчасти Volvo EC230B 83830 Система охлаждения EC230B SER NO 5252-

Схема запчастей Volvo EC230B - 83830 Система охлаждения EC230B SER NO 5252-
FIT
1:1
100%

Артикул

Название

Примечание

Количество

VOE 14213279

Кольцо уплотнительное (О-кольцо)

1шт.

VOE 956971

Ferrule

1шт.

VOE 956971

Ferrule

(14012452)

1шт.

VOE 956971

Ferrule

(14012452)

1шт.

VOE 956971

Ferrule

(14012366)

1шт.

VOE 956971

Ferrule

1шт.

VOE 14012452

Гайка

1шт.

VOE 14012452

Гайка

1шт.

10

VOE 14012422

14012422

1шт.

11

VOE 14014148

Oil hose

1шт.

12

VOE 952635

Зажим

(14013857)

1шт.

12

VOE 952635

Зажим

(14013857)

1шт.

13

VOE 943368

Шланг

1шт.

13

VOE 943368

Шланг

1шт.

14

VOE 14242256

Hose connection

1шт.

15

VOE 13943472

Hose clamp

(14013948)

1шт.

16

VOE 14012422

14012422

1шт.

17

VOE 14264923

Hose connection

1шт.

18

VOE 944386

Шланг

1шт.

18

VOE 944386

Шланг

1шт.

19

VOE 13943472

Hose clamp

(14013948)

1шт.

2

VOE 14215321

Radiator hose

1шт.

21

VOE 943366

Шланг

1шт.

22

VOE 943470

Hose clamp

(14013952)

1шт.

22

VOE 943470

Hose clamp

(14013952)

1шт.

23

VOE 479953

Nipple

1шт.

23

VOE 479953

Nipple

1шт.

24

VOE 862109

Nipple

1шт.

25

VOE 848381

Трубка водяная

1шт.

26

VOE 925092

Кольцо уплотнительное (О-кольцо)

1шт.

26

VOE 925092

Кольцо уплотнительное (О-кольцо)

1шт.

27

VOE 13945444

Болт

1шт.

27

VOE 13945444

Screw

1шт.

28

VOE 4821434

Radiator hose

1шт.

29

VOE 943478

Hose clamp

1шт.

29

VOE 943478

Hose clamp

1шт.

3

VOE 943478

Hose clamp

(14013957)

1шт.

3

VOE 943478

Hose clamp

(14013957)

1шт.

30

VOE 943366

Шланг

(14245653)

1шт.

31

VOE 943470

Hose clamp

1шт.

31

VOE 943470

Hose clamp

1шт.

33

VOE 14242256

Hose connection

1шт.

34

VOE 14012384

14012384

1шт.

35

VOE 13964090

Closure

1шт.

35

VOE 13964090

Closure

1шт.

36

VOE 14012452

Гайка

1шт.

36

VOE 14012452

Гайка

1шт.

37

VOE 14213786

Sealant

1шт.

37

VOE 14213786

Sealant

1шт.

38

VOE 14012422

14012422

1шт.

39

VOE 14238097

Hose retainer

1шт.

4

VOE 848143

Трубка водяная

1шт.

40

VOE 13970981

Винт шестигранник

1шт.

40

VOE 13970981

Винт шестигранник

1шт.

41

VOE 13930908

Шайба

1шт.

41

VOE 13930908

Шайба

1шт.

42

VOE 14049269

Тарелка клапана

1шт.

43

VOE 952635

Зажим

(14013857)

1шт.

43

VOE 952635

Зажим

(14013857)

1шт.

44

VOE 14043513

Болт

1шт.

44

VOE 14043513

Болт

1шт.

45

VOE 14016673

Strip clamp

1шт.

45

VOE 14016673

Strip clamp

1шт.

5

VOE 943478

Hose clamp

(14013957)

1шт.

5

VOE 943478

Hose clamp

(14013957)

1шт.

6

VOE 925092

Кольцо уплотнительное (О-кольцо)

1шт.

6

VOE 925092

Кольцо уплотнительное (О-кольцо)

1шт.

7

VOE 13945444

Болт

1шт.

7

VOE 13945444

Screw

1шт.

9

VOE 14239791

Tube Assembly

1шт.

Выбрано товаров: 70