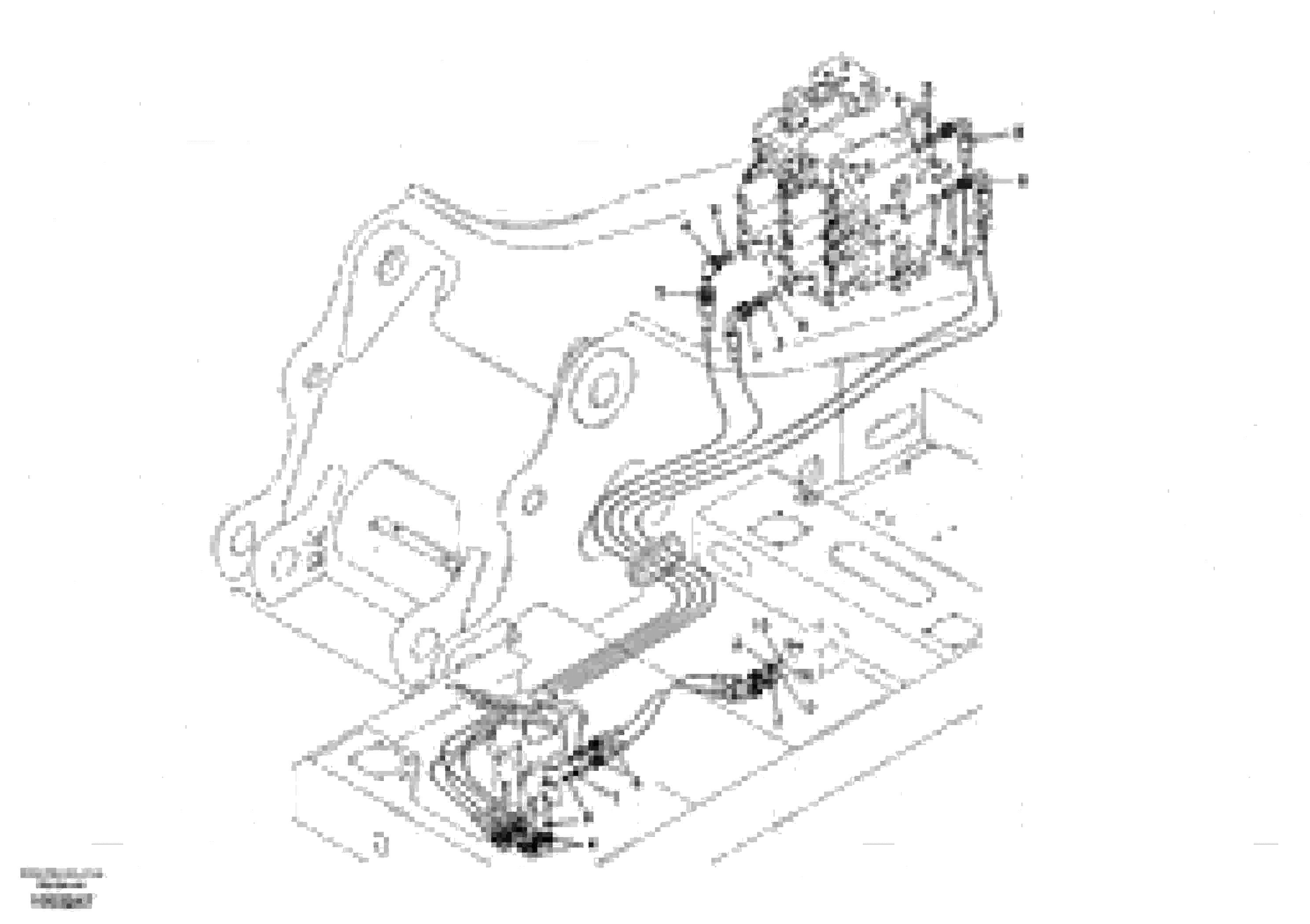
Запчасти Volvo EC240B 32473 Servo system, control valve to remote control valve pedal EC240B

Схема запчастей Volvo EC240B - 32473 Servo system, control valve to remote control valve pedal EC240B
FIT
1:1
100%

Артикул

Название

Примечание

Количество

1

SA 1048-10530

Соединитель

1шт.

1

SA 1048-10530

Соединитель

1шт.

10

SA 9511-12014

Кольцо уплотнительное (О-кольцо)

1шт.

2

SA 9412-11030

Соединитель

1шт.

3

SA 9412-11120

Соединитель

1шт.

4

SA 9413-11160

Elbow

1шт.

5

SA 9451-03259

Hose

1шт.

5

SA 9451-03259

Шланг

1шт.

6

SA 9452-03221

Hose

1шт.

6

SA 9452-03221

Шланг

1шт.

7

SA 9453-03257

Шланг

1шт.

8

SA 9453-03262

Шланг

1шт.

8

SA 9453-03262

Hose

1шт.

9

SA 9511-12011

Кольцо уплотнительное (О-кольцо)

1шт.

Выбрано товаров: 14