Запчасти Volvo EC240B 35640 Coolant filter EC240B SER NO INT 12641- EU & NA 80001-

Схема запчастей Volvo EC240B - 35640 Coolant filter EC240B SER NO INT 12641- EU & NA 80001-
FIT
1:1
100%

Артикул

Название

Примечание

Количество

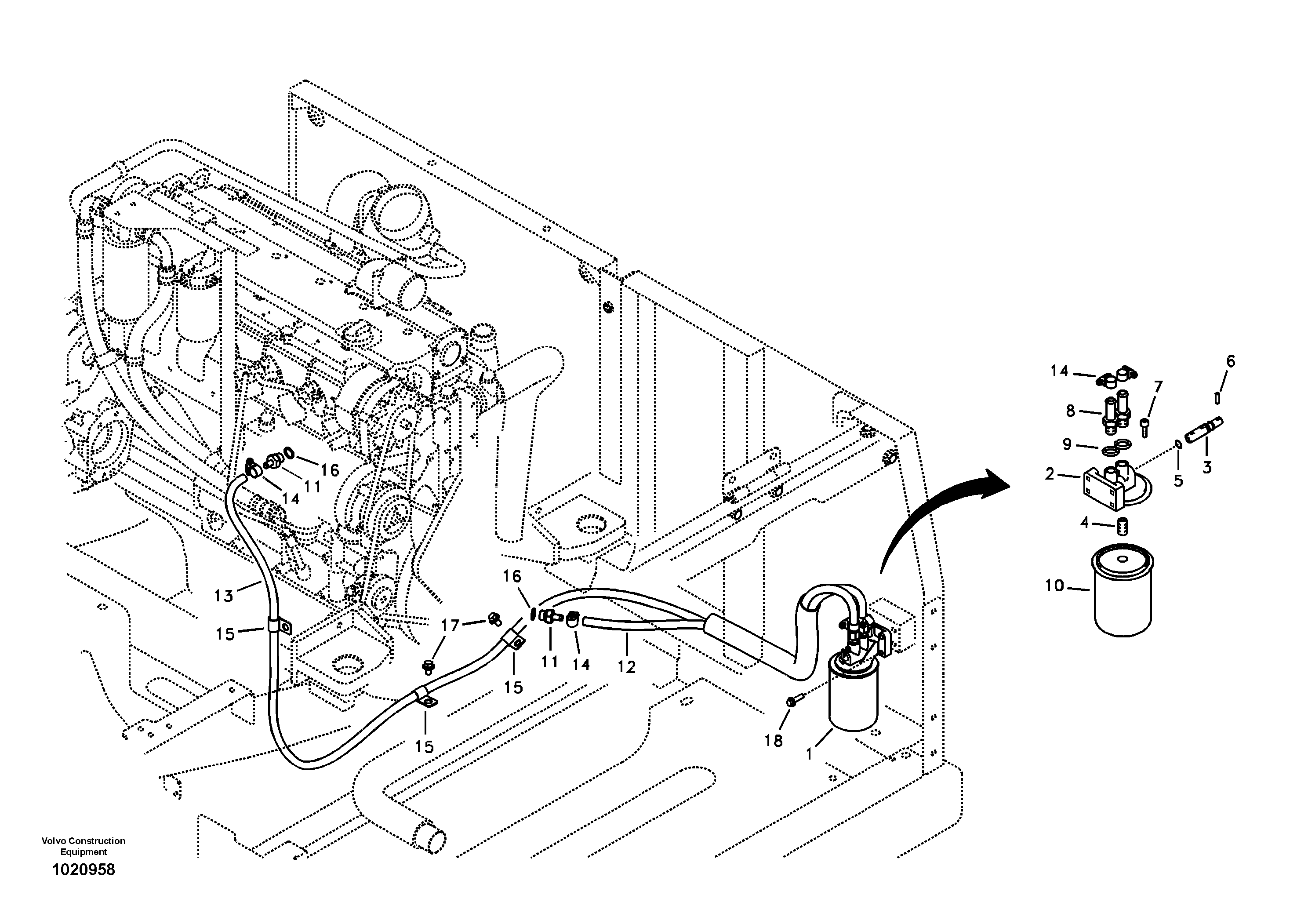
1

VOE 11110567

Фильтр топливный

1шт.

1

VOE 11110567

Фильтр топливный

1шт.

10

VOE 20532237

Coolant filter

1шт.

10

VOE 20532237

Coolant filter

1шт.

11

VOE 14880180

Соединитель

1шт.

12

VOE 14881526

Шланг

1шт.

13

VOE 14881179

Шланг

1шт.

14

SA 9312-00005

Зажим

1шт.

15

SA 9315-01602

Insulating clip

1шт.

15

SA 9315-01602

Скоба (хомут)

1шт.

16

SA 9426-20060

Прокладка

1шт.

17

VOE 946471

Flange screw

1шт.

17

VOE 946471

Flange screw

1шт.

18

VOE 946671

Flange screw

1шт.

18

VOE 946671

Flange screw

1шт.

2

VOE 1661683

Кронштейн

1шт.

2

VOE 1661683

Кронштейн

1шт.

3

VOE 1661686

Spindle

1шт.

3

VOE 1661686

Spindle

1шт.

4

VOE 1676554

Nipple

1шт.

4

VOE 1676554

Nipple

1шт.

5

VOE 968725

Кольцо уплотнительное (О-кольцо)

1шт.

5

VOE 968725

Кольцо уплотнительное (О-кольцо)

1шт.

6

VOE 951968

Spring pin

1шт.

6

VOE 951968

Spring pin

1шт.

7

VOE 961236

Allen Hd Screw

1шт.

8

VOE 11063242

Nipple

1шт.

8

VOE 11063242

Nipple

1шт.

9

VOE 957178

Gasket

1шт.

9

VOE 957178

Прокладка

1шт.

Выбрано товаров: 30