Запчасти Volvo EC280 19992 Filter housing with fitting parts EC280 SER NO 1001-

Схема запчастей Volvo EC280 - 19992 Filter housing with fitting parts EC280 SER NO 1001-
FIT
1:1
100%

Артикул

Название

Примечание

Количество

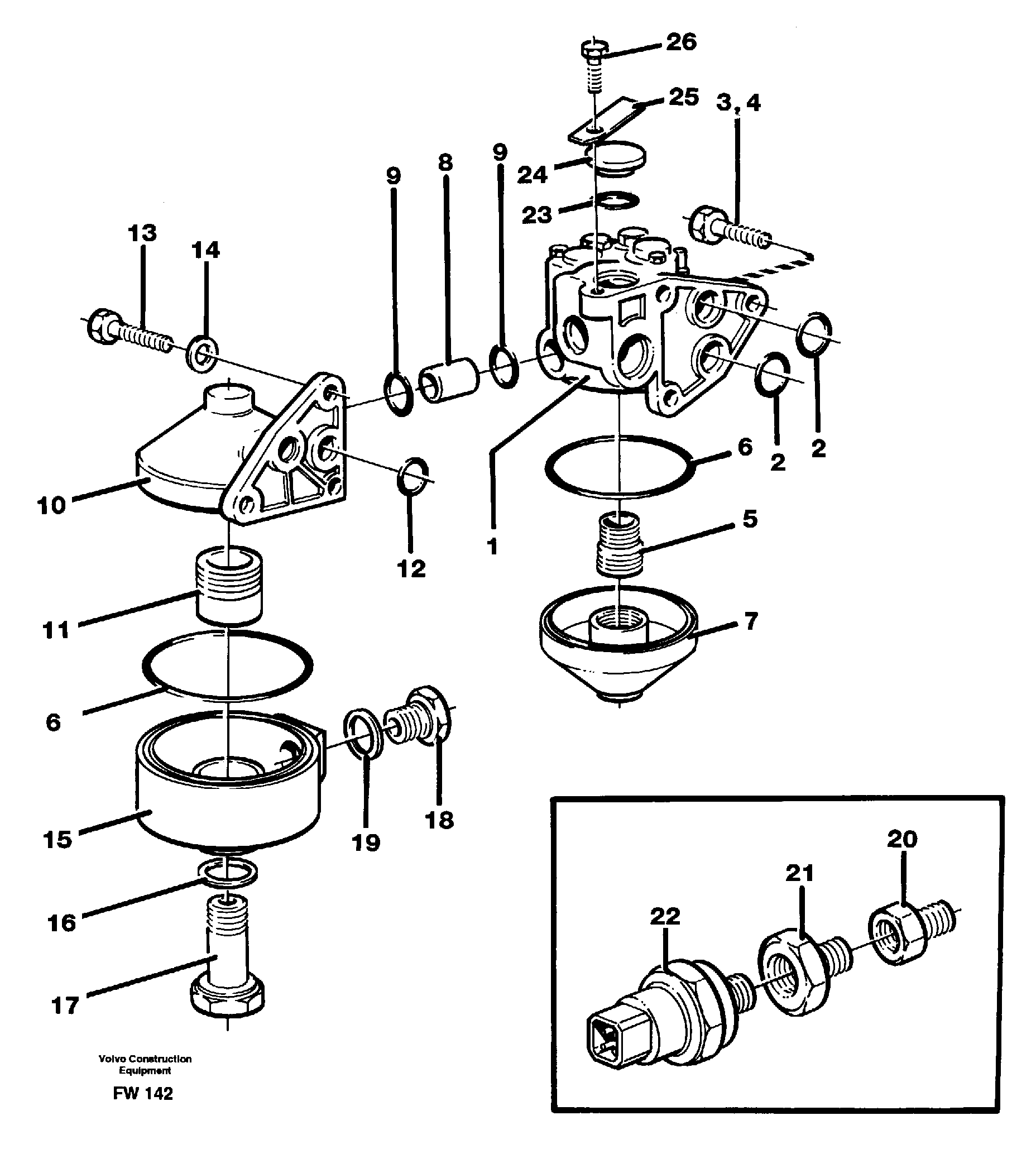
VOE 13949722

Кольцо уплотнительное (О-кольцо)

36,2x3MM

1шт.

VOE 13949722

Кольцо уплотнительное (О-кольцо)

36,2x3MM

1шт.

VOE 11032628

Картер (корпус)

1шт.

1

VOE 11030601

Картер (корпус)

1шт.

10

VOE 471601

471601

1шт.

11

VOE 11030997

Nipple

1шт.

12

VOE 13949656

Кольцо уплотнительное (О-кольцо)

1шт.

12

VOE 13949656

Кольцо уплотнительное (О-кольцо)

1шт.

13

VOE 946329

Flange screw

1шт.

13

VOE 946329

Flange screw

1шт.

14

VOE 941908

Шайба пружинная

1шт.

14

VOE 941908

Шайба пружинная

1шт.

15

VOE 11031906

Крышка

1шт.

15

VOE 11031906

Cover

1шт.

16

VOE 11032095

Прокладка

1шт.

16

VOE 11032095

Прокладка

1шт.

17

VOE 11030998

Nipple

1шт.

18

VOE 11030999

Nipple

1шт.

19

VOE 948885

Plane gasket

1шт.

19

VOE 948885

Plane gasket

1шт.

2

VOE 13949656

Кольцо уплотнительное (О-кольцо)

19.2x3MM

1шт.

2

VOE 13949656

Кольцо уплотнительное (О-кольцо)

19.2x3MM

1шт.

20

VOE 862109

Nipple

1шт.

21

VOE 11030986

Nipple

1шт.

22

VOE 3962893

3962893

B47

1шт.

23

VOE 421629

Кольцо уплотнительное

1шт.

23

VOE 421629

Кольцо уплотнительное

1шт.

24

VOE 848319

Пробка (заглушка)

1шт.

25

VOE 848318

Attachment

1шт.

25

VOE 848318

Attachment

1шт.

26

VOE 946440

Flange screw

1шт.

26

VOE 946440

Flange screw

1шт.

3

VOE 946329

Flange screw

1шт.

3

VOE 946329

Flange screw

1шт.

4

VOE 13965222

Болт

1шт.

4

VOE 13965222

Болт

1шт.

6

VOE 13948981

Кольцо уплотнительное (О-кольцо)

1шт.

6

VOE 13948981

Кольцо уплотнительное (О-кольцо)

1шт.

7

VOE 3812509

Casing

1шт.

8

VOE 471602

Трубка

1шт.

8

VOE 471602

Трубка

1шт.

9

VOE 471956

Кольцо уплотнительное

1шт.

9

VOE 471956

Кольцо уплотнительное

1шт.

Выбрано товаров: 43