Запчасти Volvo EC280 17782 Waterpump, assembly EC280 SER NO 1001-

Схема запчастей Volvo EC280 - 17782 Waterpump, assembly EC280 SER NO 1001-
FIT
1:1
100%

Артикул

Название

Примечание

Количество

VOE 11030155

Plastic plug

1шт.

VOE 11030155

Plastic plug

1шт.

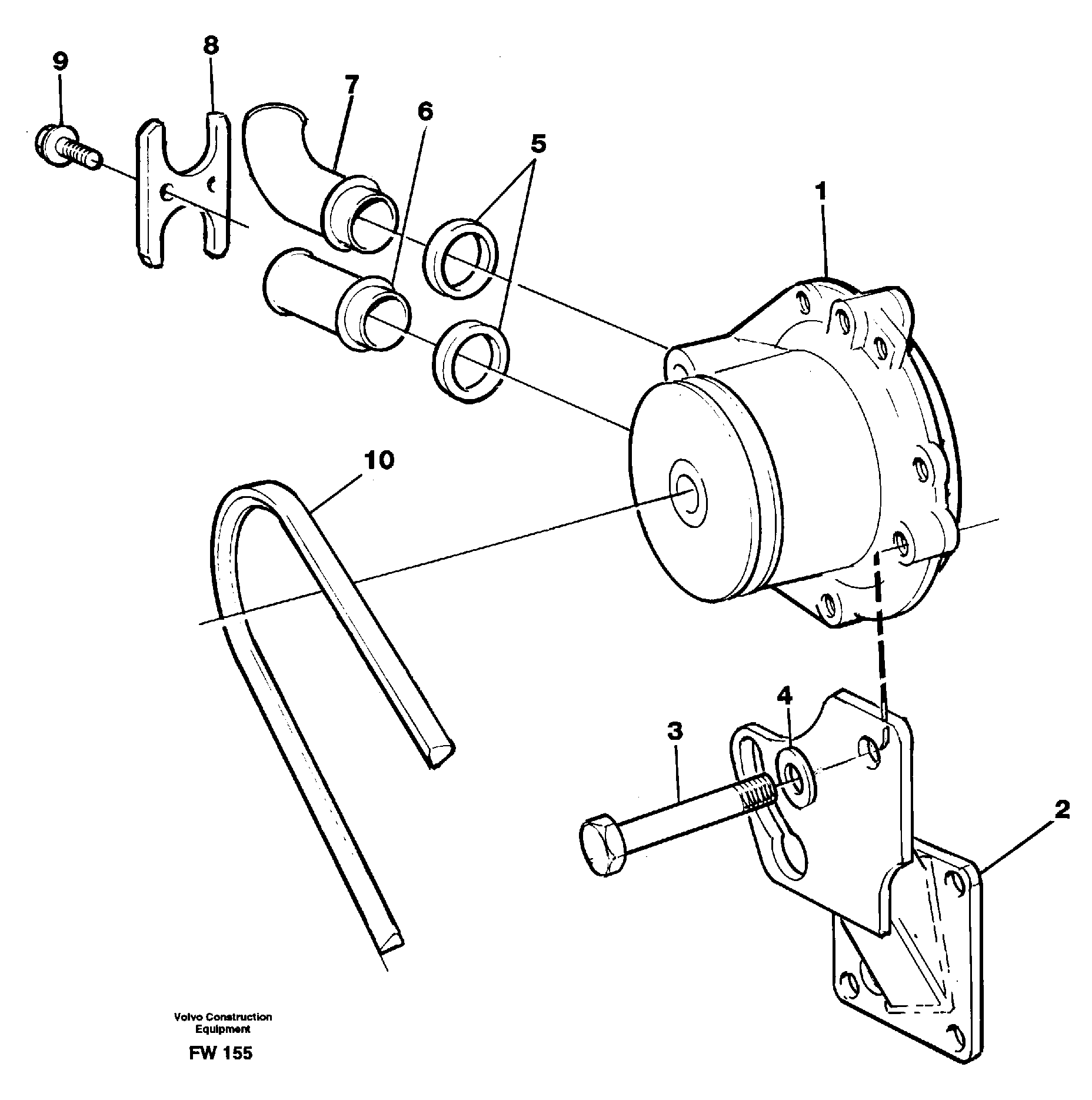
1

VOE 11032622

Водяной насос

1шт.

1

VOE 11032622

Водяной насос

1шт.

10

VOE 13977741

Ремень клиновой (приводной)

1шт.

10

VOE 13977741

Ремень клиновой (приводной)

1шт.

2

VOE 11030958

11030958

1шт.

3

VOE 13948039

Flange screw

1шт.

3

VOE 13948039

Flange screw

1шт.

4

VOE 13955897

Шайба

1шт.

4

VOE 13955897

Шайба

1шт.

5

VOE 11030751

Кольцо уплотнительное

1шт.

5

VOE 11030751

Кольцо уплотнительное

1шт.

6

VOE 11030746

Tube End

1шт.

7

VOE 11030745

Tube End

1шт.

8

VOE 11030747

Стопорная шайба (кольцо)

1шт.

8

VOE 11030747

Стопорная шайба (кольцо)

1шт.

9

VOE 13946934

Болт

1шт.

9

VOE 13946934

Болт

1шт.

Выбрано товаров: 19