Запчасти Volvo EC280 23493 Водяной насос EC280 SER NO 1001-

Схема запчастей Volvo EC280 - 23493 Водяной насос EC280 SER NO 1001-
FIT
1:1
100%

Артикул

Название

Примечание

Количество

VOE 8192050

Водяной насос

1шт.

VOE 8192050

Водяной насос

1шт.

VOE 276835

Ремкомплект

1шт.

VOE 276835

Ремкомплект

1шт.

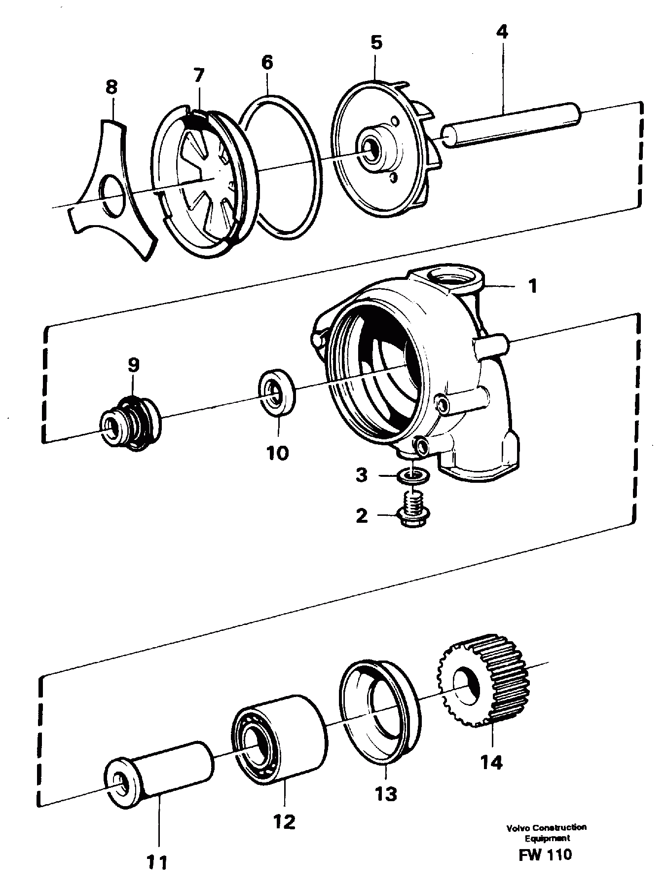
1

VOE 477038

Картер (корпус)

1шт.

10

VOE 958811

Кольцо уплотнительное

1шт.

10

VOE 958811

Кольцо уплотнительное

1шт.

12

VOE 471499

Ball Bearing

1шт.

12

VOE 471499

Ball Bearing

1шт.

13

VOE 471493

Lock Ring

1шт.

13

VOE 471493

Lock Ring

1шт.

14

VOE 471501

Gear

1шт.

14

VOE 471501

Gear

1шт.

2

VOE 947107

Flange screw

1шт.

2

VOE 947107

Flange screw

1шт.

3

VOE 7011992

Прокладка

1шт.

3

VOE 7011992

Прокладка

1шт.

4

VOE 468249

Вал

1шт.

4

VOE 468249

Вал

1шт.

5

VOE 1675465

Impeller

1шт.

6

VOE 471497

Кольцо уплотнительное (О-кольцо)

1шт.

6

VOE 471497

Кольцо уплотнительное (О-кольцо)

1шт.

7

VOE 1674237

Cap

1шт.

8

VOE 471495

Lock Spring

1шт.

8

VOE 471495

Lock Spring

1шт.

9

VOE 1676432

Кольцо уплотнительное

1шт.

9

VOE 1676432

Кольцо уплотнительное

1шт.

Выбрано товаров: 0