Запчасти Volvo EC280 77699 Alternator with assembling details EC280 SER NO 1001-

Схема запчастей Volvo EC280 - 77699 Alternator with assembling details EC280 SER NO 1001-
FIT
1:1
100%

Артикул

Название

Примечание

Количество

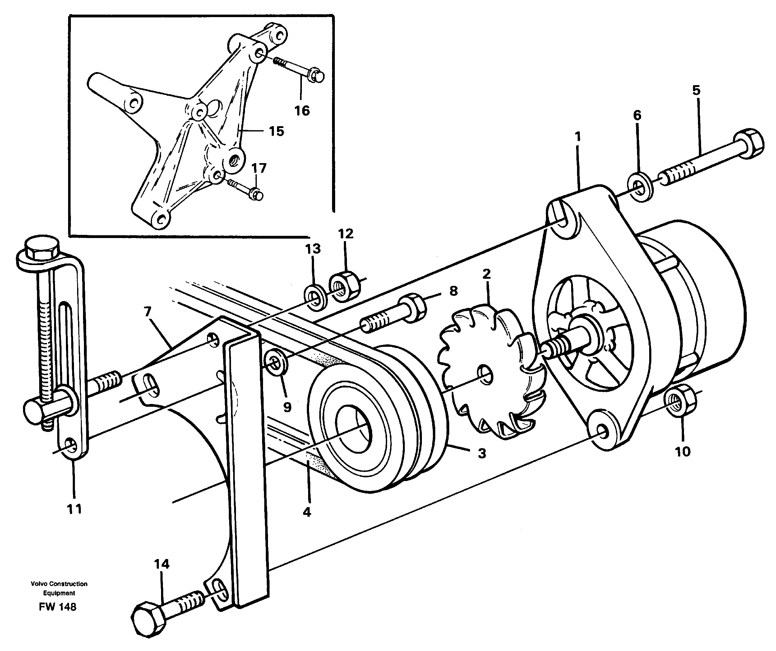
VOE 13930842

Шайба

1шт.

VOE 13930842

Шайба

1шт.

VOE 13965179

Болт

1шт.

VOE 13965179

Screw

1шт.

VOE 976944

Шайба

1шт.

VOE 976944

Шайба

1шт.

VOE 243400

Fan disc

1шт.

VOE 13945444

Болт

1шт.

VOE 13945444

Screw

1шт.

10

VOE 13945408

Гайка

1шт.

10

VOE 13945408

Гайка

1шт.

11

VOE 1676586

Tensioner

1шт.

11

VOE 1676586

Tensioner

1шт.

12

VOE 13971098

Flange nut

1шт.

12

VOE 13971098

Flange nut

1шт.

13

VOE 14015145

Шайба

1шт.

13

VOE 14015145

Шайба

1шт.

14

VOE 13947760

Болт

1шт.

14

VOE 13947760

Screw

1шт.

15

VOE 14340412

Alternator bracket

1шт.

16

VOE 946473

Flange screw

1шт.

16

VOE 946473

Flange screw

1шт.

17

VOE 13965183

Flange screw

1шт.

17

VOE 13965183

Flange screw

1шт.

2

VOE 14343787

Fan disc

1шт.

3

VOE 822573

Шкив

1шт.

3

VOE 822573

Шкив

1шт.

4

VOE 966798

Ремень клиновой (приводной)

SATS / KIT

1шт.

4

VOE 966798

Ремень клиновой (приводной)

SATS / KIT

1шт.

5

VOE 13966365

Flange screw

1шт.

5

VOE 13966365

Flange screw

1шт.

6

VOE 955899

Шайба

1шт.

6

VOE 955899

Шайба

1шт.

7

VOE 14344417

14344417

1шт.

8

VOE 946472

Flange screw

1шт.

8

VOE 946472

Flange screw

1шт.

9

VOE 14015145

Шайба

1шт.

9

VOE 14015145

Шайба

1шт.

Выбрано товаров: 38