Запчасти Volvo EC280 88157 Гидробак EC280 SER NO 1001-

Схема запчастей Volvo EC280 - 88157 Гидробак EC280 SER NO 1001-
FIT
1:1
100%

Артикул

Название

Примечание

Количество

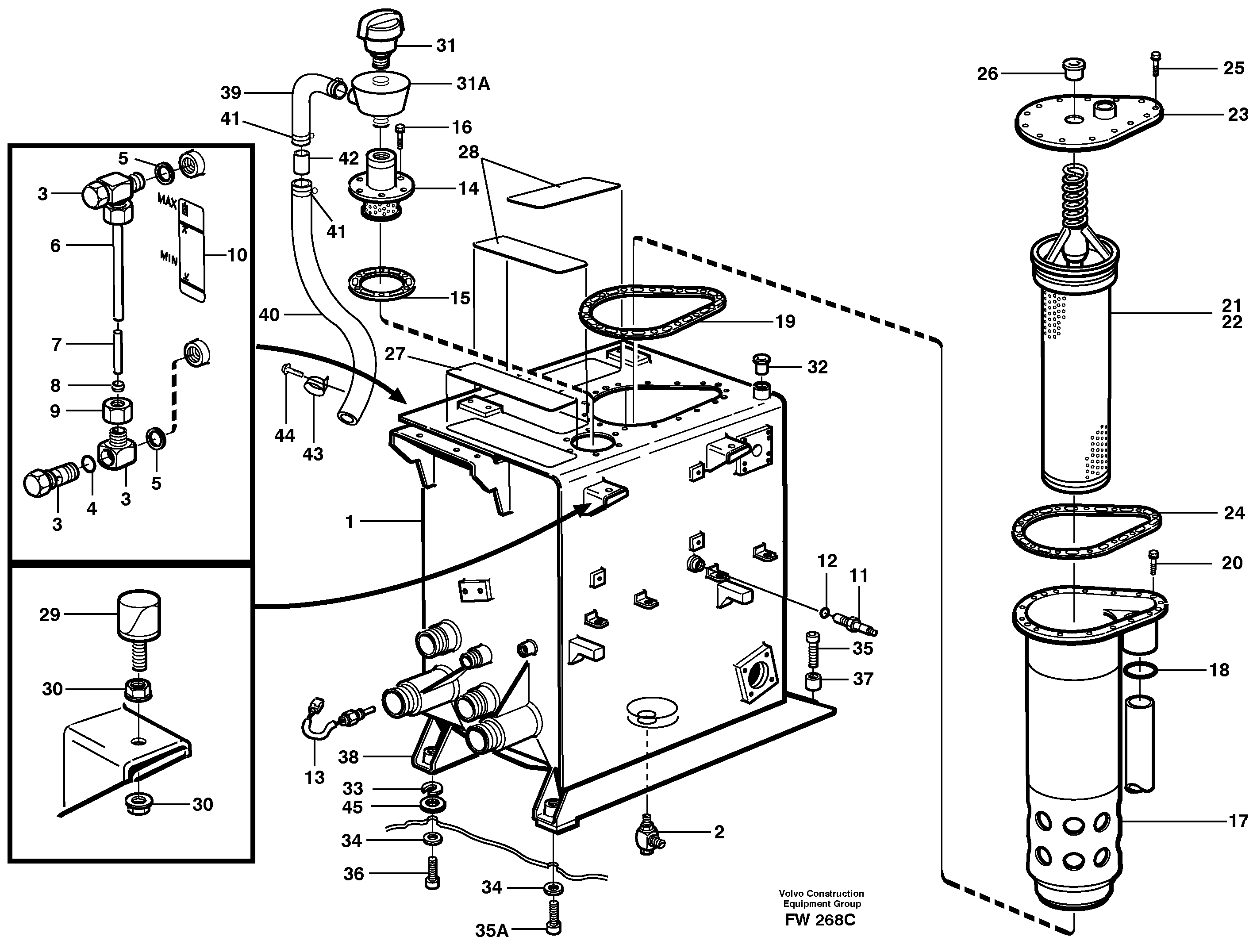
VOE 14343864

Hydraulic fluid tank

1шт.

VOE 947623

Прокладка

SER NO 1396 -

1шт.

VOE 947623

Прокладка

SER NO 1396 -

1шт.

VOE 925279

Кольцо уплотнительное (О-кольцо)

209 x 5,7

1шт.

VOE 14343877

Вставка

THICK = 2,5MM

1шт.

VOE 925273

Кольцо уплотнительное (О-кольцо)

174,3 x 5,7

1шт.

VOE 914391

Пробка (заглушка)

SER NO 1396 -

1шт.

VOE 914391

Пробка (заглушка)

SER NO 1396 -

1шт.

10

VOE 14265604

Sign

1шт.

10

VOE 14265604

Sign

1шт.

11

VOE 14345269

Level guard

SER NO - 1395, B6

1шт.

12

VOE 925058

Кольцо уплотнительное (О-кольцо)

SER NO - 1395

1шт.

12

VOE 925058

Кольцо уплотнительное (О-кольцо)

SER NO - 1395

1шт.

13

VOE 11039193

Temperature sensor

B8

1шт.

13

VOE 11039193

Temperature sensor

B8

1шт.

14

VOE 14342118

Крышка

1шт.

15

VOE 14342101

Прокладка

1шт.

16

VOE 946671

Flange screw

1шт.

16

VOE 946671

Flange screw

1шт.

17

VOE 14342935

Filter housing

1шт.

18

VOE 925077

Кольцо уплотнительное (О-кольцо)

1шт.

18

VOE 925077

Кольцо уплотнительное (О-кольцо)

1шт.

19

VOE 14345606

Кольцо уплотнительное (О-кольцо)

L PROD

1шт.

19

VOE 14343779

Прокладка

E PROD

1шт.

2

VOE 11000127

Drain cock

1шт.

2

VOE 11000127

Drain cock

1шт.

20

VOE 959220

Allen Hd Screw

1шт.

21

VOE 11712545

Фильтр возвратный

1шт.

22

VOE 11709610

Filter insert

1шт.

23

VOE 14342961

Крышка

1шт.

24

VOE 14345606

Кольцо уплотнительное (О-кольцо)

L PROD

1шт.

24

VOE 14343779

Прокладка

E PROD

1шт.

25

VOE 13947760

Болт

1шт.

25

VOE 13947760

Screw

1шт.

26

VOE 14310074

Пробка (заглушка)

1шт.

27

VOE 14055525

Slip protection

1шт.

27

VOE 14055525

Slip protection

1шт.

28

VOE 11091424

Slip protection

1шт.

28

VOE 11091424

Slip protection

1шт.

29

VOE 14212956

Buffer

1шт.

29

VOE 14212956

Buffer

1шт.

3

VOE 14026430

Banjo fitting

1шт.

30

VOE 13945408

Гайка

1шт.

30

VOE 13945408

Гайка

1шт.

31

VOE 14343765

Фильтр воздушный

SER NO - 1124

1шт.

31A

VOE 14345299

Фильтр воздушный

SER NO 1125 -

1шт.

32

VOE 14344147

Пробка (заглушка)

1шт.

33

VOE 14343875

Вставка

THICK = 2MM

1шт.

34

VOE 979709

Шайба

1шт.

35

VOE 13965194

Screw

1шт.

35

VOE 13965194

Болт

1шт.

35A

VOE 968437

Flange screw

1шт.

35A

VOE 968437

Flange screw

1шт.

36

VOE 13968302

Flange screw

1шт.

36

VOE 13968302

Flange screw

1шт.

37

VOE 14252182

Вставка

1шт.

37

VOE 14252182

Вставка

1шт.

38

VOE 14344671

Spacer nut

1шт.

39

VOE 11031971

Шланг

SER NO 1125 -

1шт.

4

VOE 14213328

Кольцо уплотнительное (О-кольцо)

1шт.

40

VOE 927661

Rubber hose

SER NO 1125 -

1шт.

41

VOE 943476

Hose clamp

SER NO 1125 -

1шт.

42

VOE 14345722

Junction pipe

SER NO 1125 -

1шт.

43

VOE 952643

Зажим

SER NO 1125 -

1шт.

43

VOE 952643

Зажим

SER NO 1125 -

1шт.

44

VOE 948893

Flange screw

SER NO 1125 -

1шт.

45

VOE 14015147

Шайба

1шт.

45

VOE 14015147

Шайба

1шт.

5

VOE 14213332

Кольцо уплотнительное

1шт.

6

VOE 14340349

Level indicating pipe

1шт.

7

VOE 14012507

Insert pipe

1шт.

8

VOE 956968

Ferrule

1шт.

8

VOE 956968

Ferrule

1шт.

9

VOE 14012446

Гайка

1шт.

Выбрано товаров: 74