Запчасти Volvo EC290B 42027 Valve, quickfit EC290B

Схема запчастей Volvo EC290B - 42027 Valve, quickfit EC290B
FIT
1:1
100%

Артикул

Название

Примечание

Количество

VOE 14503696

Соленоид (электромагнитная катушка)

1шт.

VOE 14503696

Клапан

1шт.

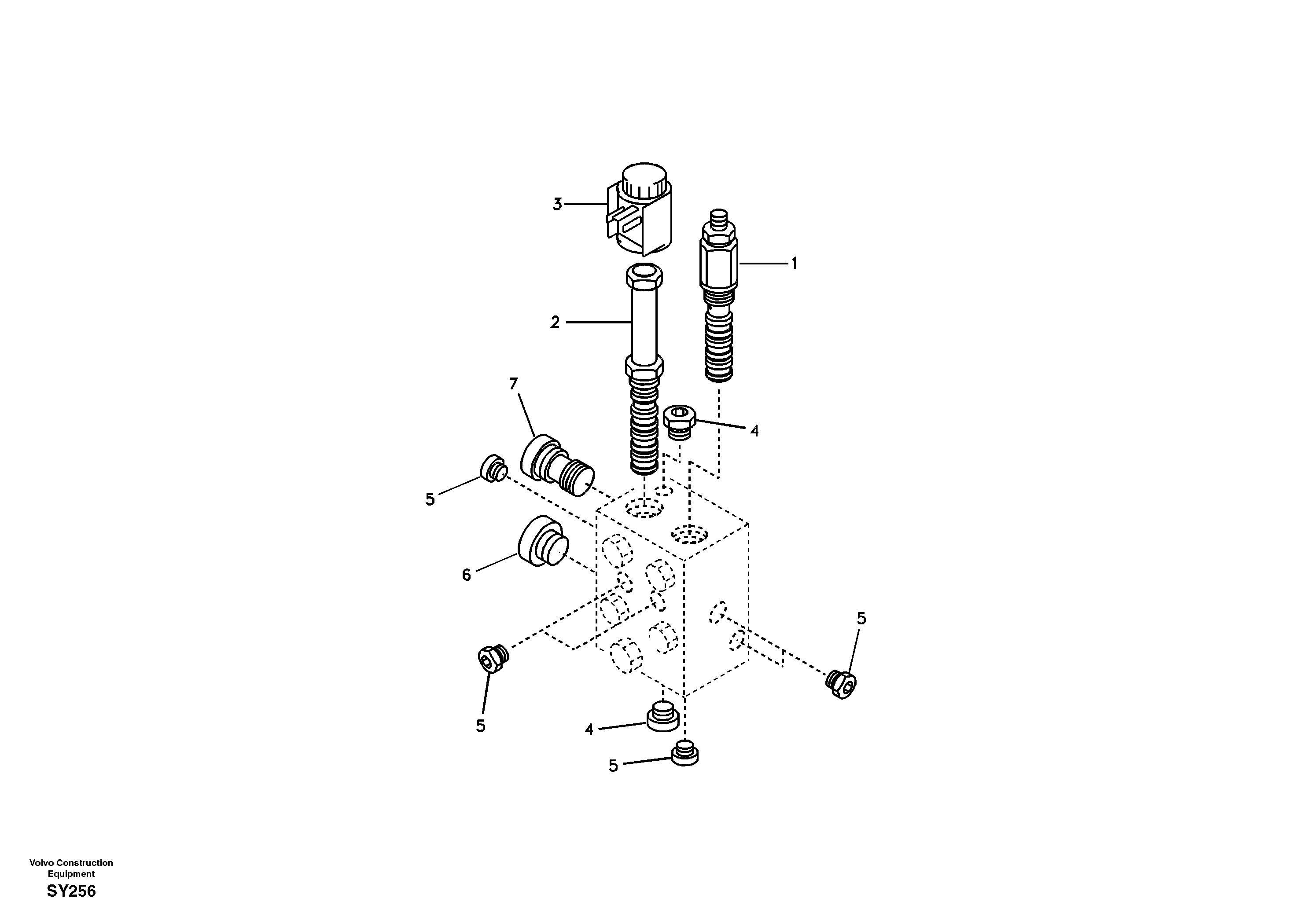
1

VOE 14513661

Клапан обратный

1шт.

100

VOE 14513671

Sealing Kit

1шт.

2

VOE 14513662

Встроенный клапан в сборе

1шт.

3

VOE 14513664

Соленоид (электромагнитная катушка)

1шт.

4

VOE 14513665

Пробка (заглушка)

1шт.

5

VOE 14513666

Пробка (заглушка)

1шт.

6

VOE 14513668

Пробка (заглушка)

1шт.

7

VOE 14513669

Клапан обратный

1шт.

7

VOE 14513669

Check valve

1шт.

Выбрано товаров: 11