Запчасти Volvo EC290B 77524 Control valve with fitting parts EC290B SER NO INT 13562- EU & NA 80001-

Схема запчастей Volvo EC290B - 77524 Control valve with fitting parts EC290B SER NO INT 13562- EU & NA 80001-
FIT
1:1
100%

Артикул

Название

Примечание

Количество

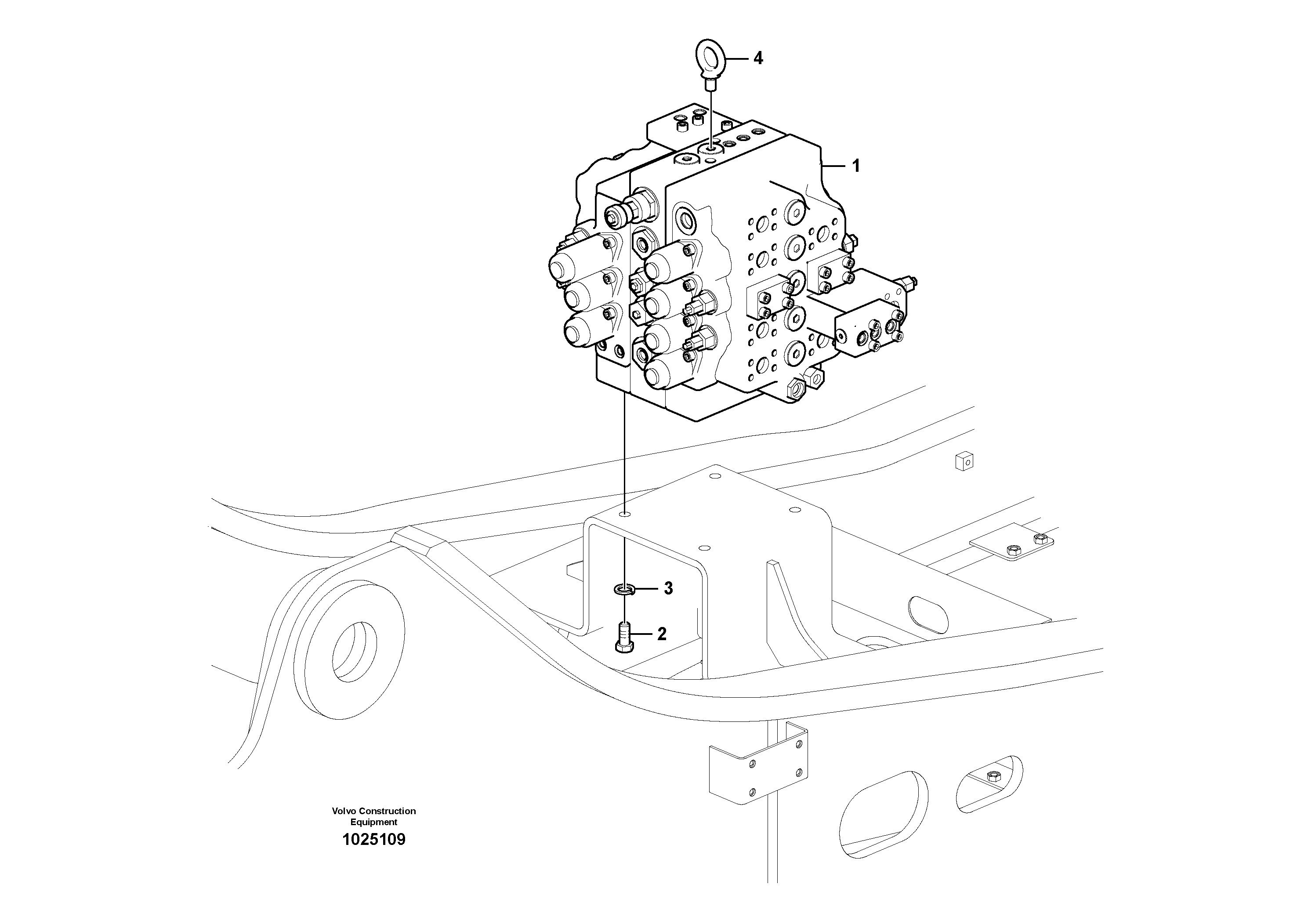
1

VOE 14541591

Клапан регулирующий (распределительный)

1шт.

2

VOE 978936

Винт шестигранник

1шт.

2

VOE 978936

Винт шестигранник

1шт.

3

VOE 955926

Шайба пружинная

1шт.

3

VOE 955926

Шайба пружинная

1шт.

4

VOE 14880556

Откидной (рым, с ушком, с петлей) болт (винт)

1шт.

4

VOE 14880556

Откидной (рым, с ушком, с петлей) болт (винт)

1шт.

Выбрано товаров: 0